Автор Тема: Yerasov PteraDriver BASS preamp  (Прочитано 2168 раз)

0 Пользователей и 1 Гость просматривают эту тему.

Оффлайн Onvoid Автор темы

  • Новичок
  • *
  • Сообщений: 86
  • GuitarPlayer.Ru fan!
Yerasov PteraDriver BASS preamp
« : Сентября 18, 2016, 21:03:58 »
Привет всем. Решил я тут недавно обзавестись басовым преампом. Но так как я ленивая задница, то решил не просто взять и с нуля собрать, а купить птеру б/у и немного переделать(тут тебе и лампы и бп и все прелести жизни, и птера кстати модированная и с новыми лампами). покурив схему снизу к чему я пришел:
1)увеличить все разделительные емкости до 100нФ, за исключением C11 его до 47нФ(все таки для драйва)
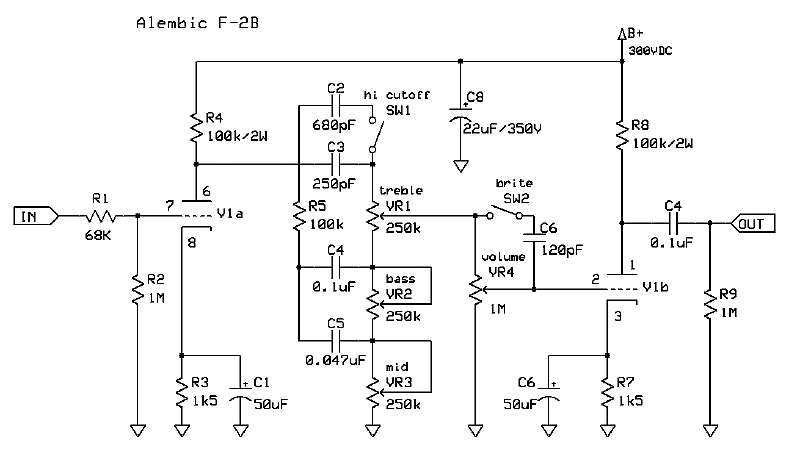
2) увеличить емкости в эквалайзере С6 до 220нф и С7 до 100нФ( опирался на схему alembic F2b, я так понимаю срез считается по R11)
если посмотреть то на клин канале получается практически тот же f2b(если не врубать режим HI)
единственный вопрос у меня возник к фильтру на C14 после лампы VL1.2, думаю также как и в F2b присобачить через переключатель вместе С42 для лид канала(то есть двойной переключатель для двух кондесаторов).
На "грязном" звуки у меня начали возникать вопросы:
1) для каких целей служит входной фильтр у VL2.1(для драйва, вроде в режиме лоу вроде как, судя по кондесатору С16), может его полностью из цепи исключить?
2) как правильно организовать бленд? я так понимаю сигнал надо снимать сразу с перед реле К3  контакт 7 и через кондесатор(где-нибудь 100нФ) и переменник ко второму контакту того же реле.
3) может стоит у каскада в VL2.2 47нФ поставить чтоб нч грязи поменьше было?
4) почему R36 имеет такой номинал 2.4М не много ли?
С спиксимом решил не заморачиваться так как у VT BASS номиналы вроде даже такие же.
Основной вопрос это бленд. как что и почем.
P.S. на данный момент птера мне пока только почтой идет

Оффлайн Rolly

  • Живу на форуме
  • *******
  • Сообщений: 9050
  • Мнение - не повод получить пулю сразу.
Re: Yerasov PteraDriver BASS preamp
« Ответ #1 : Сентября 18, 2016, 21:19:06 »
 :yy: кое-кто попал ;D

Оффлайн Onvoid Автор темы

  • Новичок
  • *
  • Сообщений: 86
  • GuitarPlayer.Ru fan!
Re: Yerasov PteraDriver BASS preamp
« Ответ #2 : Сентября 18, 2016, 21:24:35 »
я тут просто новичок. что-то нарушил?

Оффлайн Rolly

  • Живу на форуме
  • *******
  • Сообщений: 9050
  • Мнение - не повод получить пулю сразу.
Re: Yerasov PteraDriver BASS preamp
« Ответ #3 : Сентября 18, 2016, 21:35:35 »
Да нет, я про идею модификации - весьма сомнительный ход мысли.

Оффлайн Onvoid Автор темы

  • Новичок
  • *
  • Сообщений: 86
  • GuitarPlayer.Ru fan!
Re: Yerasov PteraDriver BASS preamp
« Ответ #4 : Сентября 18, 2016, 21:39:39 »
на базе клин канала как и говорил получается тот же f2b. так что с чистым тут безпроигрышно, а вот насчет драйва сам не уверен. именно в первую очередь из-за бленда.

Оффлайн Tander

  • Ветеран форума
  • ******
  • Сообщений: 3732
    • Efremoff
Re: Yerasov PteraDriver BASS preamp
« Ответ #5 : Сентября 19, 2016, 11:08:03 »
Клин да, можно поправить. А вот с перегрузом нужно подходить иначе. В басовом перегрузе будет хорошо - когда к чистому басу подмешивается сухой гитарный перегруз без низа (он тогда не фуззит и не пердит сильно, а именно рычит как надо). А при птеродрайвере - я не очень вижу, как его переделать, чтобы при включении перегруза - звук чистого тоже шел на выход... разве что игратся с коммутацией реле так, чтобы чистый канал не отключался.

Оффлайн guitarjfet

  • Ветеран форума
  • ******
  • Сообщений: 4760
Re: Yerasov PteraDriver BASS preamp
« Ответ #6 : Сентября 19, 2016, 12:45:39 »
Клин да, можно поправить. А вот с перегрузом нужно подходить иначе. В басовом перегрузе будет хорошо - когда к чистому басу подмешивается сухой гитарный перегруз без низа (он тогда не фуззит и не пердит сильно, а именно рычит как надо). А при птеродрайвере - я не очень вижу, как его переделать, чтобы при включении перегруза - звук чистого тоже шел на выход... разве что игратся с коммутацией реле так, чтобы чистый канал не отключался.
Выкинуть коммутацию, на базе клина собрать чистый, на базе драйва - перегруз, соединить все энто дело через бленд и получиться нехилая рычалка.
Но это уже будет совсем другая история  :hitrez:

Оффлайн Onvoid Автор темы

  • Новичок
  • *
  • Сообщений: 86
  • GuitarPlayer.Ru fan!
Re: Yerasov PteraDriver BASS preamp
« Ответ #7 : Сентября 19, 2016, 14:11:18 »
Весь прикол в том что тут 4 режима работы.
1) клин: первый каскад(слева направо), эквалайзер, второй каскад, выход
2) погруженный чистый: первый каскад, эквалайзер,  второй каскад, четвертый каскад
3) лид Лоу: первый, второй, четвертый, эквалайзер, выход
4) хай лид: все каскады, эквалайзер, выход.
Если сделать. Как предлагалось выше это только на базе 2-го режима
Весь интерес сохранить 4(можно 3) единственный вариант который я вижу: разрезать дорожки и соединенить общим бленд резистором где нибудь на 200к выход 2 каскад(наивысший уровень чистого) и выход 4й каскад после разделительных конденсаторов. Насколько это жизниспособно и окажут ли емкости каскадов друг на друга влияния и не возникнет ли обратная связь?

Оффлайн guitarjfet

  • Ветеран форума
  • ******
  • Сообщений: 4760
Re: Yerasov PteraDriver BASS preamp
« Ответ #8 : Сентября 19, 2016, 14:29:17 »
Onvoid, весь прикол в том, что ты исходишь из каких-то своих принципов, игнорирую общепринятые и испытанные схемные решения построения ламповых басовых перегрузов  :7:
Вряд ли у тебя что-то нормально звучащее выйдет при таком подходе.
Глянь хотя бы одну схему именно басового перегруза.

Оффлайн Onvoid Автор темы

  • Новичок
  • *
  • Сообщений: 86
  • GuitarPlayer.Ru fan!
Re: Yerasov PteraDriver BASS preamp
« Ответ #9 : Сентября 19, 2016, 14:37:01 »
Всмысли других? Я и пытаюсь смешать чистый сигнал с перегруженным. на первых двух каскадах идет чистый предусиленный сигнал, 3 и 4 это как раз те каскады на которых возникает перегруженный звук. логично что нужно чистый сигнал брать после 2го,грязный после 4го

Оффлайн Tander

  • Ветеран форума
  • ******
  • Сообщений: 3732
    • Efremoff
Re: Yerasov PteraDriver BASS preamp
« Ответ #10 : Сентября 19, 2016, 14:41:42 »
guitarjfet, я очень копал тему басовых перегрузов. И в целом - да, басовые перегрузы ощутимо отличаются от гитарных, но! и гитарный хороший ламповый перегруз, у которого немного завален ручками верх, к которому подмешивается чистый басовый сигнал - звучит очень и очень неплохо.

А в общем - согласен - ТС по сути купил себе комплектуху в виде потов/кнопок/релешек/ламп/питания/корпуса/разьемов - и теперь на всем этом по хорошему собрать чистый канал, и канал перегруза. С самого начала до самого конца. На существующих платах - это будет очень сложно - проще сделать новые платы под существующую разводку потов/кнопок.

... и добавил:

кстати - а кто знает - какой трансформатор выходной в импульсном питании анодного?
« Последнее редактирование: Сентября 19, 2016, 14:48:15 от Tander »

Оффлайн Onvoid Автор темы

  • Новичок
  • *
  • Сообщений: 86
  • GuitarPlayer.Ru fan!
Re: Yerasov PteraDriver BASS preamp
« Ответ #11 : Сентября 19, 2016, 15:03:33 »
Ладно господа: придет преамп поэксперементирую, получиться если что отпишусь. На крайняк тот же f2b тоже неплохо

... и добавил:

А так схемку не подкинете двухканального преампа

... и добавил:

??
« Последнее редактирование: Сентября 19, 2016, 15:07:49 от Onvoid »

Оффлайн Tander

  • Ветеран форума
  • ******
  • Сообщений: 3732
    • Efremoff
Re: Yerasov PteraDriver BASS preamp
« Ответ #12 : Сентября 19, 2016, 16:09:47 »
Схемок в сети - хоть попой ешь. ))) выбирай что нравится. ) Тебе двухканальные не особо надо. т.к. с чистым каналом ты определился. тебе нужен только басовый перегруз - и блендить их по выходу. )

Оффлайн Onvoid Автор темы

  • Новичок
  • *
  • Сообщений: 86
  • GuitarPlayer.Ru fan!
Re: Yerasov PteraDriver BASS preamp
« Ответ #13 : Сентября 24, 2016, 17:25:13 »
эффект пришел. послушал. в принципе преамп частично применим для баса( если надо демки могу набросать) да и у меня еще гитара есть, на которую у меня вообще ничего нет. у меня нож на это дело не поднимается(не могу я дербанить неплохие эффекты). думаю использовать его как канал драйва. и взять подешевки 2ой и сделать алембик и orange ad200b. даже коммутацию не все выбрасывать придется. единственное что там был "мод" не заводской. пока не разбирался в чем суть, но с этим модом, который призван улучшить звук, начиналась самовозбуждение на драйве. "хороший" мод.

Оффлайн Tander

  • Ветеран форума
  • ******
  • Сообщений: 3732
    • Efremoff
Re: Yerasov PteraDriver BASS preamp
« Ответ #14 : Сентября 24, 2016, 17:29:43 »
Onvoid, купи корпус, компоненты - и сделай все сам... зачем деребанить готовые эффекты, когда там дел на 2 вечера максимум?