Вышел на финишную прямую, осталось корпус запилить

.
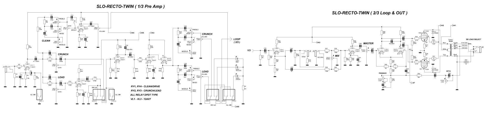
Скоро ветка читается, да не скоро дело делается. Полтора года, однако...
Проект можно смело назвать "SRT Christmas", т.к. запустил только вчера, и послушал - что там как.
Всё работает с первого запуска, шумит, конечно, на хай гейне, но у меня по другому и не получается никогда.
Потренькал немного на всех каналах, впечатлило, если честно.
Не до конца понял - как должен работать депт, наверно нужно подобрать обвес, или я вообще что-то напутал в схеме-монтаже.
Не чувствую я там никакого изменения глубины, слышно только, что на гейне на максимуме депта - снижается низкочастотный шум.
Работу петли пока не проверял.
Спасибо всем, кто подсказывал/советовал, особенно -
AZG!
Купил на Истоке "подобранную пару" EL34 - разница токов - 4мА...

Поставил пока лично подобранные 6П3С-Е, полёт нормальный

.