Автор Тема: Замена ОУ в преампе  (Прочитано 5183 раз)

0 Пользователей и 1 Гость просматривают эту тему.

Оффлайн Tander Автор темы

  • Ветеран форума
  • ******
  • Сообщений: 3732
    • Efremoff
Замена ОУ в преампе
« : Августа 01, 2014, 21:29:03 »
Возникла проблема - в преампе моего инструмента имеется шипение, которое жутко раздражает.

В качестве ОУ применены стандартно - TL062 в дипе. Самое интересное, что в схеме моего инструмента после регулятора громкости стоит еще один каскад на оу, с регулируемым усилением (подстроечник в 20к в обратной связи). И обратил внимание - когда громкость гитары убрана в 0 (по сути вход последнего оу закорочен на землю) - шипение все равно остается, пусть и слабее, а если игратся этим подстроечником - то уровень шипения ощутимо меняется (естественно меняется и громкость выходного сигнала - когда вернуть громкость в обратное состояние.) И у меня таких ОУ там - 3 штуки. И я так понимаю что каждый из них вносит свою лепту в шипение...

Предварительных пробегов по сайтам производителям оу (TI, AD) - нашел много вариантов менее шумных - но у них большее потребление (1-3мА против 0,2мА у TL062), да и куча разных непонятных параметров, которые я не знаю насколько смогут влиять на звук... 

Может кто знает ОУ, которые будут подходить в данном преде по параметрам, при этом иметь низкий (в районе 10нВ/sqHz, а лучше меньше), потребление меньше 1мА на канал, и при этом не будет заоблачно (больше 20 баксов) стоить...   :)

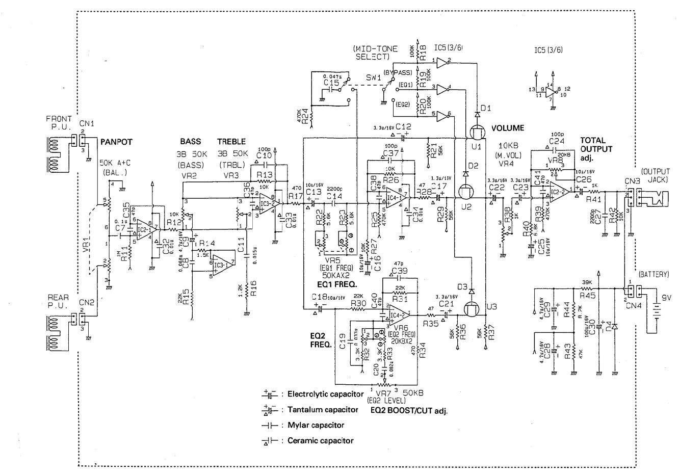
Схема моего преда:

1054933-0
« Последнее редактирование: Августа 01, 2014, 21:31:40 от Tander »

Оффлайн kfender

  • Ветеран форума
  • ******
  • Сообщений: 5915
  • к.т.н.
Re: Замена ОУ в преампе
« Ответ #1 : Августа 01, 2014, 21:33:29 »
OPA1652, но через переходник SOIC-DIP.

Оффлайн Tander Автор темы

  • Ветеран форума
  • ******
  • Сообщений: 3732
    • Efremoff
Re: Замена ОУ в преампе
« Ответ #2 : Августа 01, 2014, 21:56:19 »
переходник то не проблема - но у него 2мА с каждого канала -  т.е. 6 оу - 12мА... Батарейка крона - примерно 600-700мА даст - т.е. примерно 50-60 часов игры... при игре даж хотя б 4 часа в день (а иногда бывает и больше) - мне батарейки хватит в лучшем случае на 2 недели... ничего более "энегроемкого" не существует?

Оффлайн kfender

  • Ветеран форума
  • ******
  • Сообщений: 5915
  • к.т.н.
Re: Замена ОУ в преампе
« Ответ #3 : Августа 01, 2014, 22:00:05 »
Ничего лучше не нашел, а разница с 062 очень ощутима, остальные потребляют еще больше. А вообще, лучше сделай другой преамп на полевиках.

Оффлайн Tander Автор темы

  • Ветеран форума
  • ******
  • Сообщений: 3732
    • Efremoff
Re: Замена ОУ в преампе
« Ответ #4 : Августа 01, 2014, 22:15:29 »
kfender, другой преамп? шутишь? мне и так несколько не по себе, от того что в инструменте, который новый стоит 4,5к баксов, что-то менять скорее всего придется... при условии что по звуку этот преамп достаточно крутой, шипит только зараза... другой преамп - даже в мыслях нету - только улучшить существуюущий...

Оффлайн kfender

  • Ветеран форума
  • ******
  • Сообщений: 5915
  • к.т.н.
Re: Замена ОУ в преампе
« Ответ #5 : Августа 01, 2014, 22:42:20 »
4.5k$ и TL062 в преде... мир определенно сошел с ума.

Так все же на разъемах, снимаешь и кладешь на полку, а делаешь какой хочешь, только лучше без ОУ, т.е. совсем.

Оффлайн Tander Автор темы

  • Ветеран форума
  • ******
  • Сообщений: 3732
    • Efremoff
Re: Замена ОУ в преампе
« Ответ #6 : Августа 02, 2014, 10:09:32 »
4.5k$ и TL062 в преде... мир определенно сошел с ума.

Так все же на разъемах, снимаешь и кладешь на полку, а делаешь какой хочешь, только лучше без ОУ, т.е. совсем.

Увы, маркетинг... Снять и положить на полку - тоже не вариант - т.к. у преда реально, кроме шипения, очень удобное управление (схему то не смотрел наверное), пресеты и тд. Плюс реально, кроме шипения - все очень даже клево.

Оффлайн Тимон

  • Ветеран форума
  • ******
  • Сообщений: 3556
  • Мохнатый
Re: Замена ОУ в преампе
« Ответ #7 : Августа 02, 2014, 11:53:05 »
Tander, чудес не бывает: все что мало шумит — много жрет) В классической ОУ топологии по крайней мере.

Оффлайн Tander Автор темы

  • Ветеран форума
  • ******
  • Сообщений: 3732
    • Efremoff
Re: Замена ОУ в преампе
« Ответ #8 : Августа 02, 2014, 16:49:54 »
Мда, самое меньше энергопотребление, что нашел - OPA1662 - 1,5мА на канал, при шуме - 3.3 nV/√Hz at 1 kHz, высоким Slew Rate - 17V/uS, и низким входным offset voltage +/- 0,5мВ.

Кстати, а что такое - Rail-to-Rail Output?



... и добавил:

О, а еще у ЛТ - LT6234 - очень похож на OPA1662, только с чуть меньшим потрелением (1,15мА) и еще меньшими шумами - 1,9 nV/√Hz. 
« Последнее редактирование: Августа 02, 2014, 17:01:05 от Tander »

Оффлайн kfender

  • Ветеран форума
  • ******
  • Сообщений: 5915
  • к.т.н.
Re: Замена ОУ в преампе
« Ответ #9 : Августа 02, 2014, 17:38:49 »
"У любого ОУ потенциал на выходе не может быть выше, чем потенциал положительной шины питания и не может быть ниже, чем потенциал отрицательной шины питания (в случае, если нагрузка отсутствует, или является резистивной и не содержит источник тока). Другими словами, выходное напряжение не может выйти за пределы питающего напряжения. Например, для ОУ opa277[1] выходное напряжение находится в пределах от VS−+0,5 В до VS+-2 В при сопротивлении нагрузки 10 кОм. Ширина этих «мертвых зон» выходного напряжения, которых выход ОУ не может достичь, зависит от ряда условий (сопротивление нагрузки, направление выходного тока и др.). Существуют ОУ, у которых мертвые зоны минимальны, например, по 50 мВ до шин питания при нагрузке 10 кОм для opa340[2], эта особенность ОУ называется «rail-to-rail» (от шины до шины)."

http://ru.wikipedia.org/wiki/%D0%9E%D0%BF%D0%B5%D1%80%D0%B0%D1%86%D0%B8%D0%BE%D0%BD%D0%BD%D1%8B%D0%B9_%D1%83%D1%81%D0%B8%D0%BB%D0%B8%D1%82%D0%B5%D0%BB%D1%8C

Оффлайн Tander Автор темы

  • Ветеран форума
  • ******
  • Сообщений: 3732
    • Efremoff
Re: Замена ОУ в преампе
« Ответ #10 : Августа 02, 2014, 19:25:57 »
Итак. Попробовал я поставить панельку вместо первого (и последнего по схеме) опера. Пока в качестве "пробы" поставить единственное что у меня было низкошумящее - LM833N (Да, она жрет от 5 до 8мА на микросхему). Ну и результат - шуметь стало на порядок меньше!!! чтобы "не обманутся" - я даж аудио записал до и после - и реально разница колосальна..  В общем я решил заменить первую микросхему (первый и последний оперы по схеме), а так же опер на "первичном темброблоке" - там где низкие и верхние" - поменять на что-то очень низкошумящее, пусть даже и не сильно экономное - результат того стоит.

Кстати, а вот опер, который стоит в "пресетовом темброблоке" - на схеме указан TL062, а по факту стоит там TL072. так что его особо трогать наверное не буду.

kfender, т.е. оперы с «rail-to-rail» в принципе могут без проблем использоватся у меня в преде?

... и добавил:

Вот семплик "до и после" замены. На максимальной чувствительности карты записано.
« Последнее редактирование: Августа 02, 2014, 20:16:06 от Tander »

Оффлайн kfender

  • Ветеран форума
  • ******
  • Сообщений: 5915
  • к.т.н.
Re: Замена ОУ в преампе
« Ответ #11 : Августа 02, 2014, 20:24:09 »
Первый опер возможно должен быть с полевым входом, раз там 062 стоит, в общем 1652 мною проверенный вариант для замены 062. И он из новейшей серии.

Оффлайн runing

  • Живу на форуме
  • *******
  • Сообщений: 12572
  • Киев
Re: Замена ОУ в преампе
« Ответ #12 : Августа 02, 2014, 20:40:08 »
Tander, а может есть смысл продумать питание не от батарейки, а изготовить гитарный шнур с доп проводом питания и стерео джеком.
Тогда выбор операционников не будет ограничен потреблением  ???

Оффлайн Tander Автор темы

  • Ветеран форума
  • ******
  • Сообщений: 3732
    • Efremoff
Re: Замена ОУ в преампе
« Ответ #13 : Августа 02, 2014, 20:44:39 »
ну ок, а придет время продавать бас? как я буду клиенту обьяснять что и как? и какого хрена я лез в "топовый" инструмент? тем более что экономные и при этом тихие оперы таки есть. )))


Оффлайн runing

  • Живу на форуме
  • *******
  • Сообщений: 12572
  • Киев
Re: Замена ОУ в преампе
« Ответ #14 : Августа 02, 2014, 21:16:42 »
как я буду клиенту обьяснять что и как? и какого хрена я лез в "топовый" инструмент?

Ну так ты же всё равно собираешься туда какого то хрена лезть  ;D
Под операционники можно поставить панельки, перед продажей вернуть на место оригинальные.
Переделанный шнур клиенту не показывать, а стерео джек будет работать в любом случае.


тем более что экономные и при этом тихие оперы таки есть. )))

Ну если есть, тогда на моё предложение можно внимания не обращать   :dontmention: