Автор Тема: Завтра будем мод-ть МЕТАЛ-ЗОН.  (Прочитано 7608 раз)

0 Пользователей и 1 Гость просматривают эту тему.

Оффлайн mogaed Автор темы

  • Ветеран форума
  • ******
  • Сообщений: 3552
  • Волк с гитарой
Завтра будем мод-ть МЕТАЛ-ЗОН.
« : Июля 07, 2009, 16:54:26 »
Гитаристу(Антону) не нравится его звучание(песка много).
Завтра принесёт.
Процесс мод-и хочу обнародовать, если господа не против?

Оффлайн Nilos

  • Завсегдатай
  • ***
  • Сообщений: 289
  • Кто имеет мозг и руки - никогда не мрет со скуки.
Re: Завтра будем мод-ть МЕТАЛ-ЗОН.
« Ответ #1 : Июля 07, 2009, 17:30:07 »
ну, насчет господ не знаю, а вот я буду очень даже за. глядишь, подсмотрю чего, как раз собрался конденсаторы в своем МТ-2 менять. =)

Оффлайн HighTower

  • Завсегдатай
  • ***
  • Сообщений: 340
Re: Завтра будем мод-ть МЕТАЛ-ЗОН.
« Ответ #2 : Июля 07, 2009, 18:10:53 »
Металзон - отличная примочка, и ни в каких "модах" не нуждается. Втыкать ее только надо куда положено, а не куда попало.

Оффлайн mogaed Автор темы

  • Ветеран форума
  • ******
  • Сообщений: 3552
  • Волк с гитарой
Re: Завтра будем мод-ть МЕТАЛ-ЗОН.
« Ответ #3 : Июля 07, 2009, 18:17:08 »
Металзон - отличная примочка, и ни в каких "модах" не нуждается. Втыкать ее только надо куда положено, а не куда попало.
А куда положено, это в твой ламповый комбарь?

Кстати №6  - заинтригован
https://guitarplayer.ru/index.php?topic=113560.45
Если завтра метал-зону принесут, пошлю тебе приглашение.
« Последнее редактирование: Июля 07, 2009, 18:28:12 от mogaed »

Оффлайн Джус

  • Новичок
  • *
  • Сообщений: 86
Re: Завтра будем мод-ть МЕТАЛ-ЗОН.
« Ответ #4 : Июля 07, 2009, 18:21:41 »
Металзон - отличная примочка, и ни в каких "модах" не нуждается.
как насчёт мода от Robert Keeley?

Оффлайн mogaed Автор темы

  • Ветеран форума
  • ******
  • Сообщений: 3552
  • Волк с гитарой
Re: Завтра будем мод-ть МЕТАЛ-ЗОН.
« Ответ #5 : Июля 07, 2009, 18:23:43 »
как насчёт мода от Robert Keeley?
Там то-же песка много?

Оффлайн Piroman

  • Частый посетитель
  • **
  • Сообщений: 216
Re: Завтра будем мод-ть МЕТАЛ-ЗОН.
« Ответ #6 : Июля 07, 2009, 18:39:42 »
"мод-ть" это как "б-г" что ли?

Оффлайн mogaed Автор темы

  • Ветеран форума
  • ******
  • Сообщений: 3552
  • Волк с гитарой
Re: Завтра будем мод-ть МЕТАЛ-ЗОН.
« Ответ #7 : Июля 07, 2009, 18:57:04 »
"мод-ть" это как "б-г" что ли?
мод-ть(модифисировать),   понятно? - а не "б-г".

Оффлайн el-doctor

  • Ветеран форума
  • ******
  • Сообщений: 3734
Re: Завтра будем мод-ть МЕТАЛ-ЗОН.
« Ответ #8 : Июля 07, 2009, 20:18:19 »
металзона отчаянно нуждаетсяв моде. Мод заключается в смене проходных кондюков и отключении 2х гираторов - на вч и на середину. Исчезает неприятный призвук по середине и песок по вч

Оффлайн mogaed Автор темы

  • Ветеран форума
  • ******
  • Сообщений: 3552
  • Волк с гитарой
Re: Завтра будем мод-ть МЕТАЛ-ЗОН.
« Ответ #9 : Июля 07, 2009, 20:44:59 »
металзона отчаянно нуждаетсяв моде. Мод заключается в смене проходных кондюков и отключении 2х гираторов - на вч и на середину. Исчезает неприятный призвук по середине и песок по вч
Спасибо за науку, но я пока не по щупаю сам -........
Уточнил, будет BOSS - MT-2, будет схема(это облегчизм)
По наитию предположу, что с гираторами  и кондюками --перебрали(или недоперебрали).
Кстати,....ты похоже возился с ней?(схемой). Свой вердикт по конкретней выдай!
А если схема под руками - сюда её.

Оффлайн NektoS

  • Эксперт
  • *****
  • Сообщений: 1619
Re: Завтра будем мод-ть МЕТАЛ-ЗОН.
« Ответ #10 : Июля 07, 2009, 22:12:39 »
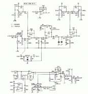
То, что было в сети

Оффлайн HighTower

  • Завсегдатай
  • ***
  • Сообщений: 340
Re: Завтра будем мод-ть МЕТАЛ-ЗОН.
« Ответ #11 : Июля 07, 2009, 22:44:14 »
А куда положено, это в твой ламповый комбарь?
Куда положено - это в любой адекватный комбик. Мои комбики мной тоже считаются адекватными, иначе бы я их не делал. Один мой друг владеет МТ-2, совершенно доволен и ни о каких "модах" (совершенно идиотское слово) не задумывался даже.

Оффлайн el-doctor

  • Ветеран форума
  • ******
  • Сообщений: 3734
Re: Завтра будем мод-ть МЕТАЛ-ЗОН.
« Ответ #12 : Июля 07, 2009, 23:05:40 »
в гираторы идет в первом там 10н во втором 1н5. тупо выпаяй их - гираторы уйдут исчезнет противная середка и песок. на низ гиратор оставь он доставляет изрядно. Диоды в цепи ограничения меня на светляки 3мм, еще прикольней асимметрично - один на светляк, второй на светляк  с каким нить 1н4148. Еще прикол есть ставить туда германиевые диоды... межкаскадные электролиты все в топку, ставь пленку. Это все собственно что я делал, навскидку... Насчот уничтожения боссовских байпасов - как у Кили - я не сторонник как раз таки.

Оффлайн Bulldozerrr

  • Эксперт
  • *****
  • Сообщений: 2935
Re: Завтра будем мод-ть МЕТАЛ-ЗОН.
« Ответ #13 : Июля 08, 2009, 04:17:16 »
Уважаемый el-doctor, чета я навскидку кондера на 1н5в схеме не обнаружил.
« Последнее редактирование: Июля 08, 2009, 04:31:31 от Bulldozerrr »

Оффлайн NektoS

  • Эксперт
  • *****
  • Сообщений: 1619
Re: Завтра будем мод-ть МЕТАЛ-ЗОН.
« Ответ #14 : Июля 08, 2009, 06:46:01 »
Bulldozerrr, Подключен к инвертирующему входу третьего опера (того, что после ограничителя).