Автор Тема: Модернизация YERASOV 7000volt  (Прочитано 2260 раз)

0 Пользователей и 1 Гость просматривают эту тему.

Оффлайн ELTaurus

  • Меценат
  • *****
  • Сообщений: 311
  • Just ELT
Re: Модернизация YERFSOV 7000volt
« Ответ #15 : Сентября 24, 2009, 18:43:53 »
"Ну мальчишки ладно" мде :pozor:

Оффлайн NektoS

  • Эксперт
  • *****
  • Сообщений: 1619
Re: Модернизация YERFSOV 7000volt
« Ответ #16 : Сентября 24, 2009, 18:47:33 »
mogaed, Вот за что Вы мне нравитесь, так это за образность мышления. Сразу рисуются "весёлые картинки" ;)
« Последнее редактирование: Сентября 24, 2009, 18:53:54 от NektoS »

Оффлайн mogaed Автор темы

  • Ветеран форума
  • ******
  • Сообщений: 3552
  • Волк с гитарой
Re: Модернизация YERFSOV 7000volt
« Ответ #17 : Сентября 24, 2009, 18:54:45 »
mogaed, Вот за что Вы мне нравитесь, так это за образность мышления. Сразу рисуются весёлые картинки ;)

А мальчишка то(Сьел таурус) - обиделся.
NektoS, можно на ты, 7 лет разница не большая.
« Последнее редактирование: Сентября 24, 2009, 19:19:13 от mogaed »

Оффлайн Ser.Balashoff

  • Новичок
  • *
  • Сообщений: 52
Re: Модернизация YERFSOV 7000volt
« Ответ #18 : Сентября 25, 2009, 06:33:44 »
С чего начинаются модеры.... С замены ключей, микросхемм... (средневековая песня про модеров).

Оффлайн NektoS

  • Эксперт
  • *****
  • Сообщений: 1619
Re: Модернизация YERASOV 7000volt
« Ответ #19 : Сентября 25, 2009, 14:25:27 »
NektoS, можно на ты, 7 лет разница не большая.
Со всей душой. И всё же, по теме. Конечно, фабричный девайс - не догма, но и не руководство к действию. Тем более сам говоришь, что сделано на совесть.
Да и отзывы владельцев в большинстве самые положительные. Говорить, что это почти Boss или DOD, или ещё какой зверь, согласись, некорректно. Так и до абсурда недалеко. Лучше с дамой покрутите ручки, подёргайте струны - вдруг передумает "модить".

Оффлайн mogaed Автор темы

  • Ветеран форума
  • ******
  • Сообщений: 3552
  • Волк с гитарой
Re: Модернизация YERFSOV 7000volt
« Ответ #20 : Сентября 25, 2009, 15:10:34 »
:crazy:  ДОБЕЙ ЕЕ, ДЕМОН!!!!11111111 :crazy:
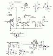
* 7000 V.pdf (111.03 КБ - загружено 44 раз.)
200231-1
Сходство принципа ограничения очевидно.
Хочу привести схему Ерасова, пока не получается,
даю ссылку
http://www.yerasov.ru/PDF/7000%20V.pdf
« Последнее редактирование: Сентября 25, 2009, 15:16:29 от mogaed »

Оффлайн NektoS

  • Эксперт
  • *****
  • Сообщений: 1619
Re: Модернизация YERASOV 7000volt
« Ответ #21 : Сентября 25, 2009, 15:38:31 »
Да есть у меня все схемы "высоковольтной линии"  :) Может я и ошибаюсь, но в 7000V сознательно пошли на сужение диапазонов регулировок. И это оправданно, имхо. Можно,конечно, заменить цепочки просто потенцами с соответствующими номиналами, но это будет для любителей крайностей. А их, мне кААЭтся, поубавилось. :)

Оффлайн 666Kosar

  • Опытный
  • ****
  • Сообщений: 875
  • Всё по олд скулу)
Re: Модернизация YERASOV 7000volt
« Ответ #22 : Сентября 25, 2009, 15:46:16 »
mogaed,
В чём секрет? Мускатный орех? ЛСД? Что...что вы принимаете? :pozor: :pozor: :pozor:
А самое главное не на одном форуме вас не банят  ???

Оффлайн mogaed Автор темы

  • Ветеран форума
  • ******
  • Сообщений: 3552
  • Волк с гитарой
Re: Модернизация YERASOV 7000volt
« Ответ #23 : Сентября 25, 2009, 15:57:26 »
mogaed,
В чём секрет? Мускатный орех? ЛСД? Что...что вы принимаете? :pozor: :pozor: :pozor:
А самое главное не на одном форуме вас не банят  ???
А тебе правда около 17? Даже если так, можно на ты.
А самое главное не на одном форуме вас не банят  ???!!!

Оффлайн Silence

  • Ветеран форума
  • ******
  • Сообщений: 4924
  • Russian doomster
    • Wine From Tears
Re: Модернизация YERASOV 7000volt
« Ответ #24 : Октября 26, 2009, 08:31:50 »
у меня тоже была эта педаль. сломалась.  :(  Звук отличный. металзона рядом не валяецо. вот починю-буду опять через неё играть,если в лампу или гибрид-звучит отлично, в 100% транз незвучит