Автор Тема: Диоды шоттки в анодном выпрямителе и про емкости.  (Прочитано 3872 раз)

0 Пользователей и 1 Гость просматривают эту тему.

Оффлайн jriy51 Автор темы

  • Частый посетитель
  • **
  • Сообщений: 172
  • GuitarPlayer.Ru fan!
Собственно вопрос по применению диодов шоттки вместо кенотронов.
Вот такой диод 10ETS12
Максимальное постоянное обратное напряжение,В: 1200
Максимальное импульсное обратное напряжение,В: 1300
Максимальный прямой (выпрямленный за полупериод) ток,А: 10
Максимально допустимый прямой импульсный ток,А: 170
Максимальный обратный ток,мкА 25гр: 50
Максимальное прямое напряжение,В при 25гр.: 1.1
при Iпр.,А: 10
Реально или нет,у кого есть опыт?
Сохранятся ли все плюсы кенотронов.
« Последнее редактирование: Марта 14, 2015, 10:26:37 от jriy51 »

Оффлайн AZG

  • Живу на форуме
  • *******
  • Сообщений: 95681
  • Санкт-Петербург
    • AZG CUSTOM
Re: Диоды шотки в анодном выпрямителе
« Ответ #1 : Марта 14, 2015, 08:51:18 »
В любом случае эффект кенотрона уйдет если ставить диоды. С Шоттки получаем наименьший эффект как таковой.

Оффлайн jriy51 Автор темы

  • Частый посетитель
  • **
  • Сообщений: 172
  • GuitarPlayer.Ru fan!
Re: Диоды шоттки в анодном выпрямителе
« Ответ #2 : Марта 14, 2015, 09:00:11 »
С Шоттки получаем наименьший эффект как таковой.
Т.е. ближе к кенотронам,но все равно не то.

Проблема в трансе,нет середины.Лампа +диоды.
Ну наверное тоже не айс :).Тогда уж 4 шоттки  :hmmm:
« Последнее редактирование: Марта 14, 2015, 09:14:23 от jriy51 »

Оффлайн AZG

  • Живу на форуме
  • *******
  • Сообщений: 95681
  • Санкт-Петербург
    • AZG CUSTOM
Re: Диоды шоттки в анодном выпрямителе
« Ответ #3 : Марта 14, 2015, 09:17:06 »
jriy51, Наоборот, Шоттки дает наименьший возможный эффект. Стандартные диоды ближе.

И никаких проблем сделать мост кен+диоды если так уж надо...

Оффлайн jriy51 Автор темы

  • Частый посетитель
  • **
  • Сообщений: 172
  • GuitarPlayer.Ru fan!
Re: Диоды шоттки в анодном выпрямителе
« Ответ #4 : Марта 14, 2015, 09:30:25 »
Просто я озадачился прочитав вот это:

" Любой диод на основе PN перехода имеет такой неприятный эффект, как процесс обратного восстановления - т.е. рассасывание носителей в базовой области при приложении обратного потенциала после протекания прямого тока. Процесс этот очень быстрый - единицы мкс даже для медленных диодов, но, поскольку накопленный заряд может быть большим, то энергия обратного восстановления тоже велика. А это означает, что при закрывании диод генерирует в своей цепи большой по амплитуде и короткий во времени импульс тока, который, в свою очередь вызывает мощное излучение с тех цепей, что подключены к диоду, в т.ч., в конечном счете, и питающей сети. Дроссели, конденсаторы фильтров ничего не меняют - на таких частотах (а спектр обратного восстановления простирается до ДЕСЯТКОВ ГГц) просто не являются ни дросселями, ни конденсаторами
Указанные помехи наводятся на все вокруг, интермодулируют между собой, другими помехами, шумами на нелинейностях элементов и их продукты попадают в звуковой диапазон, повышая уровень интермодово-шумового пъедестала тракта и ухудшая субъективное звучание.
Способов борьбы есть несколько. Первый - это применение специальных цепей для поглощения энергии обратного восстановления, которые подключабтся непосредственно к диодам и представляют собой индуктивно-емкостные накопители. Применяют его в силовой технике, где из-за отсутствия иной элементной базы альтернативы просто не существует.
Второй - снижение плотности тока в pn переходе, т.к. накопленный заряд пропорционален ее квадрату. Он приводит к необходимости применения очень мощных приборов для питания даже слаботочных цепей и совершенно неразумен.
Третий - использование выпрямительных приборов не обладающих эффектом восстановления - это вакуумные диоды и диоды, основанные на эффекте Шоттки - образовании вентильного перехода типа металл-полупроводник. Последние как раз и называются диодами Шоттки."

Оффлайн Прохожий_

  • Эксперт
  • *****
  • Сообщений: 1955
    • Звукозапись и создание музыки
Re: Диоды шоттки в анодном выпрямителе
« Ответ #5 : Марта 14, 2015, 10:02:56 »
Чёто там аудиофилия какая-то. Я понимаю, искажения при переключении, когда ставят шоттки или шутнируют диоды конденсаторами. Но "рассасывание носителей на десятках гигагерц", это вообще пушка.

Оффлайн AZG

  • Живу на форуме
  • *******
  • Сообщений: 95681
  • Санкт-Петербург
    • AZG CUSTOM
Re: Диоды шоттки в анодном выпрямителе
« Ответ #6 : Марта 14, 2015, 10:08:37 »
jriy51, Тут важнее внутреннее сопротивление, а не восстановление.

Оффлайн jriy51 Автор темы

  • Частый посетитель
  • **
  • Сообщений: 172
  • GuitarPlayer.Ru fan!
Re: Диоды шоттки в анодном выпрямителе
« Ответ #7 : Марта 14, 2015, 10:23:24 »
jriy51, Тут важнее внутреннее сопротивление, а не восстановление.
Где то так и думал.
Благодарю всех за ответы.
« Последнее редактирование: Марта 14, 2015, 12:13:06 от jriy51 »

Оффлайн Pavel WOC

  • Эксперт
  • *****
  • Сообщений: 2789
  • GuitarPlayer.Ru fan!
    • World Of Covers
Re: Диоды шоттки в анодном выпрямителе
« Ответ #8 : Марта 14, 2015, 10:35:41 »
Чёто там аудиофилия какая-то. Я понимаю, искажения при переключении, когда ставят шоттки или шутнируют диоды конденсаторами. Но "рассасывание носителей на десятках гигагерц", это вообще пушка.
Согласен.

Оффлайн Vlds

  • Эксперт
  • *****
  • Сообщений: 2621
в гитарных делах кенотрон это скорее дань "трушности". А вот в хайэнд аудио кенотрон и первый после него кондёр ощутимо влияют на звук.

Оффлайн slonjara

  • Эксперт
  • *****
  • Сообщений: 1286
  • Эх щас наваляю........
В ректифаере разница слышна невооруженным ухом

Оффлайн non penis canina

  • Опытный
  • ****
  • Сообщений: 738
  • GuitarPlayer.Ru fan!
Таки да, разница есть, на уровне психосоматических нюансов, но если душу греет, то почему бы нет?

Оффлайн Прохожий_

  • Эксперт
  • *****
  • Сообщений: 1955
    • Звукозапись и создание музыки
Таки да, разница есть, на уровне психосоматических нюансов, но если душу греет, то почему бы нет?
Гугл: vacuum rectifier sag

Оффлайн Leronchik

  • Эксперт
  • *****
  • Сообщений: 1642
  • Отошёл ненадолго покурить...
Вроде в названии темы звучит слово емкости, хотя в обсуждении о них ни слова. Поэтому предлагаю обсудить мой вопрос здесь. Речь пойдет о каменных выпрямителях. Собрав некоторое количество усилителей заметил что не удается полностью побороть фон с указанными емкостями. Например последний случай, решил собрать я одну из версий Vox ac4, вот по этой схеме:
1519276-0
И все бы ничего, но с указанными емкостями 16 mkf фонило достаточно сильно. Пришлось увеличить емкость до 47 мкф. и тогда все затихло. Фон не прослушивается даже когда  ухо вплотную к динамику.
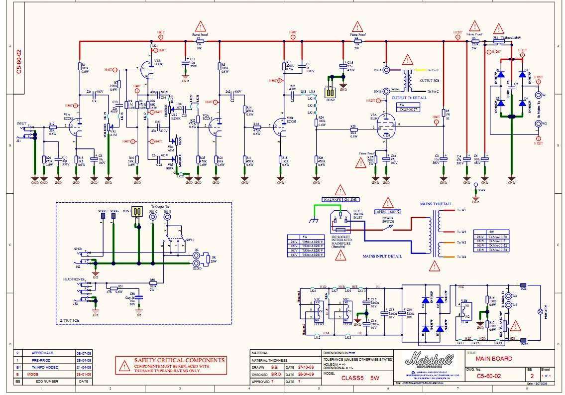
Другой пример, собирал как то marshall class 5 (есть соответствующая темка) схема:
1519278-1
С указанными на схеме емкостями был слышен заметный фон. Так как играю чаще всего дома, на маленькой громкости это напрягает. Все перепробовал и питание накала как в схеме постоянкой и оптимизировал монтаж.... пофик. Отключивши на секунду  провод от выпрямителя к первому сглаживающему конденсатору фон резко прекратился. Подключив параллельно одному из сглаживающих конденсаторов еще + 50 мкф фон утих. Добавил по 50 мкф каждому конденсатору выпрямителя, теперь первый (от диодного моста) 150 мкф, второй 100 мкф, в динамике практически тишина. Речь идет именно о фоне переменного тока , правильнее выразиться о всплесках оставшихся после выпрямления, а не о наводке, возбуде и т.д. ! В чем причина  ??? Почитаю форум, люди ставят небольшие емкостя и пишут что тишина. Почему же мне приходиться увеличивать емкости? , что в свою очередь якобы пагубно влияет на динамику, или что там?
Возможно проблема в том, что производители чаще всего применяют двухполупериодный выпрямитель со средней точкой, в моем случае применяется мостовой выпрямитель. Но как же тогда быть с class 5, там обычная мостовая схема и нет ни какой средней точки?
 
« Последнее редактирование: Апреля 16, 2015, 14:35:25 от Leronchik »

Оффлайн Denn

  • Ветеран форума
  • ******
  • Сообщений: 3340
  • είμαι ο μουσικός και ο ραδιομηχανίκός
С диодами хэдрум больше  :trollface: