Автор Тема: DSM & Humboldt Simplifier MkII Amp & Cab Simulator Pedal  (Прочитано 2159 раз)

0 Пользователей и 1 Гость просматривают эту тему.

Оффлайн ШИХ

  • Эксперт
  • *****
  • Сообщений: 1714
Re: DSM & Humboldt Simplifier MkII Amp & Cab Simulator Pedal
« Ответ #15 : Ноября 27, 2025, 20:13:40 »
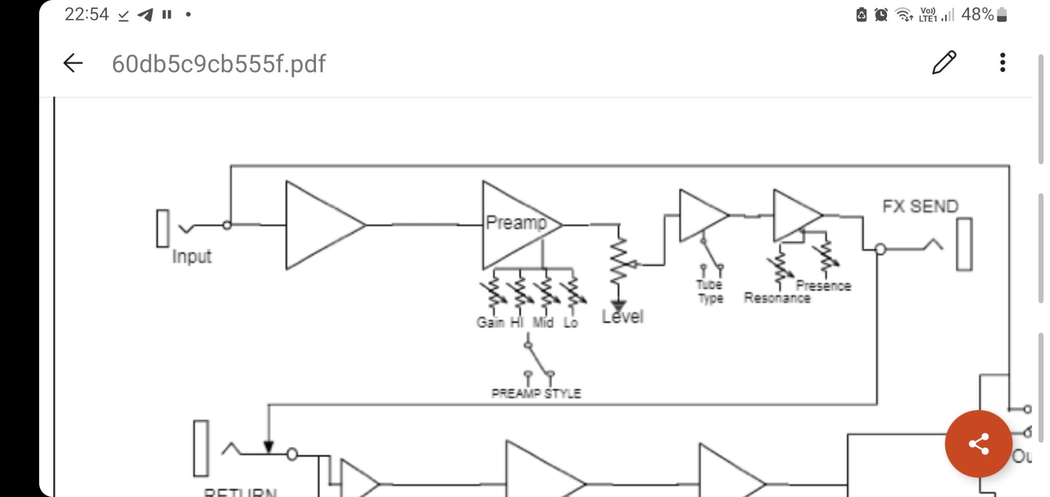
По мне мощник не грузился ни в оригинальном Simplifier, ни Simplifier Deluxe. Блок схему можно посмотреть с инструкции, петля вроде после мощника

Оффлайн Андрей Туманов

  • Опытный
  • ****
  • Сообщений: 925
  • xxxFoGxxx
    • Домашнее творчество
Re: DSM & Humboldt Simplifier MkII Amp & Cab Simulator Pedal
« Ответ #16 : Ноября 27, 2025, 20:57:24 »
Спасибо за наводку. Да, петля и в оригинале после мощника. Теперь уже вопрос к паяльщикам: Как врезаться после преампа?

Оффлайн ШИХ

  • Эксперт
  • *****
  • Сообщений: 1714
Re: DSM & Humboldt Simplifier MkII Amp & Cab Simulator Pedal
« Ответ #17 : Ноября 29, 2025, 15:30:33 »
Спасибо за наводку. Да, петля и в оригинале после мощника. Теперь уже вопрос к паяльщикам: Как врезаться после преампа?
https://www.freestompboxes.org/index.php?sid=c5da6762464f2d5b172a30489e612dd8