Форум гитаристов
У нас самая большая гитарная тусовка
Добро пожаловать,
Гость
. Пожалуйста,
войдите
или
зарегистрируйтесь
.
Не получили
письмо с кодом активации
?
1 час
1 день
1 неделя
1 месяц
Навсегда
В теме
В разделе
По форуму
Яндекс
Начало
Помощь
Поиск
Media
Пользователи
Общий список
Поиск пользователей
Вход
Регистрация
|
Размещение рекламы
Правила форума
Форум гитаристов
»
Оборудование
»
equipment.effects.amps
»
Тема:
Холодный байпас для Morley Mark Tremonti
« предыдущая тема
следующая тема »
Печать
Страницы: [
1
]
Вниз
Автор
Тема: Холодный байпас для Morley Mark Tremonti (Прочитано 745 раз)
0 Пользователей и 1 Гость просматривают эту тему.
Vonfrost
Частый посетитель
Сообщений: 117
Холодный байпас для Morley Mark Tremonti
«
:
Апреля 07, 2014, 17:29:32 »
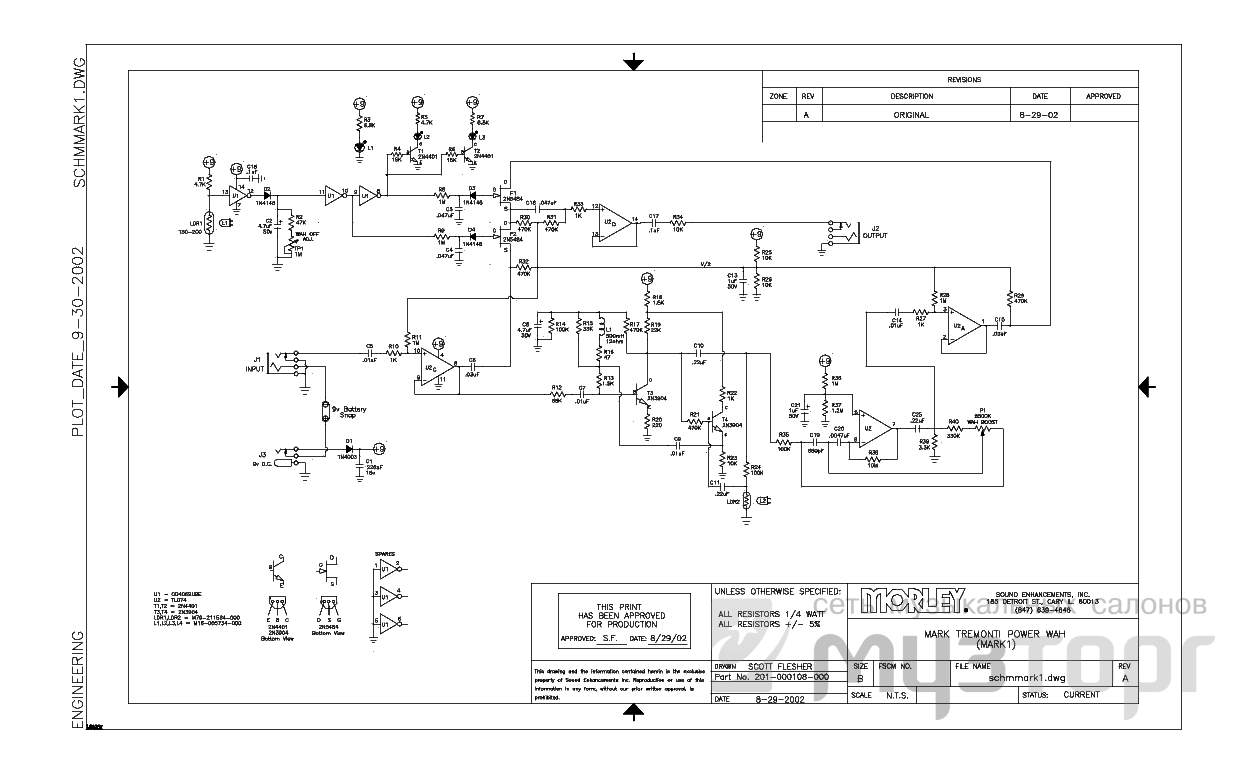
Всем привет. Подскажите, кто разбирается можно ли сделать в данном кваке холодный байпас. Вроде как в Bad Horsie байпас холодный (многие пишут, точно не знаю). В нете нашел такую схему. Буду благодарен любым советам по теме.
Записан
Aiecsan
Эксперт
Сообщений: 2929
Re: Холодный байпас для Morley Mark Tremonti
«
Ответ #1 :
Апреля 07, 2014, 18:01:44 »
Vonfrost,
а чем ГОРЯЧИЙ не подошёл.?
«
Последнее редактирование: Апреля 07, 2014, 18:55:28 от Aiecsan
»
Записан
Чем больше ЛАМП, тем лучше ЗВУК!
Vonfrost
Частый посетитель
Сообщений: 117
Re: Холодный байпас для Morley Mark Tremonti
«
Ответ #2 :
Апреля 07, 2014, 19:47:26 »
Горячий достаточно сильно подъедает звук.
Записан
Печать
Страницы: [
1
]
Вверх
« предыдущая тема
следующая тема »
Форум гитаристов
»
Оборудование
»
equipment.effects.amps
»
Тема:
Холодный байпас для Morley Mark Tremonti