Собственно сабж - мод MXR Berzerker Overdrive ZW44.
Цели:

1) заменить поганый HardWire bypass на True bypass
2) добавить мини тумблер для выбора режима Berzerker Overdrive <-> GT-OD (по сути небольшой буст громкости\нижней середины)
Очевидный вопрос - ЗАЧЕМ всё это?

Вся пакость Hardwire bypass заключается в том, что это ни разу не буфер и входной сигнал ВСЕГДА замкнут на вход схемы эффекта, а это значит, что педаль подъедат верха, даже если она выключена!
А если таких педалей в общей цепи несколько, то эффект подрезания верхов множится... но, видимо MXR на это покласть, ибо львиная доля их поделок сделано именно с таким "байпасом".
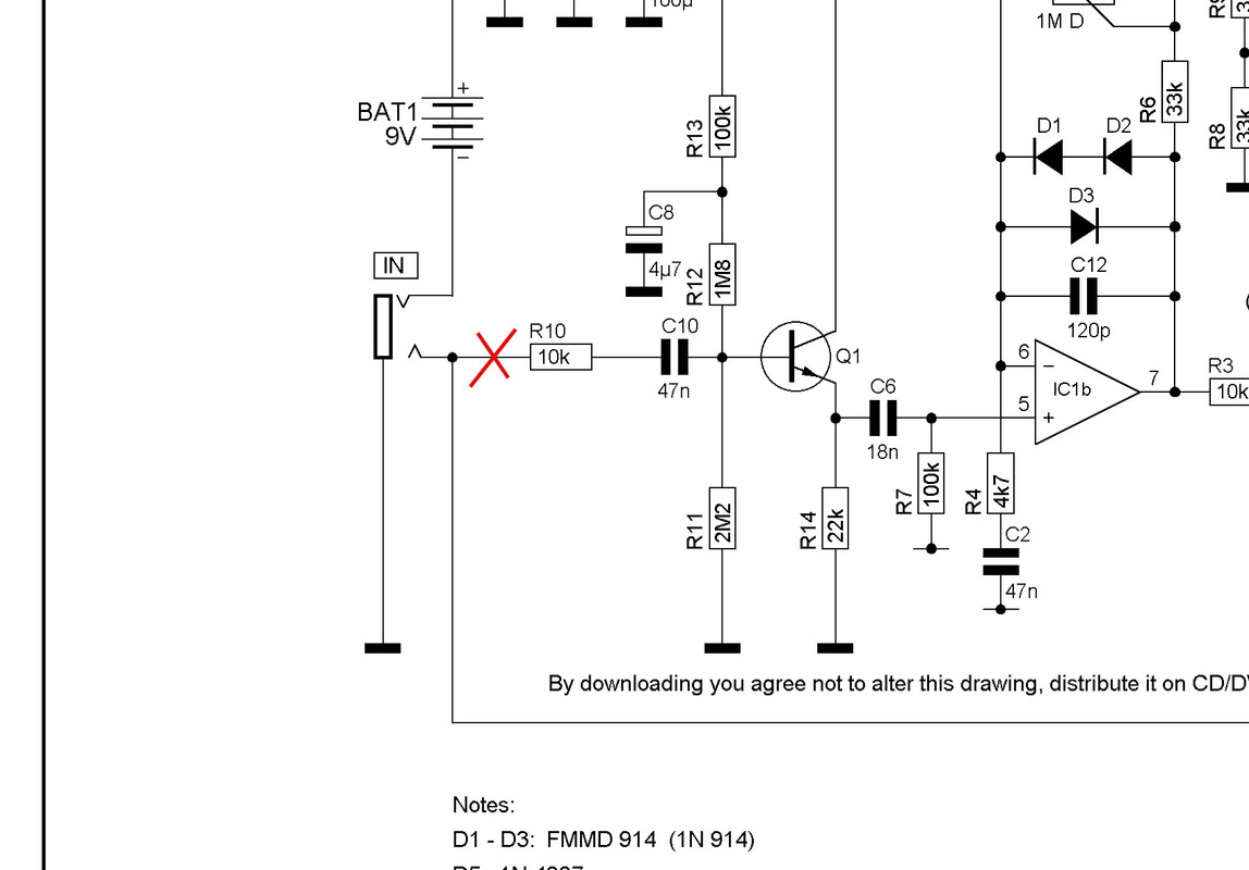
Принципиальная заводская схема:

За основу решения была взята забугорная статья "MXR Micro Amp True Bypass Modification", в рунете ничего похожего не нашел, увы...
https://mike-bland.com/2013/01/04/mxr-micro-amp-true-bypass.htmlИтак, снимаем крышку педали и видим сплошную смдшнину, что не есть гуд для каких либо модингов - очень уж геморно делать разрывы, делать впайки, очень легко оторвать какой либо компонент и т.д.

Наша основная задача разорвать цепь между входным гнездом и входом на схему (резистор R10):

Для того, чтоб после этого правильно замкнуть всю цепь нужна нормальная кнопка 3PDT и тут нас ждет подстава - для Hardwire байпаса
MXR используют свою "мега" кнопку, размером с паровоз:

а нам нужно использовать такую (причем желательно компактную версию):

Так что, как и в буржуской статье про модинг Micro Amp, нам придется выпиливать кусок платы, где впаяна родная кнопка MXR.
(правда пришлось сперва ее выпаять, угадив всё в ЛТИ))
Лично я выпиливал обычной ножовкой по металлу, отметив размер новой кнопки 3PDT.
После боковых вертикальных пропилов сделал подряд мелких дырок по горизонтальной отметине, аккуратно отломил и подточил надфилем.

желательно не отпилить дорожку от контакта (выделено желтым), иначе потом придется тянуть провод от кнопки через всю плату,
что собственно мне и пришлось сделать




Главное НЕ отпилить лишнего, особенно вглубь, чтобы не задеть дорожку от R16 до светодиода (она под надписью "... BOX 846 BENECIA, ...")
Далее делаем тот самый ключевой разрыв цепи на входе.
Вот тут то и начинаешь вспоминать всех родственников производителя за идею использовать SMD вместо обычных сквозных компонентов

Нужно очень аккуратно, например острым кончиком надфиля, "пропилить" дорожку между ножкой гнезда и R10.

Теперь можно впендюрить тумблер, который "поддаст газку" педали

Куда его вывести - не так принципиально, но я решил чуть ниже выходного гнезда.
Контакты для впайки подписаны на плате как JP2


По идее можно вообще впаять перемычку и не заморачиваться со сверлением корпуса и самим тумблером:

Далее начинаем примерять новую кнопку 3PDT и плату в установленном состоянии, всё ли подходит по размерам.
Ставим кнопку, фиксируем на нужной высоте, смотрим, не упирается ли где плата в ее ножки.
Если всё ок, то начинаем распаивать выводы с ножек кнопки по схеме:

Распаиваем так:



Ну, собственно, готово
