Приветствую, не знаю будет ли для кого актуально но я озадачился проблемой моддинга кабсима в этом преампе и путём недолгих поисков схемы замоделил его в EWB, сравнил ачх и в итоге что получилось:
1)

АЧХ с SS-30 без вмешательств частота среза 3.5 кГц, для многих звучит глуховато.
2)

То что получилось в EWB ачх болт в болт то что на живом аппарате
А теперь собственно к тому что можно поменять:

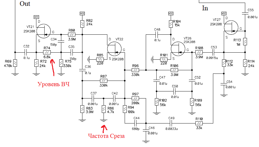
Собственно схема кабсима нас интересуют два резистора R86 4.7k и R74 6.8k, первый отвечает за частоту среза второй за уровень вч. Вместо них припаиваем два переменных резистора 20-25k линейные на проводах и пробуем по звучанию.

Где эти резисторы на плате, достаточно открутить крышку и уже получаем доступ к ним возле гнезда cab sim.
Результат замены в моём случае R74 330 Ом R86 3 кОм, если кому лень крутить и разбираться то можете поставить их и получите такую АЧХ:

Частота среза около 4.9 кГц, горб на 100 Гц там же(хотя как по мне его бы притушить, но пока не получилось кром как эквалайзером внешним)
По идее можно и дальше там докручивать, менять ёмкости играться с усилением и прочее, но как по мне при затратах в два резистора и 30 минут на эксперименты результат хороший. Надеюсь кого то натолкнёт на какие то мысли по поводу что ещё можно сделать или вообще это кому то надо.