Автор Тема: Обзор Kustom Tube 12A  (Прочитано 94869 раз)

0 Пользователей и 1 Гость просматривают эту тему.

Оффлайн Atom.ExE

  • Эксперт
  • *****
  • Сообщений: 1697
  • ............
Re: Обзор Kustom Tube 12A
« Ответ #15 : Февраля 03, 2009, 18:10:46 »
Поддерживаю автора, тоже приходилось иметь дело с малышом. Жаль ревера нет.

Оффлайн Wilbury

  • Завсегдатай
  • ***
  • Сообщений: 404
Re: Обзор Kustom Tube 12A
« Ответ #16 : Апреля 29, 2009, 18:06:20 »
Будучи обладателем аж двух Kustom Tube 12A, хотел бы добавить к обзору пару слов:

1. Звук в наушниках нормальный, но только на чистом звуке. Перегруз в наушники никакой.

2. Комб издает негромкое, но отчетливо слышимое электрическое гудение (типа 50 розеточных Герц), даже когда все регуляторы выкручены на ноль. Проверено на 3-х экземплярах. Совершенно одна и та же картина. Любопытно отметить, что гул появляется не сразу после включения, а секунд через 10-15, т.е. когда прогревается лампа. Отсюда мысль о том, что замена лампы на какую-нибудь брэндовую может дать заметный результат (об этом, кстати, пишут на Harmony Central). Есть утешительный момент. Громкость гула никак не зависит от положения ручек: что на нуле, что на десяти. Так что при игре на четверти громкости этого гула не слышно вообще.

В целом же поддерживаю мнение автора. Очень достойный аппарат за смешные деньги. Сравнивал, выставив в ряд и включая по очереди, с Roland Microcube, Roland Cube 15X, Kustom Dart 10 и Kustom Arrow 16. У обоих "роландов" звук очень чистый, но какой-то неживой. Dart 10 звучит как консервная банка и шумит. Arrow очень неплох, но, как мне показалось, громковат для игры дома. Так что мой выбор пал на Kustom Tube 12A, о чем ничуть не жалею.

Мне кажется, что этот комбик вполне раскрывает свой потенциал на высокой громкости. Что характерно, никаких дребезжаний и прочих непрятностей. Звук певучий и приятный как на чистом, так и на перегрузе.

Жаль одно: вместо стильного стеклянного индикатора сети в стиле Diamond (как на серии Arrow) производитель воткнул невзрачный пластмассовый колпачек (и это несмотря на то, что в инструкции был нарисован именно Diamond). Не с этим можно смириться. Особенно за эту цену.

Также для полноты ощущений выкладываю несколько фото.
« Последнее редактирование: Апреля 30, 2009, 10:56:26 от Wilbury »

Оффлайн Gorot

  • Новичок
  • *
  • Сообщений: 5
Re: Обзор Kustom Tube 12A
« Ответ #17 : Апреля 30, 2009, 11:55:20 »
Скажите пожалуйста, есть ли какая-то польза от лампы в нем?

Оффлайн Wilbury

  • Завсегдатай
  • ***
  • Сообщений: 404
Re: Обзор Kustom Tube 12A
« Ответ #18 : Апреля 30, 2009, 13:20:14 »
Да кто его знает. Звук, наверное, получше. Ну а о психологических преимуществах я вообще молчу.  :) Одним словом, хороший комб.

Скажите пожалуйста, есть ли какая-то польза от лампы в нем?

Оффлайн Че Бурашка Автор темы

  • Эксперт
  • *****
  • Сообщений: 1470
Re: Обзор Kustom Tube 12A
« Ответ #19 : Апреля 30, 2009, 20:02:57 »
Насчёт гула согласен, недавно тоже заметил. Правда он действительно негромкий, собственно я на него сначала даже внимания не обратил.
От лампы есть польза, не знаю насколько большая, но она определённо есть.

Оффлайн Kotjara

  • Ветеран форума
  • ******
  • Сообщений: 4071
  • МЯУ
Re: Обзор Kustom Tube 12A
« Ответ #20 : Мая 01, 2009, 20:04:01 »
Гул может быть результатом незаземлённых розеток.

Оффлайн Wilbury

  • Завсегдатай
  • ***
  • Сообщений: 404
Re: Обзор Kustom Tube 12A
« Ответ #21 : Мая 01, 2009, 20:35:15 »
У меня точно заземленная. Да еще и с сетевым фильтром. Кстати, что с фильтром, что без фильтра, - гудит одинаково. Для чистоты эксперимента я даже холодильник выключал! Никакого эффекта.

А замена лампы на более дорогую (качественную) может помочь?

Гул может быть результатом незаземлённых розеток.
« Последнее редактирование: Мая 01, 2009, 20:38:28 от Wilbury »

Оффлайн Kotjara

  • Ветеран форума
  • ******
  • Сообщений: 4071
  • МЯУ
Re: Обзор Kustom Tube 12A
« Ответ #22 : Мая 01, 2009, 20:40:30 »
У меня точно заземленная. Да еще и с сетевым фильтром. Кстати, что с фильтром, что без фильтра, - гудит одинаково. Для чистоты эксперимента я даже холодильник выключал! Никакого эффекта.

А замена лампы на более дорогую (качественную) может помочь?

Думаю нет.Раз гудит,значит такая тема.Может из-за питания в самом комбике.
Но можешь попробовать поменять и лампу,только не всегда дорогая=лучшая.

Оффлайн Intimidator

  • Ветеран форума
  • ******
  • Сообщений: 3269
Re: Обзор Kustom Tube 12A
« Ответ #23 : Мая 01, 2009, 21:43:05 »
перегруз в наушниках будет никакой, так как наврядли там комбоэмуляция есть, а чистый и будет звучать :) там песка нету

Оффлайн begmas

  • Опытный
  • ****
  • Сообщений: 566
Re: Обзор Kustom Tube 12A
« Ответ #24 : Мая 02, 2009, 16:38:12 »
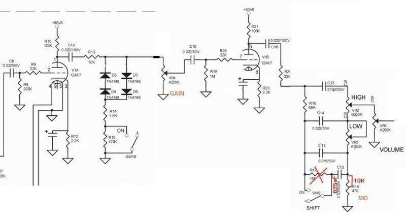
собираюсь брать этот усилок
нашел вот тему- мужик поменял схему на чамповскую

http://www.tdpri.com/forum/amp-central-station/133874-cheap-amp-mods-kustom-tube-12a.html
по схеме преампа видно что перегруз дает не совсем лампа а и диоды
такую переделку считаю не совсем логичной
думаю сделать так:
1. по схеме таки добавить средние частоты, это согласен
2. но темброблок без громкости перенести полностью за лампу и к нему добавить такую же громкость=
громкость оставленная будет гейном, а та что с темброблоком - мастергромкостью
3. номиналы менять считаю лишним, но тумблер перегруза и шифта оставить

итого получим 2 канала, на 1м только на большой громкости раньше можно было получить гейн, сейчас его можно получить поставив гейн(бывшую громкость) на максимум, но потом мастер громкость понизить, и будет натуральный ламповый перегруз

на 2м канале - то же самое больше гена - больше перегруза, но тут перегруз уже и благодаря диодам и благодаря лампе (можна кстати поиграть с диодами: германиевые или кремнивые)

полноценный темброблок с 3мя полосами и мастер громкостью позволяющей получать гейн на малой громкости и еще дополнительный тумблер сдвига середины

переделки копеечные - надо купить всего 2 потенциометра переменных, но эффект имхо огромен
« Последнее редактирование: Мая 02, 2009, 16:47:45 от begmas »

Оффлайн Gorot

  • Новичок
  • *
  • Сообщений: 5
Re: Обзор Kustom Tube 12A
« Ответ #25 : Мая 06, 2009, 18:11:26 »
Отпиши плиз что из этого вышло)

Оффлайн Demokrit

  • Завсегдатай
  • ***
  • Сообщений: 391
Re: Обзор Kustom Tube 12A
« Ответ #26 : Мая 06, 2009, 19:50:38 »
А может  кто нибудь сэмплы  скинуть,  для послушать?))

Оффлайн begmas

  • Опытный
  • ****
  • Сообщений: 566
Re: Обзор Kustom Tube 12A
« Ответ #27 : Мая 07, 2009, 01:30:27 »
та я пока ток собираюсь : )...
подумал немного еще
нету смысла переносить темброблок, оставить все как есть
все что имеет смысл менять - добавить потенциометр средних частот и потенциометр на мегом после 2й половинки лампы - это будет мастер-волюм

Оффлайн Demokrit

  • Завсегдатай
  • ***
  • Сообщений: 391
Re: Обзор Kustom Tube 12A
« Ответ #28 : Мая 07, 2009, 07:40:36 »
да хотел  семплы  хотяб обычного  не модеонезированого послушать)

Оффлайн Demokrit

  • Завсегдатай
  • ***
  • Сообщений: 391
Re: Обзор Kustom Tube 12A
« Ответ #29 : Мая 18, 2009, 14:56:08 »
а с метал зоной  и жукхамером хорошо дружит? можно  будет  типо такого звучания получить??)
Brendon Small Teaches deththeme
Pantera - Walk Cover