U - напряжение, I - сила тока, R - сопротивление, если не издеваешься.

"+" - это плюс, "-" - это минус. В принципе, тебе абсолютно не важно, где плюс, а где минус.
Важно только одинаково подключить динамики, чтобы они не работали в противофазе.
И еще важно не посадить случайно плюс на корпус, а то сгорит усилитель.
Вместо коробки можешь использовать чудо-пластинку или чудо изоленту даже, если не очень важен внешний вид.

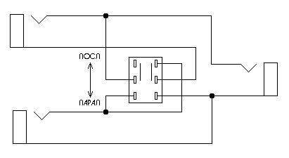
Проще сделать 4 джека и перетыкать провода при необходимости, чтобы не заморачиваться с тумблерами.
А еще лучше, определиться как втыкать будешь - последовательно или параллельно, и сделать сразу как надо.