Автор Тема: Усилитель 6 ламп 6п3с горят лампы раз в пол часа.  (Прочитано 3033 раз)

0 Пользователей и 1 Гость просматривают эту тему.

Оффлайн Borum321 Автор темы

  • Новичок
  • *
  • Сообщений: 10
  • GuitarPlayer.Ru fan!
Горят лампы даже при половине громкости. Теряют вакуум.
Напряжение холостого хода 450 вольт
Напряжение на аноде при работающих лампах - 380 вольт
Напряжение смещение на каждом плече - 23 вольта (или -23, не помню).
Все замеры при ручке громкости в ноль. С работающей гитарой не мерял ничего.

Трансформатор на 330 вольт. На шасси три регулировки:
1. Напряжение на накале ламп скорее всего ( из транса идут два провода на два крайних контакта потца, а оттуда идут контакты на накал предварительного и оконечного каскада. Но в то же время у транса есть и другие два вывода на 6.3 вольта которые идут на диодный мост и ВРОДЕ тоже на накал. но тут уже плохо помню)
2. Напряжение смещение общее
3. Баланс смещения для двух плеч.

Что мне надо отстроить что б лампы не летели? Играть буду в основном при максимальной громкости, так как люблю перегруженное звучание ламп. У знакомых тоже есть усилители на 6 лампах 6п3с, и ничего ни у кого не горит по нескольку лет подряд при максимальной громкости.

Предполагаю, что нужно повысить напряжение смещения, тем самым повысив напряжение на аноде до 390 - 400 вольт, и тем самым понизив ток на аноде? Лампы ведь горят из за увеличенного тока на аноде, или я не прав? Но тогда другая проблема - 400 вольт это предел лампы, хоть и ток спадет. Тоже настораживает.

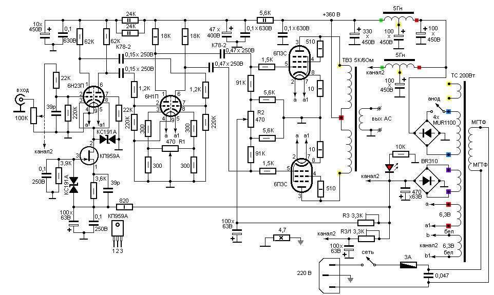
Вложенная схема - НЕ МОЕГО УСИЛИТЕЛЯ. Просто очень похожа если смотреть на оконечный каскад. НО НОМИНАЛЫ ВСЕ ДРУГИЕ НА СХЕМЕ, НЕ КАК У МЕНЯ.
« Последнее редактирование: Июля 21, 2017, 11:16:51 от Borum321 »

Оффлайн codygain

  • Опытный
  • ****
  • Сообщений: 953
  • Мастербилдер в мастерской Y-Workshop
    • Сайт компании
Так вы замерьте ток. На катоды ламп временно или навсегда вешается маленький резистор (обычно 1 ом) и меряется напряжение на нем.

... и добавил:

Если используются неподобранные лампы, то надо устанавливать по самой "горячей".
Чарты напряжений анода и тока можно, вероятно, найти в интернете или поглядеть на графике в даташите.
« Последнее редактирование: Июля 21, 2017, 11:35:38 от codygain »

Оффлайн Borum321 Автор темы

  • Новичок
  • *
  • Сообщений: 10
  • GuitarPlayer.Ru fan!
по чартам из интернета не особо понял, ибо конкретно моих напряжений там нет. Или просто плохо в графиках разбираюсь. Если можно, опишите кто нибудь подробнее как правильно выставить режим для 6п3с и где какие напряжения и токи должны быть исходя из тех замеров, которые я делал и описал выше. Ток анода еще не было возможности замерять, доступ к усилителю будет в понедельник.

... и добавил:


Если используются неподобранные лампы, то надо устанавливать по самой "горячей".

Как определить эту самую "горячую"? Где и что мерять?
« Последнее редактирование: Июля 22, 2017, 19:16:18 от Borum321 »

Оффлайн codygain

  • Опытный
  • ****
  • Сообщений: 953
  • Мастербилдер в мастерской Y-Workshop
    • Сайт компании
Цитировать
Как определить эту самую "горячую"? Где и что мерять?
На катоды ламп временно или навсегда вешается маленький резистор (обычно 1 ом) и меряется напряжение на нем. По нему определяется ток через лампу.

Оффлайн Borum321 Автор темы

  • Новичок
  • *
  • Сообщений: 10
  • GuitarPlayer.Ru fan!
спасибо, попробую. а какой ток считается нормальным? То есть каких параметров мне стоит добиться на самой горячей лампе?

Оффлайн codygain

  • Опытный
  • ****
  • Сообщений: 953
  • Мастербилдер в мастерской Y-Workshop
    • Сайт компании
35мА наверно.
https://robrobinette.com/Tube_Bias_Calculator.htm
Вот калькулятор.

Оффлайн Borum321 Автор темы

  • Новичок
  • *
  • Сообщений: 10
  • GuitarPlayer.Ru fan!
В калькуляторе напряжение на аноде писать которое холостого хода, то есть без ламп - 450 вольт, или со вставленными лампами, то есть 380 вольт?

Оффлайн Borum321 Автор темы

  • Новичок
  • *
  • Сообщений: 10
  • GuitarPlayer.Ru fan!
Поставил в разрыв между катодом и землей каждой дампы по резистору 1ом.

Начал мерять. В однлм плнче из 3х ламп показания токов такие:
1 лампа - скачет от 0 до 1000
2 лампа 35 мВ ровно
3 лампа  скачет  от 0 до  1000.

Смещение -28.  На каждой  лампе не мерял, только на первой. Местами лампы менять не пробовал.

Анод сделал +400
вторая сетка +395