Автор Тема: Вопрос начинающего,выпрямитель смещения,и все за усилитель.  (Прочитано 1023 раз)

0 Пользователей и 1 Гость просматривают эту тему.

Оффлайн jriy51 Автор темы

  • Частый посетитель
  • **
  • Сообщений: 172
  • GuitarPlayer.Ru fan!
Объединю темы,что-бы не плодить.
Лампами занимался в далеком детстве,году так 65.
Попросили сваять усилок для гитары.
Трансы нашел от венгерских усилителей.
Силовой ТН782/А
Выхотной ТР782/А
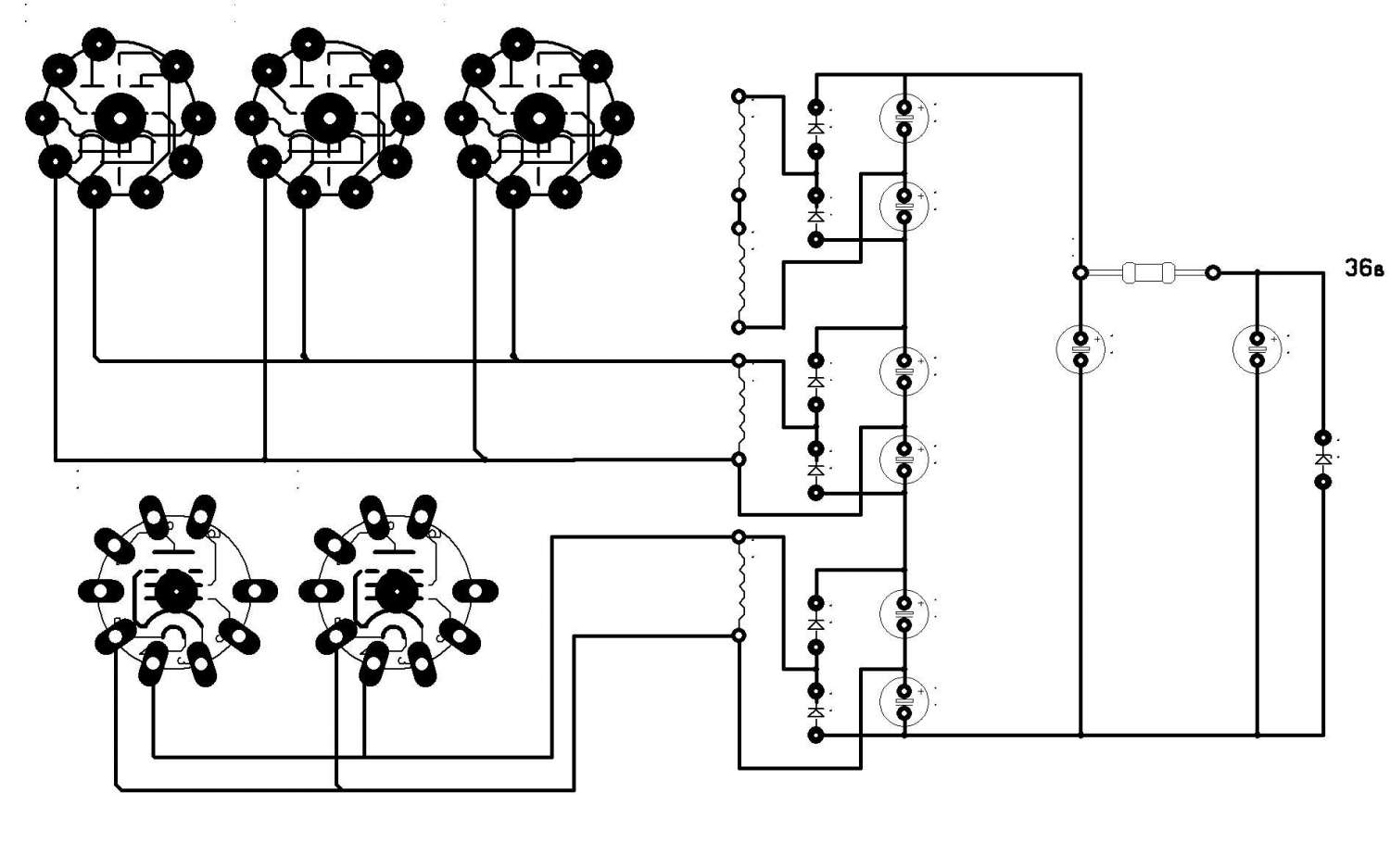
1,вопрос .Силовик не имеет обмотки смещения.
Брать с анодного,рассеиваемая мощность большая,на гасящем.
На трансе имеется четыре обмотки накала.
Две по 6в на х.х. и две 6.9 на х.х.
Прикинул схемку с удвоением.
Но вот накал,жизнеспособна схема?
Следующий вопрос.
Нашел старое звуковое оборудование,года 61 прошлого века.
Планки есть,дросселя по питанию,добротные,пропитаны парафиновой пропиткой 7Гн
Провод 0,35мм ,56 Ом.
И собственно :покупать все новое,из навесных,
или использовать старые но в прекрасном виде,зелененькие резисторы с плоскими выводами.
И емкости,вроде кгби.
Померил,номиналы не изменились.
« Последнее редактирование: Марта 15, 2015, 14:54:26 от jriy51 »

Оффлайн AZG

  • Живу на форуме
  • *******
  • Сообщений: 95713
  • Санкт-Петербург
    • AZG CUSTOM
Re: Вопрос начинающего,выпрямитель смещения.
« Ответ #1 : Марта 15, 2015, 10:40:24 »
Смотреть схему например Маршалл 2204 и сделать от анодки если есть центральный вывод. Ток потребления цепи смещения мизерный, ничего там греться не будет. 

Оффлайн jriy51 Автор темы

  • Частый посетитель
  • **
  • Сообщений: 172
  • GuitarPlayer.Ru fan!
Re: Вопрос начинающего,выпрямитель смещения.
« Ответ #2 : Марта 15, 2015, 10:47:21 »
Смотреть схему например Маршалл 2204 и сделать от анодки если есть центральный вывод. Ток потребления цепи смещения мизерный, ничего там греться не будет. 
Да нету центрального отвода,в чем и проблема.

Оффлайн AZG

  • Живу на форуме
  • *******
  • Сообщений: 95713
  • Санкт-Петербург
    • AZG CUSTOM
Re: Вопрос начинающего,выпрямитель смещения.
« Ответ #3 : Марта 15, 2015, 10:50:54 »
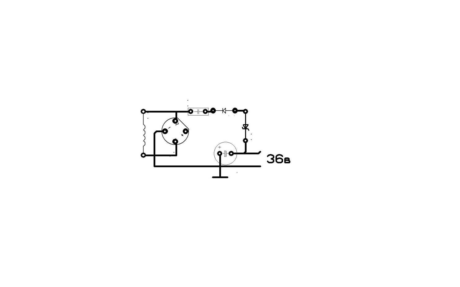
36В как формируется?

Если нет отвода и просто мост, тогда есть еще метод. Два конденсатора например на 0.1 мкФ на переменку, после кондеров обычный однополупериодный выпрямитель с гасящим резистором и стандартная схема смещения.

Оффлайн jriy51 Автор темы

  • Частый посетитель
  • **
  • Сообщений: 172
  • GuitarPlayer.Ru fan!
Re: Вопрос начинающего,выпрямитель смещения.
« Ответ #4 : Марта 15, 2015, 11:17:17 »
36В как формируется?
В приведенной схеме?
3 умножителя дают около 48 вольт,
дальше обычный параметрический стабилизатор.
Если нет отвода и просто мост, тогда есть еще метод. Два конденсатора например на 0.1 мкФ на переменку, после кондеров обычный однополупериодный выпрямитель с гасящим резистором и стандартная схема смещения.
А вот тут не понял :rolleyes:



... и добавил:

Примерно так
« Последнее редактирование: Марта 15, 2015, 16:58:07 от jriy51 »