Автор Тема: Фан-клуб гитар Ibanez  (Прочитано 1630025 раз)

0 Пользователей и 2 Гостей просматривают эту тему.

Оффлайн BADIM

  • Эксперт
  • *****
  • Сообщений: 1864
  • Будь Собой
Re: Фан-клуб гитар Ibanez
« Ответ #6795 : Ноября 25, 2012, 23:44:45 »
Ну катушки там значит перепутаны местами, или плюс с минусом перепутан

перепаяй так, как надо для QM.


... и добавил:

http://www.guitarelectronics.com/category/wiring_resources_guitar_wiring_diagrams.humbucker_wiring_color_codes/
« Последнее редактирование: Ноября 25, 2012, 23:58:40 от BADIM »

Оффлайн Максим Бескровный

  • Опытный
  • ****
  • Сообщений: 977
  • Не верю, что Marshall Guv'nor хорошая педаль
Re: Фан-клуб гитар Ibanez
« Ответ #6796 : Ноября 26, 2012, 01:50:05 »
BADIM, Ага спасибо за инфу. Значит, если перепутаны провода, то звук все-равно будет, но фиговый. Правильно?

Оффлайн Expelled13

  • Эксперт
  • *****
  • Сообщений: 1476
Re: Фан-клуб гитар Ibanez
« Ответ #6797 : Ноября 26, 2012, 05:15:35 »


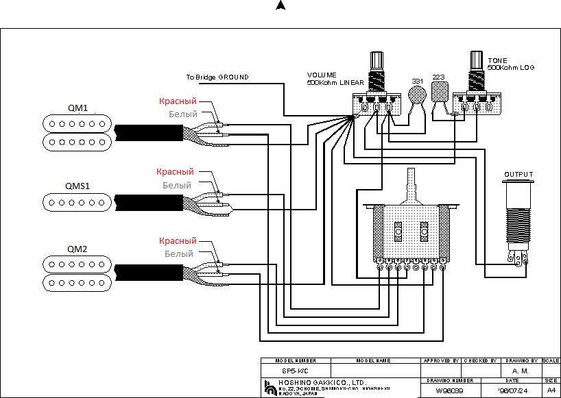
Мужики, подскажите, кто распайкой занимался. На моей вместо Inf'ов стоят QM1 и QM2, но все шумит, громкость прыгает при переключении (на бриджевом как-то тихо) нековый датчик выдает более высокий звук чем бриджевый. Короче распайка УГ :pozor:. Если верить схеме, то при распайке везде перепутан красный проводок с белым, причем красный везде припаян с экранировкой. Так вот вопрос, это действительно косяк? Т.е. что будет если провода перепутаны? Просто согласно схеме распайки Инфов все правильно, а схема для QM обозначена наоборот.
Максим Бескровный, Распаивать нужно по схеме QM, так как у INF как ты уже подметил провода обозначены наоборот. Красный нигде не должен, соприкасаться с землей,  потому что у QM это основной сигнал, а белый отсечка. Судя по тому, как там напаяли в основных позициях хамбы работают не полностью, а на отсечках.
« Последнее редактирование: Ноября 26, 2012, 07:05:24 от Expelled13 »

Оффлайн Максим Бескровный

  • Опытный
  • ****
  • Сообщений: 977
  • Не верю, что Marshall Guv'nor хорошая педаль
Re: Фан-клуб гитар Ibanez
« Ответ #6798 : Ноября 26, 2012, 16:10:45 »
Спасибо!) буду паять)

Оффлайн Expelled13

  • Эксперт
  • *****
  • Сообщений: 1476
Re: Фан-клуб гитар Ibanez
« Ответ #6799 : Ноября 26, 2012, 16:14:01 »
Максим Бескровный, Всегда, пожалуйста!

Оффлайн Tenet

  • Частый посетитель
  • **
  • Сообщений: 205
Re: Фан-клуб гитар Ibanez
« Ответ #6800 : Ноября 29, 2012, 23:37:00 »
В клубе! rga121 и k7. ещё rg2228 и ничего не надо:]

Оффлайн 2young4aka

  • Частый посетитель
  • **
  • Сообщений: 110
Re: Фан-клуб гитар Ibanez
« Ответ #6801 : Ноября 30, 2012, 05:18:47 »
Tenet, у нас купил или привез откуда?  :)

Оффлайн BADIM

  • Эксперт
  • *****
  • Сообщений: 1864
  • Будь Собой
Re: Фан-клуб гитар Ibanez
« Ответ #6802 : Ноября 30, 2012, 06:23:54 »
Tenet, Банку надо!)

Оффлайн Tenet

  • Частый посетитель
  • **
  • Сообщений: 205
Re: Фан-клуб гитар Ibanez
« Ответ #6803 : Ноября 30, 2012, 12:22:16 »
2young4aka 121 привезли. k7 в питере купил:)
Badim банка что есть такое? холоубоди что ле?:)

Оффлайн 4uma

  • Эксперт
  • *****
  • Сообщений: 1702
Re: Фан-клуб гитар Ibanez
« Ответ #6804 : Ноября 30, 2012, 15:08:50 »
https://guitarplayer.ru/index.php?topic=249063.0
не пойму, дорого чтоли  :hmmm: интересно, а за 1000 р взял бы кто-нибудь или тоже не нужна?

Оффлайн ExtremisT

  • Живу на форуме
  • *******
  • Сообщений: 24247
  • See you space cowboy
    • "Povezlo" band tribute page
Re: Фан-клуб гитар Ibanez
« Ответ #6805 : Ноября 30, 2012, 15:20:28 »
4uma, сфоткай нормально её, для начала ???

Оффлайн BADIM

  • Эксперт
  • *****
  • Сообщений: 1864
  • Будь Собой
Re: Фан-клуб гитар Ibanez
« Ответ #6806 : Ноября 30, 2012, 16:35:31 »
Tenet, ага. Оно самое!

Оффлайн David Jones

  • Эксперт
  • *****
  • Сообщений: 1933
Re: Фан-клуб гитар Ibanez
« Ответ #6807 : Ноября 30, 2012, 21:21:11 »
https://guitarplayer.ru/index.php?topic=249063.0
не пойму, дорого чтоли  :hmmm: интересно, а за 1000 р взял бы кто-нибудь или тоже не нужна?
Хорошие фотки в объяве — залог успеха. ))
За 15 т.р. уже точно уйдет, а в целом, тут у нас полно знатоков по ценам. ))

Оффлайн 4uma

  • Эксперт
  • *****
  • Сообщений: 1702
Re: Фан-клуб гитар Ibanez
« Ответ #6808 : Ноября 30, 2012, 21:30:35 »
я её за 15 купил без DiMarzio :hmmm:
да вообще-то мне незачем её продавать, она прикольная, просто 5 гитар у меня скопилось - это слишком... не тороплюсь особо её продавать, не купят - ничего страшного, найдётся и ей применение

у меня все гитары почти без фоток в теме продавались :crazy:

Оффлайн Tenet

  • Частый посетитель
  • **
  • Сообщений: 205
Re: Фан-клуб гитар Ibanez
« Ответ #6809 : Декабря 01, 2012, 02:56:04 »
Tenet, ага. Оно самое!
Понятно:) не. не любитель таких гитар:/