Форум гитаристов
У нас самая большая гитарная тусовка
Добро пожаловать,
Гость
. Пожалуйста,
войдите
или
зарегистрируйтесь
.
Не получили
письмо с кодом активации
?
1 час
1 день
1 неделя
1 месяц
Навсегда
В теме
В разделе
По форуму
Яндекс
Начало
Помощь
Поиск
Media
Пользователи
Общий список
Поиск пользователей
Вход
Регистрация
|
Размещение рекламы
Правила форума
Форум гитаристов
»
Оборудование
»
equipment.flame
(Модератор:
NT
) »
Тема:
помогите с распайкой звучков
« предыдущая тема
следующая тема »
Печать
Страницы: [
1
]
Вниз
Автор
Тема: помогите с распайкой звучков (Прочитано 1094 раз)
0 Пользователей и 1 Гость просматривают эту тему.
Adri@n
Новичок
Сообщений: 41
помогите с распайкой звучков
«
:
Июля 06, 2006, 12:28:34 »
купил ту недавно не дорогой ибанез и решил заменить родные звукосниматели
на Dimarzio(super distortion) и ( Fast Track 1 ) возникла проблема с установкой,
так как схемы распайки на мой свитч отсутствует на официальном сайте и в интернете
найти тоже не смог!
Помогите пожалуйста решить мою проблему.
(за ранее говорю в теме не срать и писать только по существу!!!)
За ранее всем благодарен!
вот фото внутренностей!!!
Записан
banez-7620(with Dimarzio Evolution)-Ibanez(unknown)- Dunlop-95Q- Guyatone Flip-MM-X-Custom Distortion-AMT(Dist Mashine)- Digitech GSP 21 PRO -- Yerasov GTA 200R->Bull412H(V)
Ilty
Эксперт
Сообщений: 1251
I'm Listening To You
Re: помогите с распайкой звучков
«
Ответ #1 :
Июля 06, 2006, 13:42:44 »
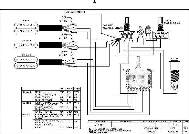
пользуйся
Записан
http://ilty.livejournal.com/
Играл в Downsteps.
Adri@n
Новичок
Сообщений: 41
Re: помогите с распайкой звучков
«
Ответ #2 :
Июля 06, 2006, 13:56:04 »
я канешна извеняюсь за ламеризм, но на этой схеме от звукаснимателя идут три провода(красный, белый, и экран)
а от димарзио идут 5 проводов (красный, белый, зеленый, черный, и экран), что делать с остольными проводами?
Записан
banez-7620(with Dimarzio Evolution)-Ibanez(unknown)- Dunlop-95Q- Guyatone Flip-MM-X-Custom Distortion-AMT(Dist Mashine)- Digitech GSP 21 PRO -- Yerasov GTA 200R->Bull412H(V)
Ilty
Эксперт
Сообщений: 1251
I'm Listening To You
Re: помогите с распайкой звучков
«
Ответ #3 :
Июля 06, 2006, 14:22:30 »
Посмотри распайку на сайте димарзио
Если сериес хамбакер, то 2 из них надо соединить, а другие 2 - вместо красного и белого
Записан
http://ilty.livejournal.com/
Играл в Downsteps.
Adri@n
Новичок
Сообщений: 41
Re: помогите с распайкой звучков
«
Ответ #4 :
Июля 06, 2006, 14:39:52 »
ОГРОМНОЕ ТЕБЕ ЧЕЛОВЕЧЕСКОЕ СПАСИБО, ВСЕ ЗАРАБОТАЛО ПРАВЕЛЬНО!!!! :-)
Записан
banez-7620(with Dimarzio Evolution)-Ibanez(unknown)- Dunlop-95Q- Guyatone Flip-MM-X-Custom Distortion-AMT(Dist Mashine)- Digitech GSP 21 PRO -- Yerasov GTA 200R->Bull412H(V)
Печать
Страницы: [
1
]
Вверх
« предыдущая тема
следующая тема »
Форум гитаристов
»
Оборудование
»
equipment.flame
(Модератор:
NT
) »
Тема:
помогите с распайкой звучков