Автор Тема: соединение девайсов. вопрос знатокам электроники  (Прочитано 1290 раз)

0 Пользователей и 1 Гость просматривают эту тему.

Оффлайн HazOff Автор темы

  • Частый посетитель
  • **
  • Сообщений: 197
имеется процессор и аналоговая педаль. при подключении их последовательно, либо замыливается звук педали, либо невозможно использовать большинство эффектов процессора (они должны быть Перед перегрузом) и усиливается его шипение (процессора). Хочу подавать сигнал с гитары на одно из этих устройств, но чтобы использовать их оба (по отдельности). Придумал вот такую схему.
У меня получается так, что надо нажимать сразу 2 кнопки.
вопрос: - можно ли использовать лишь одну кнопку?
             - можно ли сделать параллельное подключение обоих устройств в данной схеме и как это сделать?



Оффлайн AZG

  • Живу на форуме
  • *******
  • Сообщений: 95660
  • Санкт-Петербург
    • AZG CUSTOM
Коробочка называется Лупер. Сделать реально.

1. Если не надо делать когда оба девайса вместе, тогда можно сделать так:
- первая кнопка включает или отключает всю цепочку
- вторая переключает проц-примочь

2. Параллельно не вижу смысла.

Оффлайн HazOff Автор темы

  • Частый посетитель
  • **
  • Сообщений: 197
Спасибо! покажи пожалуйста на схеме, как это сделать

Оффлайн AZG

  • Живу на форуме
  • *******
  • Сообщений: 95660
  • Санкт-Петербург
    • AZG CUSTOM
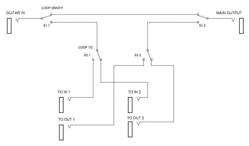
Вот, смотри схему...

Оффлайн HazOff Автор темы

  • Частый посетитель
  • **
  • Сообщений: 197
тааакккс.. масса (в оплётке) везде одна на всех узлах?

а вкл-выкл всей цепи мне не надо, наверное. Надо чтоб или тапка или проц.

Оффлайн AZG

  • Живу на форуме
  • *******
  • Сообщений: 95660
  • Санкт-Петербург
    • AZG CUSTOM
Это ты уж сам решай, что надо и чего не надо.

Оффлайн HazOff Автор темы

  • Частый посетитель
  • **
  • Сообщений: 197
Спасибо добрый человек)

Оффлайн HazOff Автор темы

  • Частый посетитель
  • **
  • Сообщений: 197
AZG -  Параллельно не вижу смысла.
всё таки смысл есть. зачем же на нектр процах идёт смешение 2 сигналов с 2 усилителей или эти 2 сигнала подаются на правый и левый каналы? :)
я тоже хочу поэксперементировать. только не знаю как это сделать на одном переключателе(((
Азнаур, помоги?

Оффлайн AZG

  • Живу на форуме
  • *******
  • Сообщений: 95660
  • Санкт-Петербург
    • AZG CUSTOM
В таком случае требуется микширование и простыми кнопками не обойдешься.

Оффлайн HazOff Автор темы

  • Частый посетитель
  • **
  • Сообщений: 197
понятно. спасибо