Форум гитаристов
У нас самая большая гитарная тусовка
Добро пожаловать,
Гость
. Пожалуйста,
войдите
или
зарегистрируйтесь
.
Не получили
письмо с кодом активации
?
1 час
1 день
1 неделя
1 месяц
Навсегда
В теме
В разделе
По форуму
Яндекс
Начало
Помощь
Поиск
Media
Пользователи
Общий список
Поиск пользователей
Вход
Регистрация
|
Размещение рекламы
Правила форума
Форум гитаристов
»
Оборудование
»
equipment.guitars
(Модератор:
NT
) »
Тема:
Срочно нужна схема распайки Ibanez USRG 10!
« предыдущая тема
следующая тема »
Печать
Страницы: [
1
]
Вниз
Автор
Тема: Срочно нужна схема распайки Ibanez USRG 10! (Прочитано 2038 раз)
0 Пользователей и 1 Гость просматривают эту тему.
vg05
Новичок
Сообщений: 76
Срочно нужна схема распайки Ibanez USRG 10!
«
:
Июля 17, 2012, 20:27:28 »
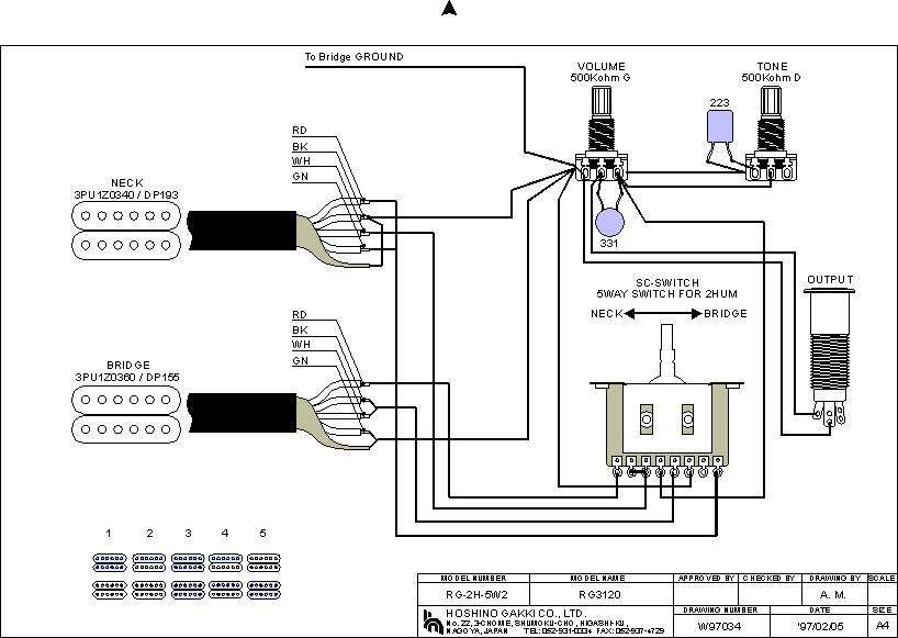
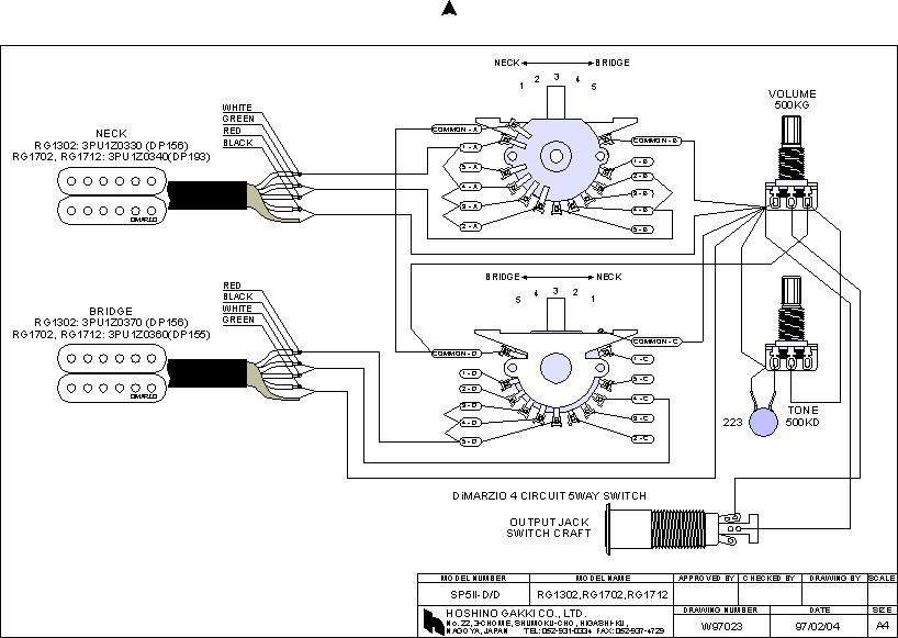
Срочно нужна схема распайки Ibanez USRG 10! Помогите кто чем может, нашел пару схем, вроде похожи, но не уверен (см. картинку ниже)
В итоге нужен переключатель датчиков, где такой взять?
Заранее спасибо
Записан
Villa Grinch
Печать
Страницы: [
1
]
Вверх
« предыдущая тема
следующая тема »
Форум гитаристов
»
Оборудование
»
equipment.guitars
(Модератор:
NT
) »
Тема:
Срочно нужна схема распайки Ibanez USRG 10!