Автор Тема: Три датчика одним переключателем. Это как?  (Прочитано 2059 раз)

0 Пользователей и 1 Гость просматривают эту тему.

Оффлайн zav Автор темы

  • Ветеран форума
  • ******
  • Сообщений: 3674
  • Страдаю брендофилией в тяжёлой форме.
Интересует такой вопрос.
Как осуществляется коммутация на гитарах типа Firebird VII, SG Custom и пр.?
Одним словом , датчика три, а переключатель один.

« Последнее редактирование: Января 22, 2010, 07:34:57 от zav »

Оффлайн Miks-Rider495

  • Ветеран форума
  • ******
  • Сообщений: 6688
Re: Три датчика одним переключателем. Это как?
« Ответ #1 : Января 18, 2010, 13:29:21 »
zav, у меня гибсона такого не было, было 2 реплики китайская и японская, помню что на китайце включался в среднем положении N+M, я переделал так что пушпулом включал средний датчик в среднее положение и получились такие комбинации:
1-N
2-N+B
3-B

и с подключением среднего датчика:
1-N+M
2-N+M+B
3-M+B

Оффлайн zav Автор темы

  • Ветеран форума
  • ******
  • Сообщений: 3674
  • Страдаю брендофилией в тяжёлой форме.
Re: Три датчика одним переключателем. Это как?
« Ответ #2 : Января 18, 2010, 13:35:09 »
На оригиналах пуш-пула нет, скорее всего.
Вот я и интересуюсь.
Вроде читал, что нек и миддл всегда вместе, но не уверен.
« Последнее редактирование: Января 18, 2010, 13:36:56 от zav »

Оффлайн Dark Elf

  • Эксперт
  • *****
  • Сообщений: 2103
Re: Три датчика одним переключателем. Это как?
« Ответ #3 : Января 18, 2010, 13:39:00 »
На оригиналах пуш-пула нет, скорее всего.
Вот я и интересуюсь.
Вроде читал, что нек и миддл всегда вместе, но не уверен.
3 позиции переключателя - 1я neck, 2я middle, 3я bridge. Где-то читал, но точно не помню, сам с трёххамбакерными не сталкивался.

Оффлайн zav Автор темы

  • Ветеран форума
  • ******
  • Сообщений: 3674
  • Страдаю брендофилией в тяжёлой форме.
Re: Три датчика одним переключателем. Это как?
« Ответ #4 : Января 18, 2010, 13:40:01 »
Не может быть.
Переключатель стандартный.

Оффлайн HardRockMan

  • Живу на форуме
  • *******
  • Сообщений: 8471
  • Пэтэушник
Re: Три датчика одним переключателем. Это как?
« Ответ #5 : Января 18, 2010, 13:40:15 »
Где-то писали уже несколько раз, что в среднем положении нековый и средний. В крайних положениях как обычно - либо бриджевый, либо нековый. В общем, как у Miks-Rider495 на китайце

Оффлайн zav Автор темы

  • Ветеран форума
  • ******
  • Сообщений: 3674
  • Страдаю брендофилией в тяжёлой форме.
Re: Три датчика одним переключателем. Это как?
« Ответ #6 : Января 18, 2010, 13:41:10 »
Сам подумай, как это может быть?

Оффлайн HardRockMan

  • Живу на форуме
  • *******
  • Сообщений: 8471
  • Пэтэушник
Re: Три датчика одним переключателем. Это как?
« Ответ #7 : Января 18, 2010, 13:42:47 »
zav, стандартный переключатель - трехпозиционный :pozor:

Оффлайн zav Автор темы

  • Ветеран форума
  • ******
  • Сообщений: 3674
  • Страдаю брендофилией в тяжёлой форме.
Re: Три датчика одним переключателем. Это как?
« Ответ #8 : Января 18, 2010, 13:45:18 »
Это ты правильно лицо прикрыл. Стыдно. ;D
На стандартный переключатель можно припаять ДВА датчика.
А ещё эксперт....
1. N
2. N+B
3. B
« Последнее редактирование: Января 18, 2010, 14:00:08 от zav »

Оффлайн Miks-Rider495

  • Ветеран форума
  • ******
  • Сообщений: 6688
Re: Три датчика одним переключателем. Это как?
« Ответ #9 : Января 18, 2010, 13:50:09 »
На стандартный переключатель можно припаять ДВА датчика.

zav, на стандартный можно припаять 3 датчика, но средний при этом будет всегда работать

Оффлайн zav Автор темы

  • Ветеран форума
  • ******
  • Сообщений: 3674
  • Страдаю брендофилией в тяжёлой форме.
Re: Три датчика одним переключателем. Это как?
« Ответ #10 : Января 18, 2010, 13:53:02 »
Ясное дело. Разговор о стандартной схеме.
Можно и четыре припаять.
Тогда лишние два будут всегда работать. ;D

Короче, нужен обладатель гитары.

Скорее всего, миддл впаян на постоянку.

1. N+M
2. N+M+B
3. M+B

Нафига этот третий  при таком включении ?
« Последнее редактирование: Января 18, 2010, 14:01:28 от zav »

Оффлайн Smoked Gun

  • Эксперт
  • *****
  • Сообщений: 2981
  • --=@=--
Re: Три датчика одним переключателем. Это как?
« Ответ #11 : Января 18, 2010, 14:06:25 »
мидл регулируется ручкой громкости из любого положения
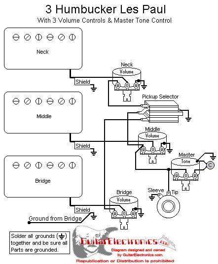
http://static.zoovy.com/img/guitarelectronics/-/wdu_hhh3t22_01

У Пэйджа 6-и позиционный
http://www.gbase.com/files/store_images/gear/2245239/p1_uvfkmrne3_so.jpg

достоверно известно что на потенциометрах?
« Последнее редактирование: Января 18, 2010, 14:08:50 от Smoked Gun »

Оффлайн zav Автор темы

  • Ветеран форума
  • ******
  • Сообщений: 3674
  • Страдаю брендофилией в тяжёлой форме.
Re: Три датчика одним переключателем. Это как?
« Ответ #12 : Января 18, 2010, 14:08:40 »
Во!
Пошёл материал. Спасибо.
Правильно. Нек впаян на постоянку через потц.
Общий тон.
« Последнее редактирование: Января 18, 2010, 14:17:28 от zav »

Оффлайн Miks-Rider495

  • Ветеран форума
  • ******
  • Сообщений: 6688
Re: Три датчика одним переключателем. Это как?
« Ответ #13 : Января 18, 2010, 14:10:35 »
zav,

на «черную красавицу» стали устанавливать три датчика, но при этом стандартный трехпозиционный переключатель не мог обеспечить все сочетания звукоснимателей (на некоторых моделях «нейтральное» положение тумблера соответствовало сочетанию бриджевого и центрального хамбаккеров, на других – только центрального).


http://209.85.129.132/search?q=cache:zhTm74qnHDgJ:guitarism.ru/notes/4545+%D1%82%D1%80%D0%B8+%D0%B4%D0%B0%D1%82%D1%87%D0%B8%D0%BA%D0%B0+%D0%BD%D0%B0+%D0%B3%D0%B8%D1%82%D0%B0%D1%80%D0%B0%D1%85+Gibson&cd=8&hl=ru&ct=clnk&gl=ru

Оффлайн zav Автор темы

  • Ветеран форума
  • ******
  • Сообщений: 3674
  • Страдаю брендофилией в тяжёлой форме.
Re: Три датчика одним переключателем. Это как?
« Ответ #14 : Января 18, 2010, 14:12:32 »
Miks-Rider495,
нафиг такие варианты....

У Smoked Gun всё логично и приемлимо.
Миддл подмешивается через потц. Отдельно не работает.


Smoked Gun, спасибо.
« Последнее редактирование: Января 18, 2010, 14:32:37 от zav »