Автор Тема: Как правильно распаять датчики Artec  (Прочитано 2626 раз)

0 Пользователей и 1 Гость просматривают эту тему.

Оффлайн Guitarwalker Автор темы

  • Частый посетитель
  • **
  • Сообщений: 248
Как правильно распаять датчики Artec
« : Сентября 14, 2012, 19:20:33 »
Вопрос вот в чем.Хотел распаять Артековские 4х проводные датчики по схеме Ibanez RG3120.Но там цвета проводов отличаются от Димарзио.У Димарзио RED,BLACK+WHITE,GREEN.На Артеках outside,RED inside GREEN,outside WHITE,inside BLACK.красный и белый вместе.Получается что на Артеках идет по порядку RED,GREEN,WHITE,BLACK?и нужно просто провода местами по схеме поменять?
Пробовал в таком варианте RED,GREEN,WHITE,BLACK ,в 4 положении там где две отсечки работает нэковый и в 5 нэковый,а так вроде все правильно.С вариантом GREEN.RED.WHITE.BLACK вобще вариант не понятный получился как будто везде отсечки.Подскажите как правильно?

Оффлайн Человек без имени

  • Ветеран форума
  • ******
  • Сообщений: 3260
Re: Как правильно распаять датчики Artec
« Ответ #1 : Сентября 14, 2012, 19:24:36 »
Если есть мультиметр, то проще промерять концы.

Оффлайн Guitarwalker Автор темы

  • Частый посетитель
  • **
  • Сообщений: 248
Re: Как правильно распаять датчики Artec
« Ответ #2 : Сентября 14, 2012, 19:37:09 »
Там одна катушка начало GREEN конец RED,вторая начало BLACK конец WHITE.Концы белый и красный были спаяны,я их разъединил.Горячий провод GREEN земля BLACK это если 2х проводной вариант.У Димарзио горячий RED и земля GREEN.

Оффлайн Человек без имени

  • Ветеран форума
  • ******
  • Сообщений: 3260
Re: Как правильно распаять датчики Artec
« Ответ #3 : Сентября 14, 2012, 20:19:48 »
Там одна катушка начало GREEN конец RED,вторая начало BLACK конец WHITE.Концы белый и красный были спаяны,я их разъединил.Горячий провод GREEN земля BLACK это если 2х проводной вариант.У Димарзио горячий RED и земля GREEN.
Так в мануале к самим артекам написано?

Оффлайн Guitarwalker Автор темы

  • Частый посетитель
  • **
  • Сообщений: 248
Re: Как правильно распаять датчики Artec
« Ответ #4 : Сентября 14, 2012, 21:41:43 »
да.на коробке схема нарисована с проводами.
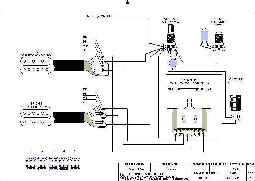
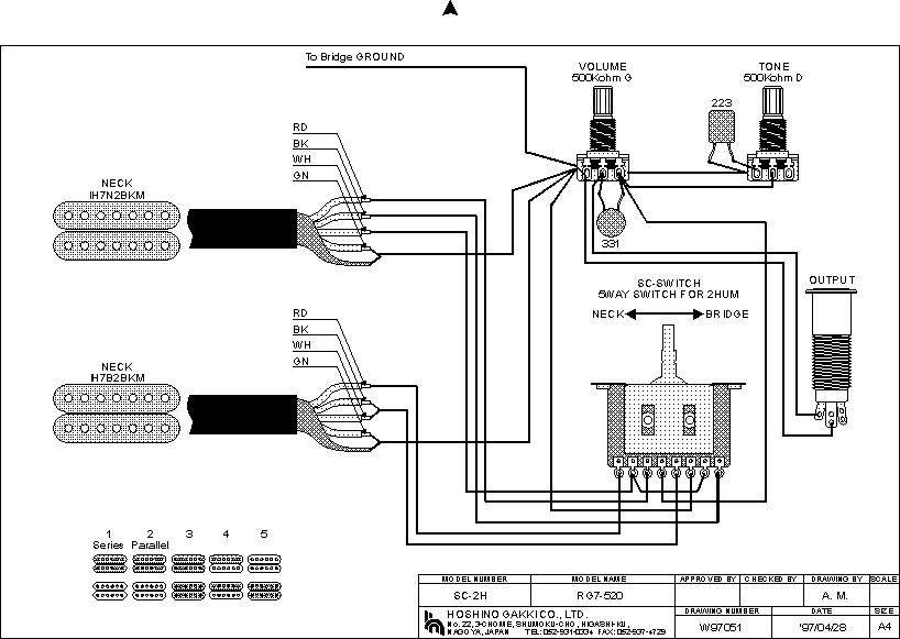
вот еще схема не плохая,в первом и втором положении бриджевый параллельно и последовательно.
ее бы лучше спаять применительно к Артековским звучкам.просто мне нужно узнать какие провода у Димарзио начало и конец катушки...
« Последнее редактирование: Сентября 14, 2012, 21:45:43 от Guitarwalker »

Оффлайн Человек без имени

  • Ветеран форума
  • ******
  • Сообщений: 3260

Оффлайн Guitarwalker Автор темы

  • Частый посетитель
  • **
  • Сообщений: 248
Re: Как правильно распаять датчики Artec
« Ответ #6 : Сентября 15, 2012, 05:29:50 »
Ок.Спасибо.Просто местами провод на схеме поменяю и спаяю как надо.Значит у Артеков правильно GREEN RED WHITE BLACK

Оффлайн Guitarwalker Автор темы

  • Частый посетитель
  • **
  • Сообщений: 248
Re: Как правильно распаять датчики Artec
« Ответ #7 : Сентября 24, 2012, 18:59:41 »
все же правильная распайка такая же как у Seymour Duncan :)

Оффлайн Butterscotch

  • Опытный
  • ****
  • Сообщений: 922
  • MELODY MAKER SPECIAL
Re: Как правильно распаять датчики Artec
« Ответ #8 : Сентября 24, 2012, 21:23:21 »
Артэк рекомендует  вот так  http://www.artecsound.com/wiring/wiring_book01.pdf
Сигнальный зеленый, а у сеймуров черный, или ты про что ???

Оффлайн Terravill

  • Ветеран форума
  • ******
  • Сообщений: 6476
  • А ты купил Gibson Melody Maker Special?
Re: Как правильно распаять датчики Artec
« Ответ #9 : Сентября 24, 2012, 21:26:15 »
не знаю как на новых, на старых схема была аналогичной СД

Оффлайн Guitarwalker Автор темы

  • Частый посетитель
  • **
  • Сообщений: 248
Re: Как правильно распаять датчики Artec
« Ответ #10 : Сентября 24, 2012, 23:00:44 »
все таки черный сигнальный как на сеймурах.

Оффлайн Butterscotch

  • Опытный
  • ****
  • Сообщений: 922
  • MELODY MAKER SPECIAL
Re: Как правильно распаять датчики Artec
« Ответ #11 : Сентября 24, 2012, 23:39:04 »
Возможно это особенность твоего датчика :rolleyes:
Какой у тебя датчик? У меня в бридже Artec MCH-1CR bridge (Modern Custom Humbucker) распаян по схеме, в смысле зеленый сигнальный, черный на землю, звучит отлично ;)