Автор Тема: Продолжение темы распайки Ibanez 270  (Прочитано 1326 раз)

0 Пользователей и 1 Гость просматривают эту тему.

Оффлайн gortef Автор темы

  • Новичок
  • *
  • Сообщений: 17
Продолжение темы распайки Ibanez 270
« : Апреля 01, 2009, 21:40:32 »
Значит народ дело такое.... Я уже как то поднимал здесь тему о распайки своей гитары, так вот хочу еще раз поднять ее.
Дело вот в чем, был у меня свитч стандартный на гитаре ibanez 270 где контакты на нем шли в ряд и поять на такой свитч провода очень не удобно... В итоге когда помучавшись я спаял все таки звучки на гитаре, но спаял черт знает как, начал перепаивать, чтоб работали все звукари, в итоге свитч наебнул (сломал)...
Купил сейчас новый фендеровский 5 позиционный
Вот ссылка
http://muztorg.ru/cat/details/19711

В итоге все спаял но на неке хамб звучит будто на половину, больно звук синглом попахивает...
Короче опять, что то намудрил, а хотел чтоб с отсечкой было тобишь
1.Бридж хамб
2.Бридж хамб+сингл
3.Синг
4.Синг+некк хамб
5.Некк хамб

Бриджевый датчик спаял по схеме сеймуровской, там как раз дана схема под мой свитч, а остальные звучки тупо на угад...

Вообщем скажу сразу, что в позиции бриджа (у машинки) стоит сеймур, он имеет пять проводов, один из них оголенный (заземление)
далее черный, красный, белый, зеленый.

В позиции мидл (синг) стоит стандартный датчик (фирмы Портлад или как там его) имеет 3 провода (белый и 2-ва черных). Один из черных проводов с клемой прикручен к деке гитары, я так понял его надо на массу...

В нековой позиции (у грифа) стоит тоже стандариный датчик имеет 3 провода (белый, красный, черный)
Свитч 5 позиционник фендер, ссылка наверху...
Заранее благодарен...
« Последнее редактирование: Апреля 01, 2009, 21:42:31 от gortef »

Оффлайн growler

  • Новичок
  • *
  • Сообщений: 66
Re: Продолжение темы распайки Ibanez 270
« Ответ #1 : Апреля 28, 2009, 20:21:17 »
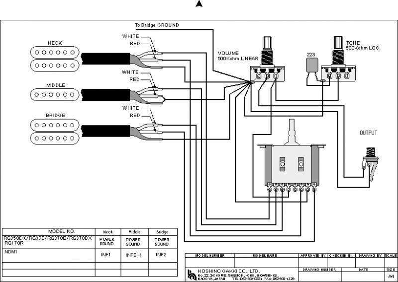
вроде эта схема подходит к 270

Оффлайн gortef Автор темы

  • Новичок
  • *
  • Сообщений: 17
Re: Продолжение темы распайки Ibanez 270
« Ответ #2 : Апреля 28, 2009, 21:45:58 »
Ну эта схема у меня уже есть.
А так же товарищь надо читать пост нормально, чтоб понять что я именно хотел.
1. У меня свитч (тумблер) переключатель звучков другой, нежели на картинке.
2.В бридже у меня стоит совершенно другой датчик.
3. Я уже сам спаял методом тыка с раза пятого, теперь все нормально.
Так что growler ты опоздал с ответом...

Оффлайн growler

  • Новичок
  • *
  • Сообщений: 66
Re: Продолжение темы распайки Ibanez 270
« Ответ #3 : Апреля 29, 2009, 00:06:21 »
Ты бы хоть за попытку помочь спс сказал бы :( А если опаздал,так какого хера ты тему неудаляешь?

Оффлайн gortef Автор темы

  • Новичок
  • *
  • Сообщений: 17
Re: Продолжение темы распайки Ibanez 270
« Ответ #4 : Апреля 29, 2009, 06:34:52 »
Ну за картинку спасибо, хотя за это спасибо не говорят, так как эта схема скаченная с ibanez.com
И все знают где ее можно скачать. Другой вопрос подходит ли она или нет...
И к тому же ты бы пост мой первый бы прочел для начала, а потом давал точный материал, схемы описания итд...
А тему не удаляю пото му, что не знаю как, а разбираться в лом.
Только прошу не надо меня сейчас лечить и указывать мне что да и как....
Желаю Удачи!!!

Оффлайн growler

  • Новичок
  • *
  • Сообщений: 66
Re: Продолжение темы распайки Ibanez 270
« Ответ #5 : Мая 02, 2009, 12:31:08 »
Да недочитал я твой пост просто.У мня тоже 270,вот я те и кинул его схему.Про свитч я прочитал(у мня никогда проблем просто небыло с заменами на другие модели),а вот про датчик с петью проводами???? я недочитал.Что разобрался какие куда провода на датчике????(мне даже интересно стало)

Оффлайн gortef Автор темы

  • Новичок
  • *
  • Сообщений: 17
Re: Продолжение темы распайки Ibanez 270
« Ответ #6 : Мая 02, 2009, 12:55:12 »
Да недочитал я твой пост просто.У мня тоже 270,вот я те и кинул его схему.Про свитч я прочитал(у мня никогда проблем просто небыло с заменами на другие модели),а вот про датчик с петью проводами???? я недочитал.Что разобрался какие куда провода на датчике????(мне даже интересно стало)

Вообщем то разобрался, так сказать метадом тыка и большого колличества проверок...
Тем более у меня свитч (тумблер) сейчас стоит совершенно другой не стандартный от этого весла, а фендоровский...
Вообщем там скрин есть можешь глянуть... Соответственно распайка будет немного другая...
Вообщем сеймуровский датчик поял по схеме с сайта сеймура, а все остальное метадом тыка, так как обычная ибанезовская схема, которую ты мне скинул уже мне не подходит из за свитчи нового...