Автор Тема: Распайка Dimarzio Super Distortion и PAF Pro  (Прочитано 4477 раз)

0 Пользователей и 1 Гость просматривают эту тему.

Оффлайн Bondavy Автор темы

  • Новичок
  • *
  • Сообщений: 39
Распайка Dimarzio Super Distortion и PAF Pro
« : Сентября 21, 2012, 16:18:04 »
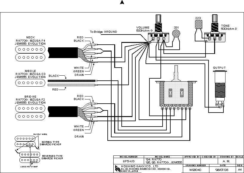
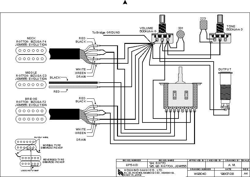
Уважаемые спецы, помогите пожалуйста в распайке двух звучков. А именно Dimarzio Super Distortion (в бридж) и PAF Pro (в нек)

Гитара Ibanez, 5-ти позиционный переключатель (8 контактов в ряд). Схема звучков H-S-H. Хамбакеры будут с отсечками.

По схеме ибанезовских звучков получается так: белый и красный идут на контакты переключателя, а черный идет на землю потца. Если я понял правильно, то красный=красный, а белый=белый+черный(димарзио), а на землю потца громкости - черный=зеленый+экран(димарзио).

Если не прав, поправьте.
« Последнее редактирование: Сентября 22, 2012, 05:50:39 от Bondavy »

Оффлайн Expelled13

  • Эксперт
  • *****
  • Сообщений: 1476
Re: Распайка Dimarzio Super Distortion и PAF Pro
« Ответ #1 : Сентября 22, 2012, 22:10:29 »
Bondavy,
Красный - основной
Белый и чёрным - отсечка
Зелёный и голый - масса

Оффлайн Bondavy Автор темы

  • Новичок
  • *
  • Сообщений: 39
Re: Распайка Dimarzio Super Distortion и PAF Pro
« Ответ #2 : Сентября 23, 2012, 08:17:04 »
Bondavy,
Красный - основной
Белый и чёрным - отсечка
Зелёный и голый - масса

Ну значит все верно. Я так и спаял. Вроде шумов нету. Все звучит как надо.