Автор Тема: Распайка H-S-H на трёхпозиционный переключатель  (Прочитано 1086 раз)

0 Пользователей и 1 Гость просматривают эту тему.

Оффлайн Killdos Автор темы

  • Эксперт
  • *****
  • Сообщений: 1071
  • Даймбаг - БохЪ!!!!!!!11
Пятипозиционный свитч не устраивает, слишком много щёлкать, хочу трёхпозиционный. Хочу чтобы в крайних положениях работали хамбакеры, а в среднем чтобы они все вместе орали. Подскажите пожалуйста что куда припаять?

1 - Хамб бридж
2 - Хамб бридж+сингл+хамб нек
3 - Хамб нек

Оффлайн Vdm

  • Завсегдатай
  • ***
  • Сообщений: 336
Re: Распайка H-S-H на трёхпозиционный переключатель
« Ответ #1 : Сентября 06, 2016, 14:04:20 »
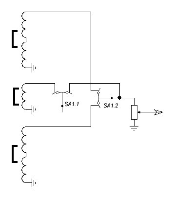
Вот

Оффлайн Killdos Автор темы

  • Эксперт
  • *****
  • Сообщений: 1071
  • Даймбаг - БохЪ!!!!!!!11
Re: Распайка H-S-H на трёхпозиционный переключатель
« Ответ #2 : Сентября 06, 2016, 14:13:53 »
Вот
это в крайних положениях сингл получается параллельно с хамбом, или я неправильно понял? переключатель SA1.1 можно убрать и соединить напрямую?

Оффлайн Vdm

  • Завсегдатай
  • ***
  • Сообщений: 336
Re: Распайка H-S-H на трёхпозиционный переключатель
« Ответ #3 : Сентября 07, 2016, 14:34:45 »
Здесь используется 3-позиционник для 2-звучковых гитар, который своей 1-й секцией переключает: нек / нек+бридж / бридж, а 2-й секцией подключает сингл (в среднем положении).
На схеме показано среднее положение, когда все звучки работают.
« Последнее редактирование: Сентября 08, 2016, 11:57:17 от Vdm »