Голосование

ДЖЕМ 125. Минус для джема 126 от angry_dog: https://disk.yandex.ru/d/RK6tHk39GevonQ Треки bormanу13: https://guitarplayer.ru/index.php?action=profile;u=5829 к концу голосования.

Ё. -  https://whyp.it/tracks/266186/aleksei-belyi-dzemfank-e-bemol
5 (13.2%)
mancraft - https://disk.yandex.ru/d/Z5jJuetUVLoW5Q
6 (15.8%)
Studentka - https://disk.yandex.ru/d/6m3AiNJv_xVRDQ
4 (10.5%)
Jean-Miкhel Jarr - https://disk.yandex.ru/d/KzH0UtFeR8_XVA
7 (18.4%)
кок - https://disk.yandex.ru/d/usiEHYqoKkAiHQ
10 (26.3%)
borman13 - https://www.4shared.com/s/fZI4jZcheku
6 (15.8%)

Проголосовало пользователей: 12

Голосование закончилось: Февраля 23, 2026, 10:00:37

Автор Тема: Клуб джемов (начинающих гитаристов и не только.)  (Прочитано 1290185 раз)

0 Пользователей и 5 Гостей просматривают эту тему.

Оффлайн ОЛЕГ GRAFFITI

  • Живу на форуме
  • *******
  • Сообщений: 12123
  • ОЛЕГ АСЕЕВ
    • https://www.facebook.com/oleg.asieiev
Re: Клуб джемов (начинающих гитаристов и не только.)
« Ответ #28665 : Октября 18, 2023, 15:12:11 »
Это всё игры элементарных частиц :crazy:
Я однажды выпил бутылку винчика и в полет! Колеса в воздух, даю в эфир скорость отрыва, кислород в маску на 100%, готовлюсь к бомбометанию. И вдруг вижу, как с задней полусферы заходит F-14 Томкэт. Пушки с предохранителей снял и длинной очередью разношу ему оба киля и стабилизатор! Кошак - кувырк и полетел в свинцовые объятия Балтики! И тут снизу как долбануло... я на "автомате" тангенту ногой давлю и голосом Левитана в эфир: "Двести сорок". (Посадочная скорость записывается на случай если выкатишся с полосы, то было бы кого дрючить). Три часа проспал. Штурман-навигатор не стал будить, на полигоне погоды не было.
Но F-14 просто реальный был! В реальности они не раз подлетали, пилоты махали руками. Мосх совершенная машина по созданию иллюзии и если бы не резкие переходы ото сна к бодрствованию, то разницу хрен ощутишь.
:o :dance_dance: :alc:

... и добавил:

https://www.youtube.com/watch?
      v=I8ygfX0BavM&list=RDEMVDgn9gSDk3XtsSKKm_CRLg&index=2


... и добавил:

 https://www.youtube.com/watch?v=A03MxxiC9Pk
« Последнее редактирование: Октября 18, 2023, 15:27:01 от ОЛЕГ GRAFFITI »

Оффлайн кок

  • Живу на форуме
  • *******
  • Сообщений: 53863
  • Слесарь-сборщик пентатоник
Re: Клуб джемов (начинающих гитаристов и не только.)
« Ответ #28666 : Октября 18, 2023, 15:35:02 »
Snazamanaz,  :plus-one: :alc:
Респектище и уважаю!!!

Оффлайн iZEP

  • Живу на форуме
  • *******
  • Сообщений: 21049
  • .._ .__. .. __.. _.. .._
Re: Клуб джемов (начинающих гитаристов и не только.)
« Ответ #28667 : Октября 18, 2023, 15:39:26 »
 У, во снах чаще или летаю усилием воли, или(реже) ныряю на ровном месте в подводные города - или "люк" под креслом в кинотеатре, или вообще где бы то ни было.
 И всё это до жути реально-выпукло, цветно и с ветерком(теченьицем)

Оффлайн кок

  • Живу на форуме
  • *******
  • Сообщений: 53863
  • Слесарь-сборщик пентатоник
Re: Клуб джемов (начинающих гитаристов и не только.)
« Ответ #28668 : Октября 18, 2023, 15:39:40 »
ОЛЕГ GRAFFITI,
Олег привет!
...какую понижайку(питание) для комба(120v)посоветуешь?

(нажмите чтобы показать/спрятать)


... и добавил:

iZEP, ...и у тебя спрошу...волокёшь тоже вроде(?) ;)
« Последнее редактирование: Октября 18, 2023, 15:46:48 от кок »

Оффлайн Snazamanaz

  • Ветеран форума
  • ******
  • Сообщений: 3131
  • Simple solution
Re: Клуб джемов (начинающих гитаристов и не только.)
« Ответ #28669 : Октября 18, 2023, 16:02:54 »
ОЛЕГ GRAFFITI,
Олег привет!
...какую понижайку(питание) для комба(120v)посоветуешь?
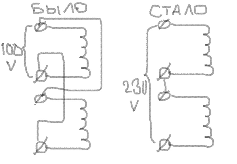
Брал Маршака в Японии, на 100 вольт. Первичная была из двух обмоток соединенных параллельно. Перепаял перемычки, т.е. соединил последовательно и втыкал в 230 в.

У меня был Пиви минихэд, так там на задней стенке есть переключалка на 120 и 230 вольт




Оффлайн Gilmour_Jr Автор темы

  • Ветеран форума
  • ******
  • Сообщений: 5040
  • Nunc aut nunquam
Re: Клуб джемов (начинающих гитаристов и не только.)
« Ответ #28670 : Октября 18, 2023, 16:04:33 »
после этого я в золу и наступил...шрам до сих пор))


В какую золу? Костёр был?

Оффлайн iZEP

  • Живу на форуме
  • *******
  • Сообщений: 21049
  • .._ .__. .. __.. _.. .._
Re: Клуб джемов (начинающих гитаристов и не только.)
« Ответ #28671 : Октября 18, 2023, 16:18:38 »
кок, для bandita я юзал лабораторный автотрансформатор на 200Вт тороид. Сколько выставил не помню, мерил чтоб накал 6,3 Вольта на ламповом был, чтоб учесть смену частоты с 60 на наши 50 Гц.

... и добавил:

на другом ламповом

Оффлайн ОЛЕГ GRAFFITI

  • Живу на форуме
  • *******
  • Сообщений: 12123
  • ОЛЕГ АСЕЕВ
    • https://www.facebook.com/oleg.asieiev
Re: Клуб джемов (начинающих гитаристов и не только.)
« Ответ #28672 : Октября 18, 2023, 18:41:10 »
ОЛЕГ GRAFFITI,
Олег привет!
...какую понижайку(питание) для комба(120v)посоветуешь?

(нажмите чтобы показать/спрятать)


... и добавил:

iZEP, ...и у тебя спрошу...волокёшь тоже вроде(?) ;)
Простой вариант- Не трогать ничего родного в комбике- просто поставить в комбик транс с 220 на 110в- . Надо транс такой же мощности как о родной . Лучше тороидальный трансформатор весит примерно вдвое меньше, чем обычный трансформатор с такой же мощностью и рабочей температурой. Такой вариант был у меня с комбиком Фендер твин реверб . Меньшей мощности не советую лучше большей мощности. Крепится к боковой стенке комбика или где есть место.
« Последнее редактирование: Октября 18, 2023, 18:44:04 от ОЛЕГ GRAFFITI »

Оффлайн Gilmour_Jr Автор темы

  • Ветеран форума
  • ******
  • Сообщений: 5040
  • Nunc aut nunquam

Оффлайн кок

  • Живу на форуме
  • *******
  • Сообщений: 53863
  • Слесарь-сборщик пентатоник
Re: Клуб джемов (начинающих гитаристов и не только.)
« Ответ #28674 : Октября 19, 2023, 05:26:23 »
В какую золу? Костёр был?
...там жэ свалка была...дым постоянно по ветру и тд))) ;D
(Я начал жизнь в трущебах городских)помнишь(?)...это там!)
..

... и добавил:

Snazamanaz, ОЛЕГ GRAFFITI, iZEP,
Спасибо братцы!
...но конкретно дайте фотку что-ли...или ссылку ...
Мне тут советуют вплоть до стабилизатора типа Ресанта... ??? Так он здоровый по себе..чо его таскать за комбом?))
пиндюшки китайские тоже хз...
(нажмите чтобы показать/спрятать)
:alc:

... и добавил:







« Последнее редактирование: Октября 19, 2023, 08:11:52 от кок »

Оффлайн ОЛЕГ GRAFFITI

  • Живу на форуме
  • *******
  • Сообщений: 12123
  • ОЛЕГ АСЕЕВ
    • https://www.facebook.com/oleg.asieiev
Re: Клуб джемов (начинающих гитаристов и не только.)
« Ответ #28675 : Октября 19, 2023, 08:11:55 »
Олег! Яж написал тороидальный транс понижающий с 220 на 110-120 в. Радио рынок - там и спроси. https://images.app.goo.gl/cEPqwJxqLT1WFBPb6

Оффлайн кок

  • Живу на форуме
  • *******
  • Сообщений: 53863
  • Слесарь-сборщик пентатоник
Re: Клуб джемов (начинающих гитаристов и не только.)
« Ответ #28676 : Октября 19, 2023, 08:12:58 »
ОЛЕГ GRAFFITI,
Ага...Олежик благодарю!!! :alc:

Оффлайн ОЛЕГ GRAFFITI

  • Живу на форуме
  • *******
  • Сообщений: 12123
  • ОЛЕГ АСЕЕВ
    • https://www.facebook.com/oleg.asieiev
Re: Клуб джемов (начинающих гитаристов и не только.)
« Ответ #28677 : Октября 19, 2023, 11:01:46 »
ОЛЕГ GRAFFITI,
Ага...Олежик благодарю!!! :alc:
:alc:

Оффлайн кок

  • Живу на форуме
  • *******
  • Сообщений: 53863
  • Слесарь-сборщик пентатоник
Re: Клуб джемов (начинающих гитаристов и не только.)
« Ответ #28678 : Октября 19, 2023, 15:27:56 »
https://www.youtube.com/watch?v=oRNHXRqQyXE

... и добавил:

 :)
Эмиль!
...нашол интересную картину маслом... :crazy:
 ???
....кому молоко?))))

... и добавил:


(нажмите чтобы показать/спрятать)

... и добавил:

https://youtu.be/N9u2y1O1Vc8?si=mM9L789Dd0GJmps0
« Последнее редактирование: Октября 19, 2023, 18:59:51 от кок »

Оффлайн Rony

  • Ветеран форума
  • ******
  • Сообщений: 3792
Re: Клуб джемов (начинающих гитаристов и не только.)
« Ответ #28679 : Октября 20, 2023, 06:41:38 »
на пьедестале почета нынче два победителя поместились  :)

2439997-0

 :alc: