Автор Тема: Флудерасня  (Прочитано 105107 раз)

0 Пользователей и 1 Гость просматривают эту тему.

Оффлайн HiRes.GP

  • Живу на форуме
  • *******
  • Сообщений: 7452
  • shit in - shit out
Re: Всякие Нюансы
« Ответ #600 : Октября 16, 2023, 22:06:51 »
не, я внутрь твоей схемы залез  :o ;D :rolleyes:

Оффлайн Клетчатый Автор темы

  • Завсегдатай
  • ***
  • Сообщений: 433
  • Короче...
    • Color-BOX
Re: Всякие Нюансы
« Ответ #601 : Октября 16, 2023, 22:07:49 »
Оу... так и втянешься, сам начнешь плагины мострячить!  :crazy:

Оффлайн HiRes.GP

  • Живу на форуме
  • *******
  • Сообщений: 7452
  • shit in - shit out
Re: Всякие Нюансы
« Ответ #602 : Октября 16, 2023, 22:09:28 »
да я лучше своими, звукоинженерными делами займусь...  :hmmm:

Оффлайн Клетчатый Автор темы

  • Завсегдатай
  • ***
  • Сообщений: 433
  • Короче...
    • Color-BOX
Re: Всякие Нюансы
« Ответ #603 : Октября 17, 2023, 14:12:13 »
Капец... во всем интернете (в т.ч. англ.яз) ничего больше нет про реактивную нагрузку
Кроме той ссылки, что я уже запостил

Точнее... есть то куча всего... про реактивные лоадбоксы, импедансные кривые и тому подобное...  ;D

Опять самому все думать...

Оффлайн Клетчатый Автор темы

  • Завсегдатай
  • ***
  • Сообщений: 433
  • Короче...
    • Color-BOX
Re: Всякие Нюансы
« Ответ #604 : Октября 18, 2023, 19:47:23 »
Пробный тэзд... только преамп, и с моделью 6V6 (R - резистивная нагрузка, L - типа нагрузка на обмотку трсф)

Вобщм, что я понял по той самой теме:

1. Для постоянного тока обмотка работает подобно резистору с неким минимальным сопр., допустим 1 Ом..
И тогда на аноде лампы постоянная составляющая всегда аккурат на уровне +HT
А переменка тудой-сюдоицо относительно неё

2. На ВАХ в случ. реактивной нагрузки видно, что нагрузочная линия упирается в напряжение выше чем +HT
Как так?
Элементарно, Ватсон... картинка ниже для наглядности:

(нажмите чтобы показать/спрятать)

3. Первичная обмотка в данном разе работает как фильтр высоких частот с частотой сообразно индуктивности обмотки и совокупного сопротивления цепи. И местами напряжение выходит за...
Вот этот "зашкал" в сторону плюса и отображаццо на графике ВАХ

4. В случае триода это было бы интереснее, но в случ. пентода-тетрода - там где нагруз. линия упирается в этой высокое напряж - на ток лампы никак не влияет, так как линия ента в данном разе в пределах "пентодного" диапазона

5. Там же где напряж. падает - поинтереснее, так как это может лимитировать анодный ток (когда ан. напрж. падает ниже экранного)

Но... сигнал сильно смещен вверх, в плюса,  относительно того как если-бы лампа была нагруж на резюк
Стало быть - повышается хедрум лампы. Поэтому левый край нагрузочной линии также пропорционально выше чем в случ. резистивной нагрузки

Но... сигнал "зашкаливает" за пределы нефильтрованного и вниз тоже падает ниже

6. Таким образом, определенный эффект есть. Но такой себе... нюансы...
Некоторый чуть больший хедрум, но в главном - срез низа
« Последнее редактирование: Октября 19, 2023, 16:54:26 от Клетчатый »

Оффлайн Клетчатый Автор темы

  • Завсегдатай
  • ***
  • Сообщений: 433
  • Короче...
    • Color-BOX
Re: Всякие Нюансы
« Ответ #605 : Октября 20, 2023, 10:53:05 »
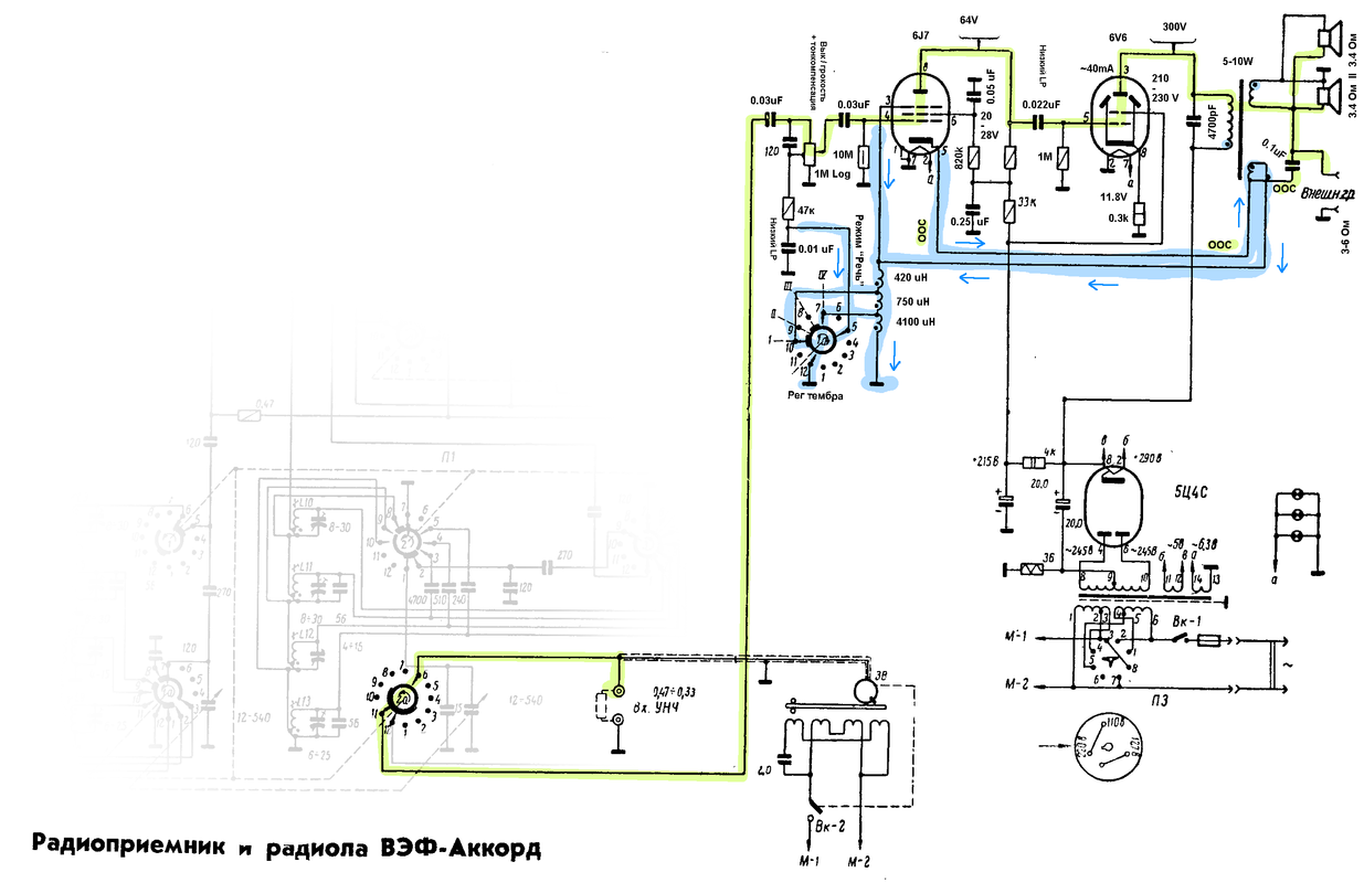
Пока изучал схему "ВЭФ-Аккорда" - открыл для себя существование потенциометров с отводами, или т.н. "потенциометры с тонкомпенсацией"..

 :hitrez:

Также, надо заметить, крайне хитромудрая тональная коррекция какая-то

Как я понял, катод 6Ж8 (я взял аналог 6J7, т.к. он есть в калькуляторе нагр. линий сайте) заземляется через некоторый участок обмотки вторички трсф куда также заведен через конд. сигнал и с динамика - и дальше через переключаемые регулятором тембра катушки. Катушки в этом месте работают как фильтры выс. част., но так как они фильтруют ООС, то на аноде лампы - завал верха

И, должон заметить, что вот это самое мутное место во всей схеме, а значицо и в моделировании может оказ. не совсем так
В LTspice накидал этот кусок для глянуть, так там какая-то очень ничтожная фильтрация выходит...  :hmmm:
В крайнем подключении где-то там в области самых ВЧ что-то срезается и все...
Но не известны параметры того самого участка обмотки




Оффлайн iZEP

  • Живу на форуме
  • *******
  • Сообщений: 21049
  • .._ .__. .. __.. _.. .._
Re: Всякие Нюансы
« Ответ #606 : Октября 20, 2023, 12:37:16 »
Пока изучал схему "ВЭФ-Аккорда" - открыл для себя существование потенциометров с отводами, или т.н. "потенциометры с тонкомпенсацией"..

 :hitrez:
:crazy:
 я ж знал, что как ни подкован чел, "белые пятна" есть всегда)))
Именно поэтому даже в темах где оооочень хорошо ориентируюсь, стараюсь не выёживаться)
Вообще кривые чувствительности слуха и тонкомпенсация здецтва был для меня важны - слушал музыку по ночам, хотелось и не мешать никому, и расслышивать всё.
И даже - в стандартном потенциометре радиолы Урал, чрез кою шло моё музыкальное в глобальном смысле образование, я к имеющемуся отводу присовокупил ещё два. И оно работало. А так как отдача по низам в старых аппаратах была мала, в тонкомпенсированном варианте удалось подогнать уровни паспортных 80...12500 Гц  к имеющемуся минимуму ~ 35...40 Hz и получить невероятно сочный звук

Оффлайн Клетчатый Автор темы

  • Завсегдатай
  • ***
  • Сообщений: 433
  • Короче...
    • Color-BOX
Re: Всякие Нюансы
« Ответ #607 : Октября 20, 2023, 12:43:51 »
Однако, надо заметить, что ни одной картинки или описания устройства таких потцев нет в тырнете..  :hmmm:

Понятно, что доп.отвод (отводы) соединен с пластиной по которой елозит центральный отвод
Но... могут ведь быть всякие нюансы


Достаточна ли, напирмерн, вот эта эквивалентная схема?
(нажмите чтобы показать/спрятать)


Где-то читал, что там эффект ступенчатый, то-есть, когда лишь центральный отвод доелозивает до - тогда лишь и подключается доп. отвод, включается (вдруг) тонкоррекция

Хорошо хоть есть всякие АЧХ, ну и в целом что-то можно прикинуть для модели вполне

А вот с регулятором тембра через заземление катушками обратной связи на катоде 6ЖП - вот тутова меян смущает...  :hmmm:
Какое там сопротивление в цепи получаецо? Какие выходят параметры частот?

Оно на слух вообще было заметно или как?

Цитировать
А так как отдача по низам в старых аппаратах была мала, в тонкомпенсированном варианте удалось подогнать уровни паспортных 80...12500 Гц  к имеющемуся минимуму ~ 35...40 Hz и получить невероятно сочный звук

В ВЭФ-Аккорде указаны 100Гц-5кГц, т.е ярко выраженный такой серединистый...
« Последнее редактирование: Октября 20, 2023, 13:01:14 от Клетчатый »

Оффлайн iZEP

  • Живу на форуме
  • *******
  • Сообщений: 21049
  • .._ .__. .. __.. _.. .._
Re: Всякие Нюансы
« Ответ #608 : Октября 20, 2023, 12:51:21 »
Однако, надо заметить, что ни одной картинки или описания устройства таких потцев нет в тырнете..  :hmmm:


тырнет - вещь современная.  И там не до тонкомпенсации. Тем более что в сигнал-процессорах бытовой аппаратуры сигнал не идёт через потенциометр - потенциометр меняет задающий процу уровень, а там уже некая тонкомпесация в смешных но количествах обязательно отрабатывается. Все эти смартфоны тоже - на уровне матрицы меняют соотношение низких-средних-высоких в зависимость от процентов уровня. Табличные значения, так сказать, не параметрические.

Оффлайн Клетчатый Автор темы

  • Завсегдатай
  • ***
  • Сообщений: 433
  • Короче...
    • Color-BOX
Re: Всякие Нюансы
« Ответ #609 : Октября 20, 2023, 13:18:50 »
Короче, вот что я понял...
Для моделирования такого вот уникального старинного потенциометра надо опирацо на аж целых три эквивалентных схемы:


(нажмите чтобы показать/спрятать)


Каково будет мнение знатоков из зала?


https://www.youtube.com/watch?v=yMcdZ4qqofs

Оффлайн iZEP

  • Живу на форуме
  • *******
  • Сообщений: 21049
  • .._ .__. .. __.. _.. .._
Re: Всякие Нюансы
« Ответ #610 : Октября 20, 2023, 13:43:24 »
 Надо найти(я в данный момент никакой) описение работы тонкомпенсации с двумя отводами. С одним - чень грубая аппроксимация, корректно  толькко во средниих положнеиях, в минимальном там изрезано выходит до неразборчивости речи  :o

Оффлайн Клетчатый Автор темы

  • Завсегдатай
  • ***
  • Сообщений: 433
  • Короче...
    • Color-BOX
Re: Всякие Нюансы
« Ответ #611 : Октября 20, 2023, 13:53:36 »
Ну, в интересующем сейчас ВЭФ-Аккорд стоит потц с одним отводом (см. схему выше)

Да и с двумя еще больше эквивалентных схем выходит, как я понел... ну его...  ;D

Оффлайн iZEP

  • Живу на форуме
  • *******
  • Сообщений: 21049
  • .._ .__. .. __.. _.. .._
Re: Всякие Нюансы
« Ответ #612 : Октября 20, 2023, 14:04:34 »
 ;D Да... в гитаризме на сверхтихо и не надо.

Оффлайн Клетчатый Автор темы

  • Завсегдатай
  • ***
  • Сообщений: 433
  • Короче...
    • Color-BOX
Re: Всякие Нюансы
« Ответ #613 : Октября 20, 2023, 14:45:21 »
Кстати, а как в ВЭФ-Аккорде, именно в части усилителя звукового - было нащет шума?

Там ведь у 6Ж8 резистор утечки на 1-й сетке стоит аж 10 Мег...  :hmmm:

Оффлайн iZEP

  • Живу на форуме
  • *******
  • Сообщений: 21049
  • .._ .__. .. __.. _.. .._
Re: Всякие Нюансы
« Ответ #614 : Октября 20, 2023, 15:05:39 »
Клетчатый, катод первого пентода по постоянке заземлён. Следовательно работа лампы с током сетки. Ну и ограничивают до минимума... Анодное же глянь, невелико.