Опять же, рассуждать о лампах в отрыве от режима работы, а лампой нельзя воспользоваться так как есть, с чего брать управляемый ток, с неразрывной цепи?
Следовательно нужна нагрузка, на которой выделяется управляемый - сеткой ток, да и не одной в случае пентодов, тетродов и прочих много сетчатых вариантов.
И вот уже имея нагрузку, лампа отодвигается от идеализированных параметров на километр и её работа полностью зависит от выбранных параметров внешним управлением тока на её электродах.
Причем от линейного режима, который не столь велик, КПД для активных элементов мал, до режима ключа, когда лампа полностью заперта и уже ничем не управляет.
Тут и начинается наука, с формулами и эмпирическим подбором параметров для конкретного устройства.
Конечно, можно в бубен по стучать, да через костер попрыгать, а там и само собой все срастется.

Странно что у тех кто имел или имеет дело с реальными лампами "вудуизм" мало работает, от слова - совсем.
... и добавил:А ну тогда понятно, все верно...
При реализации в безламповых схемотехниках ограничения сигнала характерного для лампы - ориентируются на две главных характеристики лампового ограничения:
- ассиметричность
- идеальная (в идеале) плавность ограничения
Ориентируются на ВАХ.
SPICE модели эту характеристику в виде таблицы и передают, без учета емкостей, а емкости это аккумуляторы зарядов.
Глупо их не учитывать. Ты попросту выкинул за борт емкостные характеристики.
... и добавил:Пара картинок различий ВАХ лампы от транзистора.
... и добавил:Разумеется, эти искажения могут быть не значительны, порой не слышны и не видны нам, потому что наши органы чувств и приборы - ограничены, страдают низкой разрешающей способностью...
Но они есть!
Учитывая, что тебе скормили изначально несколько примеров произведенных на лампах, которые ты сожрал и даже не понял, что сожрал, рассуждать о том, что кто-то там каким-то место чувствует...
Очень показательно.
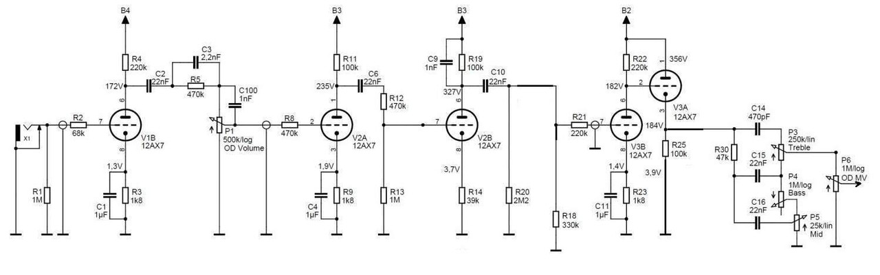
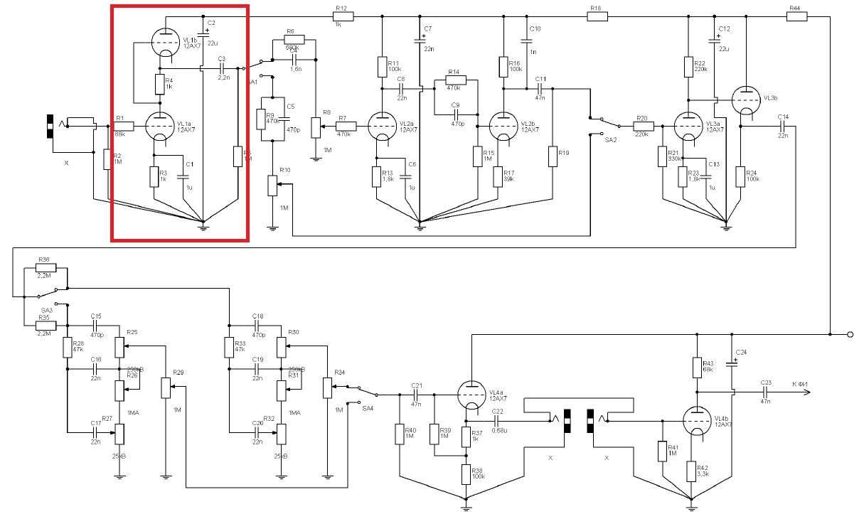
... и добавил:Следующий момент слабости "теории" в том, что рассуждения ведутся об одной лампе, когда как один каскад перегрузить той же гитарой не так-то просто.
Минимум нужно два каскада или двойная лампа (пример 12AX7, один балон - два триода)
Для "хай гейна" уже 4 каскада (два двойных триода), да еще и
с большим усилением.
По поводу усиления (
коэффициент усиления напряжения активного электронного прибора)
К примеру:
усиление лампы 12AX7 - около 100
усиление лампы 12AU7 - около 20 (попробуй её перегрузить)

Исходя из этого, рассуждения должны строится
исходя из устройства в котором
каскадное включение ламп, а не одного триода.
А это еще дальше от мало понятных идеализированных предпосылок.
Можно взять первую попавшуюся лампу и... Прийти ни к чему, чуть серанет в пиках амплитуды и на этом все закончится.
Т.е. еще не всякая лампа будет пригодна в контексте "гитарного приложения". Не смотря на всю "мифологичность" и обожествление.