Автор Тема: fewtubefx  (Прочитано 208553 раз)

0 Пользователей и 3 Гостей просматривают эту тему.

Оффлайн NSb-2

  • Живу на форуме
  • *******
  • Сообщений: 7398
  • Shit in - Shit out
    • pornhub.com
Re: fewtubefx
« Ответ #1530 : Декабря 12, 2020, 13:35:28 »
 :hitrez:


Оффлайн fewa-watraco Автор темы

  • Ветеран форума
  • ******
  • Сообщений: 3879
  • fewtubefx
Re: fewtubefx
« Ответ #1531 : Декабря 12, 2020, 14:08:05 »
так это же не самостоятельный мощник

я уже попробовал сделать отдельный плагин мощника от SLO100 и включить после плагина XR-Drive
но звук получился не правильный

Оффлайн NSb-2

  • Живу на форуме
  • *******
  • Сообщений: 7398
  • Shit in - Shit out
    • pornhub.com
Re: fewtubefx
« Ответ #1532 : Декабря 12, 2020, 14:09:40 »
fewa-watraco,
С чего это не самостоятельный??  :o

Оффлайн fewa-watraco Автор темы

  • Ветеран форума
  • ******
  • Сообщений: 3879
  • fewtubefx
Re: fewtubefx
« Ответ #1533 : Декабря 12, 2020, 14:13:57 »
fewa-watraco,
С чего это не самостоятельный??  :o

в том плане, что это не отдельное устройство

Оффлайн NSb-2

  • Живу на форуме
  • *******
  • Сообщений: 7398
  • Shit in - Shit out
    • pornhub.com
Re: fewtubefx
« Ответ #1534 : Декабря 12, 2020, 14:28:10 »
fewa-watraco,
Вполне себе отдельное устройство.

Оффлайн fewa-watraco Автор темы

  • Ветеран форума
  • ******
  • Сообщений: 3879
  • fewtubefx
Re: fewtubefx
« Ответ #1535 : Декабря 12, 2020, 14:32:37 »
https://www.mesaboogie.com/support/out-of-production/5050-stereo.html

вот это отдельное устройство

Оффлайн NSb-2

  • Живу на форуме
  • *******
  • Сообщений: 7398
  • Shit in - Shit out
    • pornhub.com
Re: fewtubefx
« Ответ #1536 : Декабря 12, 2020, 14:39:32 »
fewa-watraco,
Ты по моему не догоняешь, с спросил - можешь соорудить оконечник?
Я не спрашивал можешь-ли ты соорудить оконечник с предусилителем. Это мне не интересно.
Задача:
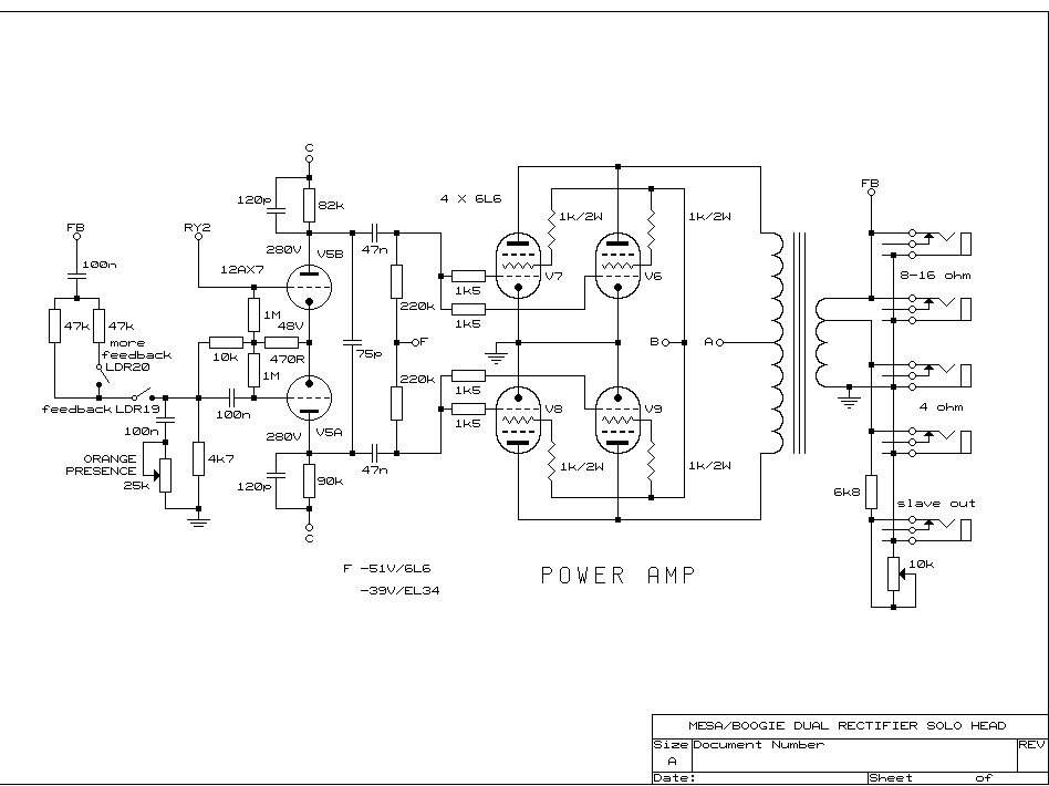
парафазный фазоинвертор, четыре выходных лампы, трансформатор.
Остальное не нужно.

Оффлайн fewa-watraco Автор темы

  • Ветеран форума
  • ******
  • Сообщений: 3879
  • fewtubefx
Re: fewtubefx
« Ответ #1537 : Декабря 12, 2020, 15:04:40 »
можно сделать, так я их по-любому делаю для каждого плагина

Оффлайн NSb-2

  • Живу на форуме
  • *******
  • Сообщений: 7398
  • Shit in - Shit out
    • pornhub.com
Re: fewtubefx
« Ответ #1538 : Декабря 12, 2020, 15:05:29 »
Сделай, в виде отдельного плага без всего лишнего.  ;)

Оффлайн fewa-watraco Автор темы

  • Ветеран форума
  • ******
  • Сообщений: 3879
  • fewtubefx
Re: fewtubefx
« Ответ #1539 : Декабря 12, 2020, 15:20:41 »
но он не согласуются с моим плагином Xr-Drive

Оффлайн NSb-2

  • Живу на форуме
  • *******
  • Сообщений: 7398
  • Shit in - Shit out
    • pornhub.com
Re: fewtubefx
« Ответ #1540 : Декабря 12, 2020, 15:41:50 »
А за чем нужен Xr-Drive:hmmm:

Оффлайн fewa-watraco Автор темы

  • Ветеран форума
  • ******
  • Сообщений: 3879
  • fewtubefx
Re: fewtubefx
« Ответ #1541 : Декабря 12, 2020, 16:06:31 »
тому, кому нравится звук x88r

Оффлайн NSb-2

  • Живу на форуме
  • *******
  • Сообщений: 7398
  • Shit in - Shit out
    • pornhub.com
Re: fewtubefx
« Ответ #1542 : Декабря 12, 2020, 16:14:37 »
Да мало ли кому там чего нравится, ты просто мощник сооруди...  :hmmm:

Оффлайн fewa-watraco Автор темы

  • Ветеран форума
  • ******
  • Сообщений: 3879
  • fewtubefx
Re: fewtubefx
« Ответ #1543 : Декабря 12, 2020, 16:16:59 »
на 6L6?

Оффлайн NSb-2

  • Живу на форуме
  • *******
  • Сообщений: 7398
  • Shit in - Shit out
    • pornhub.com
Re: fewtubefx
« Ответ #1544 : Декабря 12, 2020, 16:26:52 »
Разумеется.

... и добавил:

 :hmmm: и желательно чтоб был небольшой разброс в "лампах"... Так натуральней...
« Последнее редактирование: Декабря 12, 2020, 16:31:44 от NSb-2 »