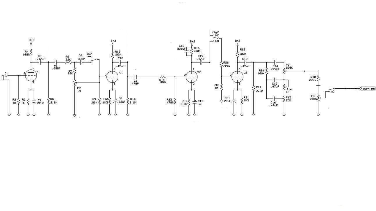
а вот эта схема, которую я прикрепил ранее, почему-то думал это и есть твоя
Это типа фейковая "официальная", первая моя была в мультисиме нарисована

Последняя просто хеви-лид канал с неё отдельно.
ps. Но повторюсь - в том, что касается тонстека я не вполне уверен. Номиналы потов там правильные, кроме номинала "презенса" который 1 МA на самом деле, когда изначально рисовал схему неправильно расшифровал номинал и просто воткнул с не вполне корректной схемы 530го 250к... Может ещё что-то с коммутацией не учёл.
То что касается самого преда должно быть достаточно корректно, потому как рисовал уже сняв плату с 2х сторон и совместил в фотошопе, чтобы правильно проводники нарисовать, плюс номиналы снимал.
Разве что у Азнаура уточнял номинал одного мелкого кондёра без маркировки.