Автор Тема: fewtubefx  (Прочитано 196260 раз)

0 Пользователей и 4 Гостей просматривают эту тему.

Оффлайн Schecter86

  • Эксперт
  • *****
  • Сообщений: 1324
  • GuitarPlayer.Ru fan!
Re: fewtubefx
« Ответ #2760 : Января 16, 2022, 07:55:29 »
или видео можно сделать с плагином имеющим рулежку попроще,заинтересовать можно

Оффлайн fewa-watraco Автор темы

  • Ветеран форума
  • ******
  • Сообщений: 3858
  • fewtubefx
Re: fewtubefx
« Ответ #2761 : Января 20, 2022, 17:30:28 »
Плагин на основе Kasha Rockmod
https://fewtubefx.blogspot.com/2022/01/kshbur-preamp.html

Оффлайн fewa-watraco Автор темы

  • Ветеран форума
  • ******
  • Сообщений: 3858
  • fewtubefx
Re: fewtubefx
« Ответ #2762 : Января 23, 2022, 19:22:26 »
Плагин на основе Peavey JSX.
(Темброблок пришлось упростить, bass и mid зафиксированы в среднем положении.)
https://fewtubefx.blogspot.com/2022/01/pjx-amp.html

Оффлайн fewa-watraco Автор темы

  • Ветеран форума
  • ******
  • Сообщений: 3858
  • fewtubefx
Re: fewtubefx
« Ответ #2763 : Января 28, 2022, 22:28:39 »
Плагин на основе усилителя Hiwatt Pete Townshend Signature Series
По дефолту выдает жирный fuzz, если убавить Drive2, то можно получить более стандартное звучание усилителей Hiwatt
https://fewtubefx.blogspot.com/2022/01/hwp-amp.html



... и добавил:



Сделал новый плагин на основе Ibanez tube screamer, сравнил с реампом SVD от deLuther.
« Последнее редактирование: Января 29, 2022, 11:51:20 от fewa-watraco »

Оффлайн Externall

  • Новичок
  • *
  • Сообщений: 97
Re: fewtubefx
« Ответ #2764 : Января 29, 2022, 14:26:16 »
Непохоже. Небо и земля.

(нажмите чтобы показать/спрятать)

Оффлайн fewa-watraco Автор темы

  • Ветеран форума
  • ******
  • Сообщений: 3858
  • fewtubefx
Re: fewtubefx
« Ответ #2765 : Января 29, 2022, 14:51:46 »
Непохоже. Небо и земля.

(нажмите чтобы показать/спрятать)

Не перепутал.

Оффлайн Externall

  • Новичок
  • *
  • Сообщений: 97
Re: fewtubefx
« Ответ #2766 : Января 29, 2022, 15:01:16 »
Не перепутал.

Естественно ты не перепутал. Это была шутко. :hitrez:

Просто в твоём примере скримером даже близко не пахнет.

Оффлайн fewa-watraco Автор темы

  • Ветеран форума
  • ******
  • Сообщений: 3858
  • fewtubefx
Re: fewtubefx
« Ответ #2767 : Января 30, 2022, 08:30:19 »
Плагин на основе Matchless Clubman 35
https://fewtubefx.blogspot.com/2022/01/matclub-amp.html

Оффлайн fewa-watraco Автор темы

  • Ветеран форума
  • ******
  • Сообщений: 3858
  • fewtubefx
Re: fewtubefx
« Ответ #2768 : Февраля 03, 2022, 13:53:25 »
Изменил картинку на Stil-Amp
https://fewtubefx.blogspot.com/2020/12/stil-amp.html

Оффлайн fewa-watraco Автор темы

  • Ветеран форума
  • ******
  • Сообщений: 3858
  • fewtubefx
Re: fewtubefx
« Ответ #2769 : Февраля 05, 2022, 09:03:03 »
Плагин на основе Budda Super Drive 18 Series II 18W (схема из ReValver 4)
https://fewtubefx.blogspot.com/2022/02/bud-amp.html

... и добавил:

Плагин на основе Budda Super Drive 80
https://fewtubefx.blogspot.com/2022/02/budii-amp.html
« Последнее редактирование: Февраля 06, 2022, 05:02:46 от fewa-watraco »

Оффлайн fewa-watraco Автор темы

  • Ветеран форума
  • ******
  • Сообщений: 3858
  • fewtubefx
Re: fewtubefx
« Ответ #2770 : Февраля 10, 2022, 13:29:43 »
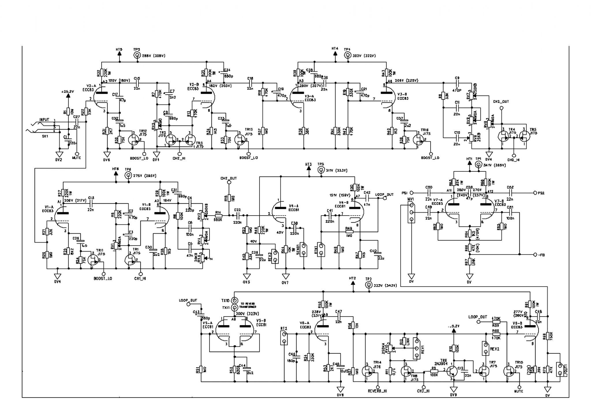
Загадка.
От какого усилителя эта схема.

Оффлайн deLuther

  • Живу на форуме
  • *******
  • Сообщений: 33530
  • alderman of morning star
    • Malefice
Re: fewtubefx
« Ответ #2771 : Февраля 10, 2022, 13:44:31 »
fewa-watraco,
Гадания по схеме, тут скорее Азнауру (AZG) этот вопрос стоит задать :)

Оффлайн Alexhangman

  • Живу на форуме
  • *******
  • Сообщений: 14006
Re: fewtubefx
« Ответ #2772 : Февраля 10, 2022, 13:58:08 »
Загадка.
От какого усилителя эта схема.
От лампового. Не благодари.

Оффлайн fewa-watraco Автор темы

  • Ветеран форума
  • ******
  • Сообщений: 3858
  • fewtubefx
Re: fewtubefx
« Ответ #2773 : Февраля 10, 2022, 14:22:33 »
Так я то знаю от какого. Просто петля да и отрисовка очень напоминает схемы оранжа, но это не оранж.
« Последнее редактирование: Февраля 10, 2022, 14:26:15 от fewa-watraco »

Оффлайн fewa-watraco Автор темы

  • Ветеран форума
  • ******
  • Сообщений: 3858
  • fewtubefx
Re: fewtubefx
« Ответ #2774 : Февраля 12, 2022, 08:26:12 »
Плагин на основе 4 канала преампа из Engl Invader.
https://fewtubefx.blogspot.com/2022/02/enginv-preamp.html