фаундэшн когда крутишь то в звуке особых изменений не происходит. презенсом изменяется больше но от него громкость меньше. и заводится на громкости 2ч
поменяй фазировку выходного трансформатора, у тебя получается ПОС а не ООС... получается не мощник, а генератор
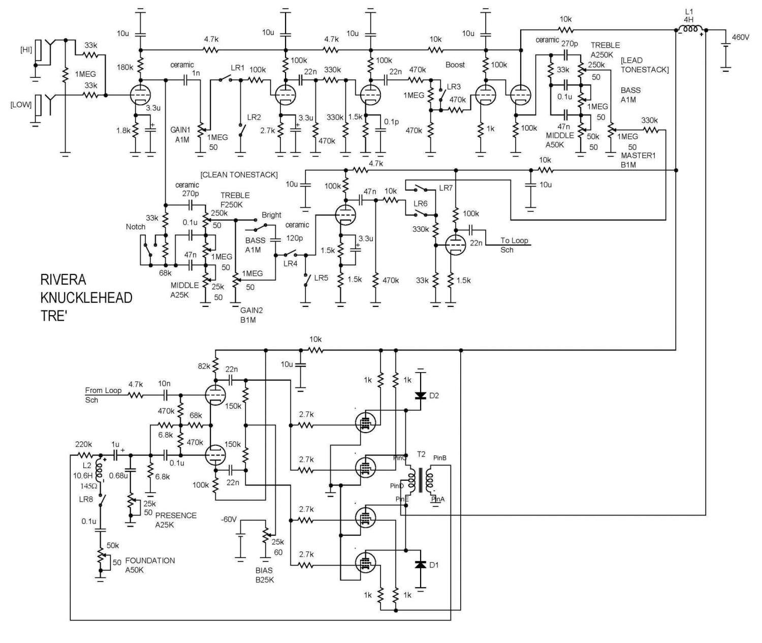
... и добавил:Santjago, ТВ-3Ш какую обмотку включить? характер звука да.. поменялся.
ну, естественно, первичную, ту где витков больше, и индуктивность, соответственно...
... и добавил:нет. я соврал. это сам тб прозванивается. такое может быть?
... и добавил:
нет. не сам тб
тут обходной путь у звука есть
сигнал идет и через тб и напрямую тоже
натупил при монтаже ТБ...
... и добавил:у меня знаете как было? сигнал снимался сразу со средней ноги потца громкости и шел в мощник. Это ошибка. Он должен был вернуться в плату и пройти последний триод. Переделал так. ТБ получается шунтированный каким то проводом который я найти не могу. Играет даже при минимальном уровне громкости. Громко играет
вот не нужно курить дурь, когда с такими напряжениями работаешь...
... и добавил:Кстати, а никто не решался собрать плекси и опробовать его дома? 
у меня чистый по мотивам плекси... всё прекрасно, поиски звучания ACDC закончены успешно...
... и добавил:транс сегодня намотал... для будущего монстра на 84-х ёлках...