speedball, что-то мне подсказывает, что ты оклеветал товарищей из SMB effects.... таки ж давно я тебя знаю, и помню, сколько у тебя было приколов, типа "а-а-а-а... вот это я натупил"....

и то, что никак от 240 переменки не можешь нужной постоянки добиться, - очередное тому подтверждение...

кстати, был у меня тестер, так вот в нем диапазон до 250В показывал правильно, а до 750В я поджег, и он жестоко врал... так что, советую заменить батарейку, или воспользоваться другим...
хотя, и помню случай, когда действительно, с их трансом бок был, ты по гарантии возвращал, цвет проводов напутан был кажется...
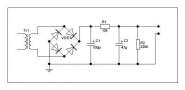
... и добавил:А блин, семен семеныч! У тебя резисто 10к там стоит в анодной цепи, вот на нем и падают. Если не устраивает, замени его на 470Ом.
что, резистор стоит до моста? по переменке? дай схему