Автор Тема: Ламповый преамп для записи - здравствуй ЗВУК!!  (Прочитано 500794 раз)

0 Пользователей и 2 Гостей просматривают эту тему.

Оффлайн Engener

  • Ветеран форума
  • ******
  • Сообщений: 3471
  • :-)

Оффлайн NSb

  • Живу на форуме
  • *******
  • Сообщений: 23373
  • shit in - shit out
Re: Ламповый преамп для записи - здравствуй ЗВУК!!
« Ответ #8866 : Сентября 17, 2012, 11:09:10 »
Цитировать
  Сопротивления половин первички различаются всего-то на 2  Ома. Считай, как в аптеке 

Цитировать
А вообще, я считаю, что не вредно.
думаю если замерить индуктивность половинок первички, разброс окажется чуть больше чем аптекарьская точность

Оффлайн Engener

  • Ветеран форума
  • ******
  • Сообщений: 3471
  • :-)
Re: Ламповый преамп для записи - здравствуй ЗВУК!!
« Ответ #8867 : Сентября 17, 2012, 11:11:39 »
ну, не страшно, для такого-то самопала. При случае измерим, что там как.

Оффлайн Santjago

  • Живу на форуме
  • *******
  • Сообщений: 10916
  • Hard As A Rock
Re: Ламповый преамп для записи - здравствуй ЗВУК!!
« Ответ #8868 : Сентября 17, 2012, 11:18:37 »
Engener, нормуль запас по низу взял.... 20 кв железа, да ещё и 3000 витков...  :sarcastic:
не жалеешь ты себя...  ;D  :good:

... и добавил:

с сечением первички, конечно, прогадал малёха...

... и добавил:

Цитировать
Сопротивления половин первички различаются всего-то на 2  Ома. Считай, как в аптеке
ну так а как же подругому... они ж не в два провода мотаны... разброс по активному в 2 Ом вообще значения никакого не имеет... глянуть даже карту напруг 800-ки... разница в напругах на анодах в пару вольт есть... и ничего в этом страшного нет...
« Последнее редактирование: Сентября 17, 2012, 11:24:50 от Santjago »

Оффлайн NSb

  • Живу на форуме
  • *******
  • Сообщений: 23373
  • shit in - shit out
Re: Ламповый преамп для записи - здравствуй ЗВУК!!
« Ответ #8869 : Сентября 17, 2012, 11:24:58 »
Engener,
ну как сказать,  увеличивается  разбег по индуктивности,  соответственно увеличивается разбег оптимальной нагрузки по низам для каждого плеча двухтактника, рост искажений, отсюда не чистый низ и мусор в нижней середине
 ;)

Оффлайн Engener

  • Ветеран форума
  • ******
  • Сообщений: 3471
  • :-)
Re: Ламповый преамп для записи - здравствуй ЗВУК!!
« Ответ #8870 : Сентября 17, 2012, 11:43:47 »
Engener, нормуль запас по низу взял.... 20 кв железа, да ещё и 3000 витков...  :sarcastic:
не жалеешь ты себя...  ;D  :good:

спасибо!

с сечением первички, конечно, прогадал малёха...

что ж, перематывать теперь? проще новый намотать

Оффлайн Santjago

  • Живу на форуме
  • *******
  • Сообщений: 10916
  • Hard As A Rock
Re: Ламповый преамп для записи - здравствуй ЗВУК!!
« Ответ #8871 : Сентября 17, 2012, 11:48:28 »
что ж, перематывать теперь? проще новый намотать

та я ж не думаю, что ты его часами кочегарить по максимуму будешь....
железа много - теплоотвод хороший....   :rofl:

Оффлайн Engener

  • Ветеран форума
  • ******
  • Сообщений: 3471
  • :-)
Re: Ламповый преамп для записи - здравствуй ЗВУК!!
« Ответ #8872 : Сентября 17, 2012, 11:56:02 »
а, ну ладно. Железа много, намотаю сразу такой второй, только провод для первички чуть потоще возьму. Кстати у изготовленного сабжа вторичка интересная получилась - аж из 4-х кусков провода. Взял сначала самый тонкий провод, который нашел - от накальной обмотки ненужного транса. Намотал - не хватает. Взял такой же отрезок, добавил - тоже не хватает. Поискал, нашел кусок от накальной обмотки кенотрона, там провод чуть короче, но диаметром побольше. И опять не хватает, да ё-моё. Взял тогда от какого-то силовика еще более толстый провод, домотал полслоя - тогда подошло.

А мне надо был провод диаметром 0,56 мм изначально

Оффлайн Santjago

  • Живу на форуме
  • *******
  • Сообщений: 10916
  • Hard As A Rock
Re: Ламповый преамп для записи - здравствуй ЗВУК!!
« Ответ #8873 : Сентября 17, 2012, 11:57:36 »

Оффлайн AntonVIP Автор темы

  • Живу на форуме
  • *******
  • Сообщений: 13729
  • Люблю качественную музыку в стиле "мясо"
    • Страница на ютубе
Re: Ламповый преамп для записи - здравствуй ЗВУК!!
« Ответ #8874 : Сентября 18, 2012, 20:13:30 »
Привед, камрадики!!

Всё ребятушки, намылился я окончательно делать Оранж Тинни Террор. Сборку месы покаместь отодвинул. Уже набросал в спринте макет турретборда, выписал списог деталей. Сейчас решаю проблему с шасси.. Хрен где достанешь, или за бешенные деньги.. Потом получу зарплату и закуплю детали. Буду делать на нашей элементной базы, на наших лампах. Эта бошка скорее всего уйдёт в подарок куму, который прётся не по тяжеляку, а играет рок. Нет смысла вкладываться по полной, т.к. куму бошка нада для дома, сказал, что на буржуйской базе делать не стоит. Ну а изначально хочу сделать бошку, конечно, для себя, чтоб был бритиш саунд дома в арсенале. А потом уж посмотрю, или подарю куму, или себе оставлю, а ему соберу новую..

Оффлайн Engener

  • Ветеран форума
  • ******
  • Сообщений: 3471
  • :-)
Re: Ламповый преамп для записи - здравствуй ЗВУК!!
« Ответ #8875 : Сентября 18, 2012, 20:16:18 »
 8)


а у меня будеть маленький оранж, комбик китайский разобрал, в котором кранк с однотактом был, тока дырку для лампы сделать ещё одну. Впритык трансы и всё добро разместится, не знаю првда, чё-та накал 7 вольт, надо меры принимать

Оффлайн AntonVIP Автор темы

  • Живу на форуме
  • *******
  • Сообщений: 13729
  • Люблю качественную музыку в стиле "мясо"
    • Страница на ютубе
Re: Ламповый преамп для записи - здравствуй ЗВУК!!
« Ответ #8876 : Сентября 18, 2012, 20:28:58 »
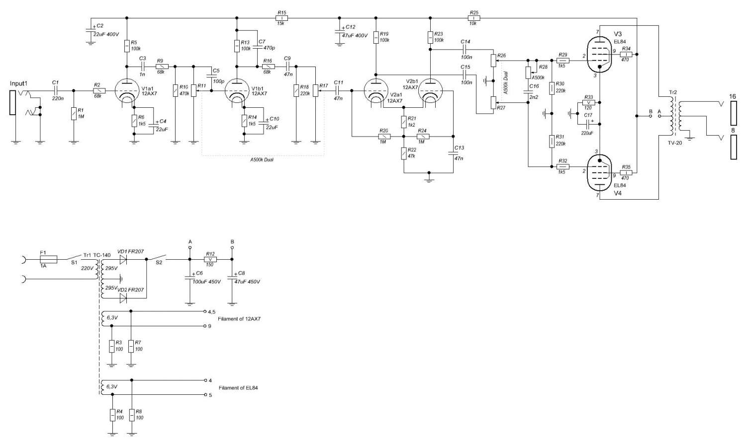
Схема, кому интересно.


Оффлайн Santjago

  • Живу на форуме
  • *******
  • Сообщений: 10916
  • Hard As A Rock
Re: Ламповый преамп для записи - здравствуй ЗВУК!!
« Ответ #8877 : Сентября 18, 2012, 20:43:26 »
AntonVIP, вот те шасси... https://guitarplayer.ru/index.php?topic=251236.0

Оффлайн AntonVIP Автор темы

  • Живу на форуме
  • *******
  • Сообщений: 13729
  • Люблю качественную музыку в стиле "мясо"
    • Страница на ютубе

Оффлайн Zaytseff

  • Ветеран форума
  • ******
  • Сообщений: 5098
Re: Ламповый преамп для записи - здравствуй ЗВУК!!
« Ответ #8879 : Сентября 19, 2012, 10:35:32 »
AntonVIP, а сколько он выдавать на выходе будет?
Хочу для дома себе сделать усилитель, ну максимум ватт на 5, можно и еще меньше. Мне надо для блюза и рока.
Собственно мысли есть следующие:
- два канала, чистый и перегруз, возможно буст
- отдельные регулировки частотки на оба канала.
- ручка мастер на оба канала.
- петля посыл возврат
- ревер пружинный
- выход на уши
- AUX вход, или включение прям в цепь любого вменяемого мрз- плеера, что бы минуса заводить
- динамик 10 - 12 дюймов.
Все это в формате комбаря.
Посоветуйте, какую схему взять за отправную точку.