«
 
»
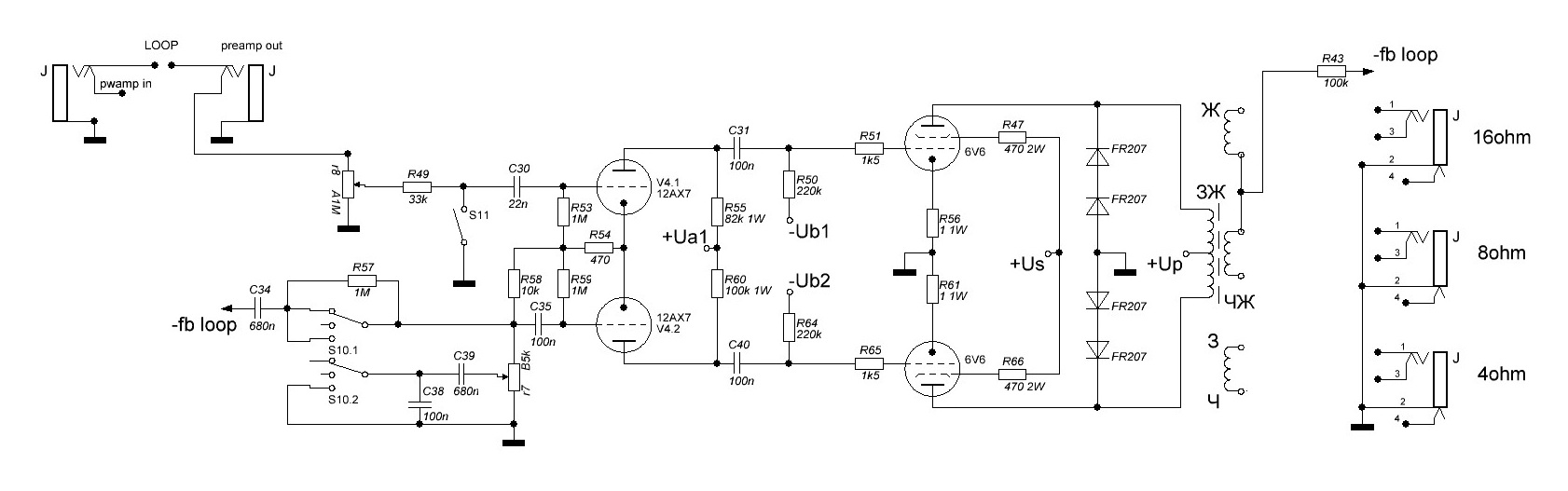
пред оконечник MOD T плюс MOD S пит…
оконечник
Нажмите на фото для просмотра в полном размере
Размер материала отличается от размера при загрузке. Попросите администрацию вручную перезагрузить файл.

Автор

О файле

Tornvald

  • Всего файлов: 71
  • Всего комментариев: 0
ДобавленоФевраля 19, 2012, 13:29:00
Ширина × Высота1682 × 527
Размер файла109 Кб
Название файлаMOD T плюс MOD S оконечник.jpg
Просмотров1114
Рейтинг
BBC код
HTML код
Ссылка
Комментарии Комментариев нету
Aeva Media 1.4w © 2008-2011 Nao & Dragooon - Wedge: level up your forum!