Привет всем!
В процессе отрисовки схемы усилителя возникли небольшие вопросы, которые хотелось бы прояснить для себя.
Ну и собственно ближе к делу:
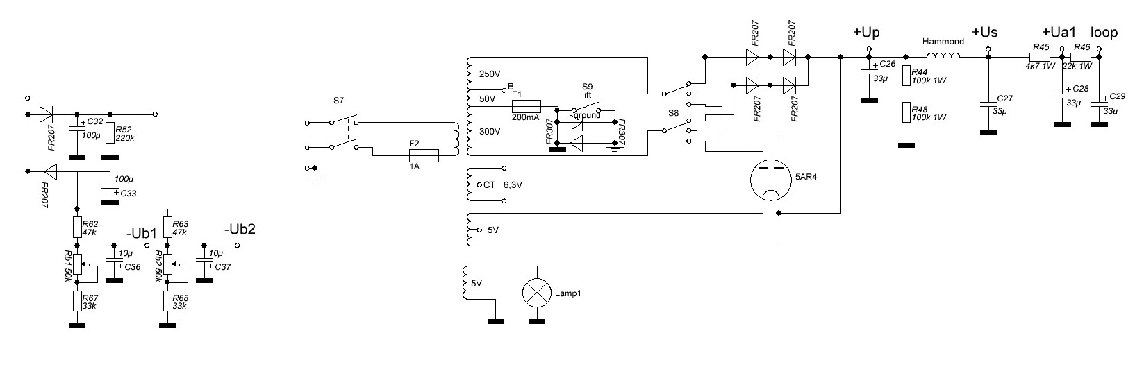
1.Возможно ли одним тумблером организовать переключение выпрямителя кенотрон/диод и standby?
То есть мы имеем трехпозиционнный переключатель, в среднем положении анодка у нас выключена, а в крайнем верхнем/нижнем соответственно работают диодный мост или кенотроны? Или все же лучше использовать два тумблера?

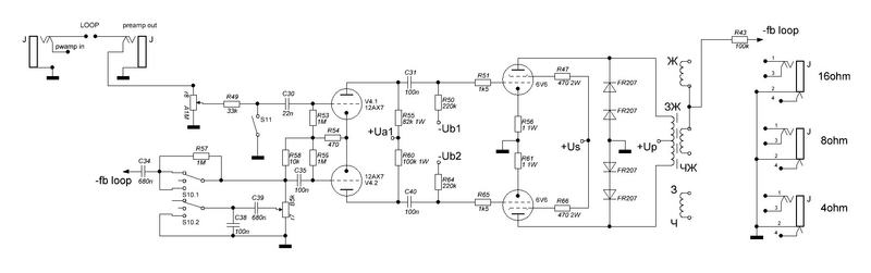
2.Отрисовал коммутацию выходов трансформатора Hammond 1620, гляньте, все верно? Может пропустил чего, вроде проверял. Запарился с этими гнездами что то я.


