Что мне пришлось изменить:
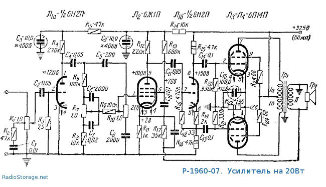
1 Во первых у меня динамик мощный для это усилителя. Я меняю схему выходного каскада на ту что была в старом журнале Моделист конструктор из 2 ламп 6П14 было заявлено мощность 20 Вт.

2 Уменьшаю коэффицент усиления фазоинвертора (Гишян правильно сказал что он перегружается раньше выходного каскада), и именно он делает звук этого усилителя который я бы характеризовал как "джазовый" (не моя музыка).
3 Изменяю тембро образующие цепи R32 C3 (по моей схеме). Получаю кристально чистый клин, (без "джазового" окраса), но совершенно безвкусный.
4 Увеличиваю усиление лампы U5 кристальная прозрачность остается, но уже приятный окрас обертонов, я хочу их еще.
и добавляю еще лампу U8. И в итоге получаю звук клина как у популярной группы Ария в песнях Беспечный ангел и Точка не возврата.
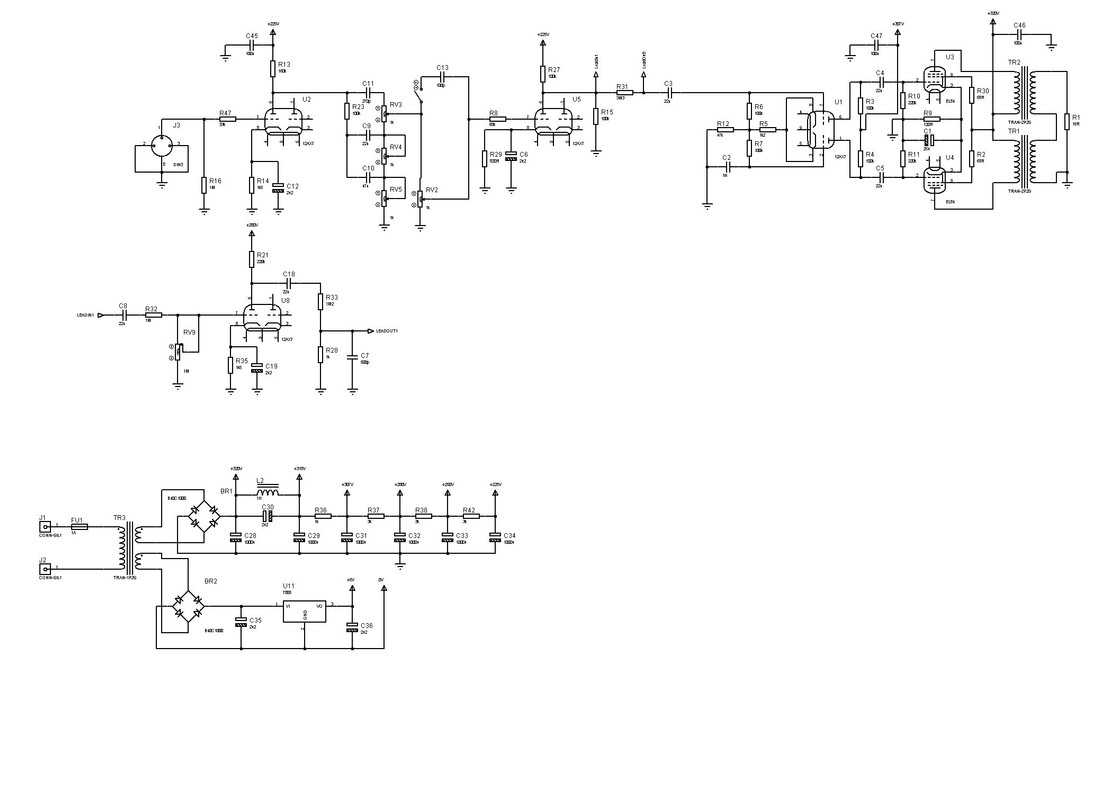
... и добавил:Схему я перезалил лучшего качества.
Николай Фёдоров, По схеме как минимум пара нюансов в меру того, что можно разглядеть на размытой схеме:
- в анодном все электролиты подписаны 100 мкФ. Это очень большие емкости для такого применения. Требуется буквально один после моста, далее 47-22-22-22 мкф более чем достаточно. Динамика будет "гитарной".
- цепи низковольтного питания тоже надо приземлять на землю. Особенно если очень плотный монтаж.
Я побрал их экспериментально когда боролся с фоном, динамика меня устраивает, может кому то покажется что звук слишком "скомпрессирован", пускай сам подберет их по своему вкусу из ходя из своих предпочтений в звуке. Что я и советую всем участникам форума. Делать приборы "под себя" а не делать копии повторяя известные схемы, это же творчество такое же как игра на гитаре.