Здравствуйте Господа!
Задался целью собрать бас гитарный усилитель (полностью ламповый) для сына. Определенный опыт имею с детства, но не совершенные знания. Хотя уже собрал для детей Fender Bassmann, Princeton Reverb на 6П3С-Е, Supro Thunderbolt, Tweed Deluxe, Marshall 18W... Внес свои фичи-дороботки, типа Gain boost, Dumble style FX Loop, Triode-Pentode, Negative Feedback Regulation, etc.... Это я к тому, что уже не раз било током и при работе под напряжением, всегда держу одну руку в кармане
Я сам на гитаре не играю, но в звуке разбираюсь. Нужны советы.
А сейчас по существу:
Моя цель - собрать бас гитарный усилитель, скажем так, для джаз-рок, фюжен и по надобности с достаточным перегрузом. Реализуемая мощность 200 - 300 ватт.
Предварительный типа Алембик:
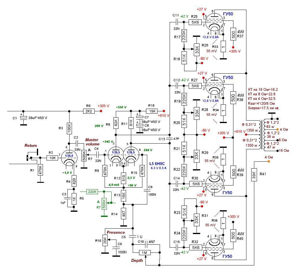
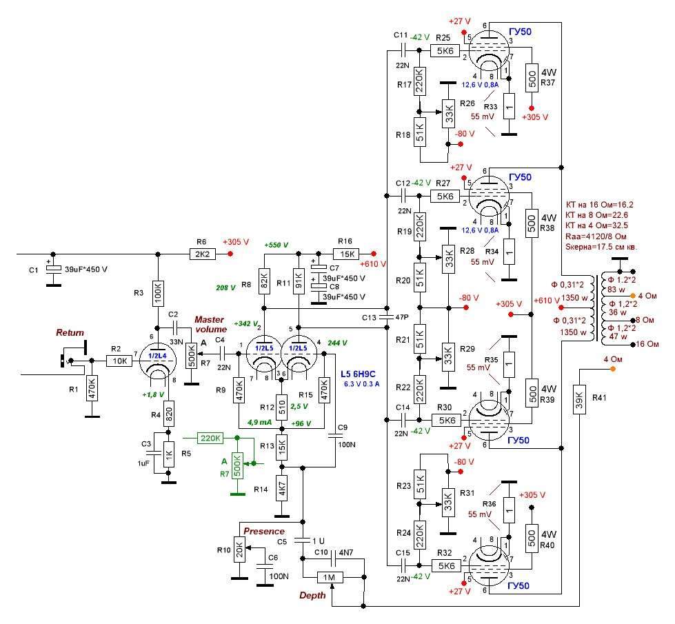
http://www.frontiernet.net/~jff/af2b/Dual_Channel_Blackface-style_Preamp_for_Bass_Guitar.htmlА для оконечника пока выбрал эту схему:

Интересно ваше мнение:
1. оставить все как есть;
2. заменить триоды на 12a...7
3. повысить анодное напряжение и вместо 6-ти оставить 4 шт. ГУ-50
Любой ответ приветствуется с благодарностью