Автор Тема: Бас гитарный оконечник на ГУ-50 в паре с предусилителем Алембик  (Прочитано 8218 раз)

0 Пользователей и 1 Гость просматривают эту тему.

Оффлайн Виталийй

  • Частый посетитель
  • **
  • Сообщений: 232
  • GuitarPlayer.Ru fan!
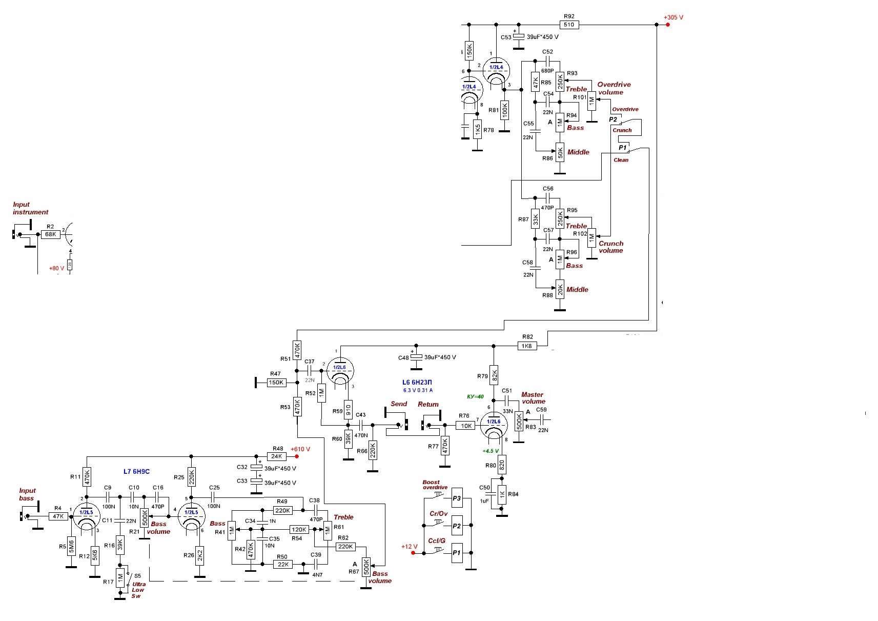
Понятно, извиняй. Вообще хотя планирую не для бас гитары усь, поскольку выходник получился не хилый, хотел к нему вот такой пред добавить, но пока сомневаюсь, не перебор ли, да и на передней панели места почти не остаётся ??? пока думаю. Кто что скажет, стоит так делать?

Оффлайн AZG

  • Живу на форуме
  • *******
  • Сообщений: 95596
  • Санкт-Петербург
    • AZG CUSTOM
При работе без сеточных токов дополнительный драйвер не нужен, если хватает размаха для одной пары.

Смотря какие лампы. Для ГУ-шек ой как не помешает.

Оффлайн Anatoly Avlet

  • Частый посетитель
  • **
  • Сообщений: 190
  • GuitarPlayer.Ru fan!
Сделал расчет Вашего оконечника для 6 ламп ГУ50 и трансформатора 2200 Ом. Получается, что 710 вольт питания это предел. Мощность при этом будет 380 Вт при том, что напряжение на второй сетке выбрано выше паспортного. Ток покоя для каждой лампы поставить максимум до 30-35 мА. Только эта схема не позволит выставить ток покоя, нужно добавить измерительные резисторы в катоды и сделать раздельную регулировку для каждого плеча.
Если ставить четыре лампы, то питание будет 590 вольт максимум и мощность 220 Вт.
Рассмотрите вариант оконечника от SVT, это лучшее решение для басс.Схема от Ampeg не безупречна, но последние варианты SVT-CL и SVT-VR за столько лет уже отработаны или сделайте аналогичный обвес ГУшек. Обратите внимание на резисторы, они помечены как специальные невозгораемые и служат также в качестве защитных предохранителей в случае КЗ.
Все-таки 700 вольт в питании довольно много, на первичке OT будет доходить до 1400 и лучше не рисковать (не собой, а техникой).
« Последнее редактирование: Декабря 19, 2017, 17:46:18 от Anatoly Avlet »