Автор Тема: Цоколевка 6Н2П  (Прочитано 17932 раз)

0 Пользователей и 1 Гость просматривают эту тему.

Оффлайн Lupus_Nocturnus

  • Ветеран форума
  • ******
  • Сообщений: 3509
Re: Цоколевка 6Н2П
« Ответ #60 : Августа 19, 2010, 22:27:36 »
Не смотря на троллей, позволю себе ответить:

Цитировать
Я же собираю пред. Мне так же следует разбивать свою схему на предусиление и выходные каскады?

Да. Для предусиления правильная разводка земли и качественный монтаж очень важны (важнее чем для усилителя мощности). Т.к. входной уровень сигнала очень мал и усиливается вместе со всеми шумами и наводками.

Цитировать
2) Из пунктов 2 и 3 я понял, что земли всего, что в катодах ламп ВСЕХ каскадов надо собрать в одну точку, а все эквализационные и громкостные земли ВСЕХ каскадов нужно собрать в другую точку? Не будет ли это некоторым смешением токов в земляных отаодах различных каскадов?

Обычно делается несколько "звезд": Земли каждого каскада и ТБ собираются в отдельных точках, дальше от этих точек земля идет на общую звезду (туда же идут земли БП, земли всех конденсаторов питания на "-" первого, а от него уже на "звезду" (хотя, некоторые делают для БП отдельную точку) и оттуда уже идет провод на шасси (не всегда так, сильно зависит от схемотехники и физического расположения деталей).

На самом деле, на практике, чаще используется земляная "шина". Т.к. удобней в монтаже (особенно в случае с печатной платой).

Оффлайн el-doctor

  • Ветеран форума
  • ******
  • Сообщений: 3734
Re: Цоколевка 6Н2П
« Ответ #61 : Августа 19, 2010, 22:27:43 »
max_max, шум в основном происходит либо из накала либо изза неправильно разведенной земли.

почему так - да прочитай любую книжку - это вес не секрет и уже в простом  справочнике радиолюбителя за 1955 год описаны все способы снижения шумов в ламповых конструкциях известные ныне (это не шутка уже..).

SOF, землю собирают в две топологии - либо звезда либо шина. Приедрживайся какой то из них.
важно уяснить что по земляному проводнику тоже течет ток, в определенном направлении. При неправильном схождении в землю отдельных земель различных каскадов эти токи максимизируются и начинают оказывать заметное влияние в звуке.

заземление через шасси плохой способ. так делали давно. сейчас основная точка заземления это катод первого фильтрующего конденсатора. шасси также надо соединять одним единственным проводником с этой точкой.

если шума много то скорее всего ты не просто допустил ошибки в разводке земли, ты сделал земляную петлю где-то. Аккуратный продуманный монтаж - залог успеха при построении ламповых конструкций.  ;)

Оффлайн Lupus_Nocturnus

  • Ветеран форума
  • ******
  • Сообщений: 3509
Re: Цоколевка 6Н2П
« Ответ #62 : Августа 19, 2010, 22:30:26 »
Цитировать
max_max, шум в основном происходит либо из накала либо изза неправильно разведенной земли.

Либо из-за внешних наводок, которые усиливаются вместе с полезным сигналом. ЧТо в данном случае вероятней, т.к. монтаж, судя по всему на длинных проводах и без экрана.

Оффлайн el-doctor

  • Ветеран форума
  • ******
  • Сообщений: 3734
Re: Цоколевка 6Н2П
« Ответ #63 : Августа 19, 2010, 22:34:02 »
Lupus_Nocturnus, госпади какое пасцаке то родил,  почитай книжку наконец  :pozor:

хоть одну.  ;)

для печатки принципы разводки те же что и есть для навесного монтажа. Сразу видно что наш гуру-"практик" ничего не делал ни разу, кроме неудачной конструкции, где потерпел фейл с накалом.

а потом - с чего ты взял что сигнал мал? а с микрфона например номинальный вольтаж еще меньше? а с поверхности кожи биопотенциалы еще меньше... тем не менее существовал УБП-1 (полностью ламповый кстати), который это все без особых проблем и шумов доставал.  Усиление потребное просто для усиления сигнала и его воспроизведения не очень велико. Вся проблема возникает в том что в гитарных предах закладывается избыточное усиление для формирования звучания.

Кстати для автора темы - пред от маршаллов типа 1959 или 800 - не очень удачная вещь чтобы строить именно в варианте предусилителя отдельно. В звуке этих аппаратов большое, огромное значение имеет работа самого оконечника этих усилителей.

Оффлайн hunted

  • Ветеран форума
  • ******
  • Сообщений: 4227
Re: Цоколевка 6Н2П
« Ответ #64 : Августа 19, 2010, 22:36:29 »
Кстати для автора темы - пред от маршаллов типа 1959 или 800 - не очень удачная вещь чтобы строить именно в варианте предусилителя отдельно. В звуке этих аппаратов большое, огромное значение имеет работа самого оконечника этих усилителей.
Придерживаюсь такого же мнения.

Может HotBox попробовать?

Оффлайн Lupus_Nocturnus

  • Ветеран форума
  • ******
  • Сообщений: 3509
Re: Цоколевка 6Н2П
« Ответ #65 : Августа 19, 2010, 22:39:56 »
el-doctor: Слушай, хватит уже бред то нести? Пытаешся придратся к каждому члову, даже если и придиратся то там не к чему.  :hmmm:

Хотя дело действительно не столько в том что сигнал мал, сколько в том, что наводки между каскадами при монтаже "гирляндой" - сопоставимы с уровнем полезного сигнала.

Оффлайн el-doctor

  • Ветеран форума
  • ******
  • Сообщений: 3734
Re: Цоколевка 6Н2П
« Ответ #66 : Августа 19, 2010, 22:42:37 »
hunted, он в общем то носит в себе черты маршаков  ;) попробуй. немного адаптированная конструкция. схем было много вариаций, например от Денна известная или от Никиты (http://basokby.narod.ru/apparat/hotbox_pedal/hotbox_pedal.html). Но все равно мое мнение - для копирования именно маршаллов недостаточно одного преда...

Оффлайн SOF Автор темы

  • Завсегдатай
  • ***
  • Сообщений: 280
  • Orion Guitar
Re: Цоколевка 6Н2П
« Ответ #67 : Августа 19, 2010, 23:09:25 »
el-doctor, hunted, я просто уже начал, поэтому хочу довести этот проектик до конца. Мне сейчас главное - это отработать технологию и всякие мелкие нюансы, чтобы не удивляться потом всему подряд).

Ок, тогда буду делать так:

Инпутс 2, С1, R1 соберу в точку 1.
Соответственно Инпутс 1, С3, R9 соберу в точку 2.
R12, R16 соединю в точку 3.
VR1, VR2, VR4, соединю в точку 4.

Это локальные звезды -1, 2, 3 и 4. Далее соберу их все на минусе конденсатора питания. Далее к минусу конденсатора питания подведу провод от шасси.

Локальные земли можно сразу соединить на минусе конденсатора в фильтре питарния, а можно соединять их последовательно ( например 1 и 2 подключить к 3, а 3 к минусу конденсатора). Будет ли разница? Почему?

Вообще я не очень понял про топологию "шина". Те пункты, которые я описывал, как я понял касаются топологии "звезда". Однако до этого el-doctor посоветовал мне придерживаться какой-то одной из них, из чего я могу сделать вывод, что это не просто так. Тогда прошу разъяснить как сделать разводку земли тем и другим методом.

Статья на ГТЛабе как будто наполовину переведена человеком, а наполовину - промтом.


Оффлайн hunted

  • Ветеран форума
  • ******
  • Сообщений: 4227
Re: Цоколевка 6Н2П
« Ответ #68 : Августа 19, 2010, 23:15:53 »
SOF,
Попробуй также в порядке эксперимента отпаять одну ногу резистора R13 - тем самым отрезав (временно) входы II, и посмотри, как все будет работать, а то может ты просто земли и сигналы где то на гнездах попутал.

Оффлайн Lupus_Nocturnus

  • Ветеран форума
  • ******
  • Сообщений: 3509
Re: Цоколевка 6Н2П
« Ответ #69 : Августа 19, 2010, 23:28:45 »
Цитировать
Вообще я не очень понял про топологию "шина".

Шина - это проводник, к которому по порядку подключены все "земли". Вот так:

287398-0


... и добавил:

PS: Землю первого входа в самое начало, землю фильтрующих конденсаторов (сверху) в самый конец.

Оффлайн SOF Автор темы

  • Завсегдатай
  • ***
  • Сообщений: 280
  • Orion Guitar
Re: Цоколевка 6Н2П
« Ответ #70 : Августа 19, 2010, 23:31:13 »
hunted, у меня было одно гнездо, поэтому я припаял его на Хай Инпут 2, а остальные замкнул на землю (как и должно быть, когда джэки не вставлены). Я просто собираюсь переразвести все на несколько плат( до этого все кроме гнезд и потенциометров было на одной печатке), поэтому и собираю все сведения, чтобы потом по сто раз не переделывать. Завтра попробую поэкспериментировать немного с картонной коробкой, обклеенной фольгой)

Оффлайн hunted

  • Ветеран форума
  • ******
  • Сообщений: 4227
Re: Цоколевка 6Н2П
« Ответ #71 : Августа 19, 2010, 23:36:42 »
SOF,
Тогда отпаяй один контакт R14, чтобы совсем исключить входы I

Оффлайн el-doctor

  • Ветеран форума
  • ******
  • Сообщений: 3734
Re: Цоколевка 6Н2П
« Ответ #72 : Августа 20, 2010, 05:51:08 »
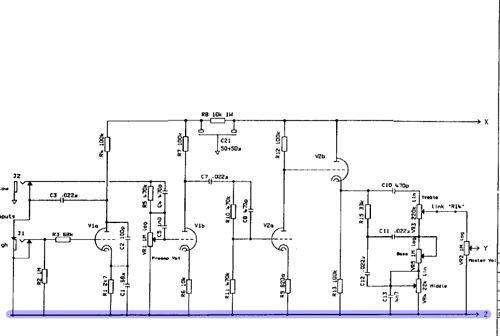
SOF, вот звезда для хотбокса например, отрисована Денном. Опустив номиналы деталей - это та же схема фактически с которой работаешь ты. http://basokby.narod.ru/schems/hotbox/denn_hotbox.gif

Оффлайн Bulldozerrr

  • Эксперт
  • *****
  • Сообщений: 2935
Re: Цоколевка 6Н2П
« Ответ #73 : Августа 20, 2010, 06:50:31 »
SOF, вот звезда для хотбокса например, отрисована Денном. Опустив номиналы деталей - это та же схема фактически с которой работаешь ты. http://basokby.narod.ru/schems/hotbox/denn_hotbox.gif


Чаво то тама напутано по лампам, электрогармоноксовая лампа в КП то выживет ли?
А схема разводки земли и питалова нормальная.

Оффлайн el-doctor

  • Ветеран форума
  • ******
  • Сообщений: 3734
Re: Цоколевка 6Н2П
« Ответ #74 : Августа 20, 2010, 13:13:35 »
Чаво то тама напутано по лампам, электрогармоноксовая лампа в КП то выживет ли?
А схема разводки земли и питалова нормальная.

это не принципиально - 12ах7 могут быть любыми, можно и 6н2п поставить переделав схему накала и изменив трансформаторы-перевертыши