Автор Тема: делаем Krank Krankenstein  (Прочитано 63938 раз)

0 Пользователей и 1 Гость просматривают эту тему.

Оффлайн Мяталист

  • Ветеран форума
  • ******
  • Сообщений: 5743
  • Будь как все. Собирай JCM 800 и SLO 100
Re: все ж делаем Krank Krankenstein
« Ответ #285 : Января 18, 2012, 20:40:49 »
Ни че там не нужно ставить. Это местная ОС.
Как работает может щас кто то расскажет.

Оффлайн tiretrak Автор темы

  • Эксперт
  • *****
  • Сообщений: 1368
Re: все ж делаем Krank Krankenstein
« Ответ #286 : Января 20, 2012, 18:12:05 »
дело движется.
запустил накал . все ок
запустил цепь биаса. рванул кондер. оказалось диод впаял наоборот.исправил. все ок. биас отстроил
запустил анодку до стендбая. после диодного моста 517в выпрямленных.вроде нормуль
запустил питание коммутации и реле. все путем вроде.на операционники -+12 и -12.
припаял сделал все провода. остался только мастер с потенциометров.
столкнулся с косяком.на реле подается питание как и надо в зависимости от нажатия футсвича НО
РЕЛЕ НЕ ПЕРЕКЛЮЧАЕТСЯ. реле на 12 вольт. по тестеру питание идет 11.5 где то. посмотрел фотки крайкенштейна и револшна и везде стоят реле на 5 вольт.
может реле не переключаться из за того что меньше 12 вольт подается ?

Оффлайн kholonkin

  • Завсегдатай
  • ***
  • Сообщений: 347
Re: все ж делаем Krank Krankenstein
« Ответ #287 : Января 20, 2012, 18:45:35 »
12 вольт реле от 110..9 вольт должно работать......(может там одно из 100 не сработает).... 5 -вольтовые ставить на 12 вольть......... :crazy:

Оффлайн tiretrak Автор темы

  • Эксперт
  • *****
  • Сообщений: 1368
Re: все ж делаем Krank Krankenstein
« Ответ #288 : Января 20, 2012, 18:56:28 »
5 -вольтовые ставить на 12 вольть.
почему тогда в оригиналах на 5 вольт стоит

Оффлайн kholonkin

  • Завсегдатай
  • ***
  • Сообщений: 347
Re: все ж делаем Krank Krankenstein
« Ответ #289 : Января 20, 2012, 19:00:10 »
почему тогда в оригиналах на 5 вольт стоит
ну значит их 5-тью вольтами и кормят..
вообще бред, что это за реле такие, которые на 12 вольт и при 11,5 не срабатывают..... где то собака порылась или танк провалился по какой то причине
« Последнее редактирование: Января 21, 2012, 04:50:22 от kholonkin »

Оффлайн shlema

  • Ветеран форума
  • ******
  • Сообщений: 6135
  • skiper
Re: все ж делаем Krank Krankenstein
« Ответ #290 : Января 20, 2012, 20:20:55 »
tiretrak, на реле написано обычно. у тебя там сколько вольт промаркировано?

Оффлайн AZG

  • Живу на форуме
  • *******
  • Сообщений: 95587
  • Санкт-Петербург
    • AZG CUSTOM
Re: все ж делаем Krank Krankenstein
« Ответ #291 : Января 20, 2012, 20:23:08 »
tiretrak, Проверяй полярность диодов параллельно реле.

Оффлайн tiretrak Автор темы

  • Эксперт
  • *****
  • Сообщений: 1368
Re: все ж делаем Krank Krankenstein
« Ответ #292 : Января 21, 2012, 05:40:13 »
tiretrak, на реле написано обычно. у тебя там сколько вольт промаркировано?
у меня 12в

... и добавил:

tiretrak, Проверяй полярность диодов параллельно реле.
а там же нет диодов около реле
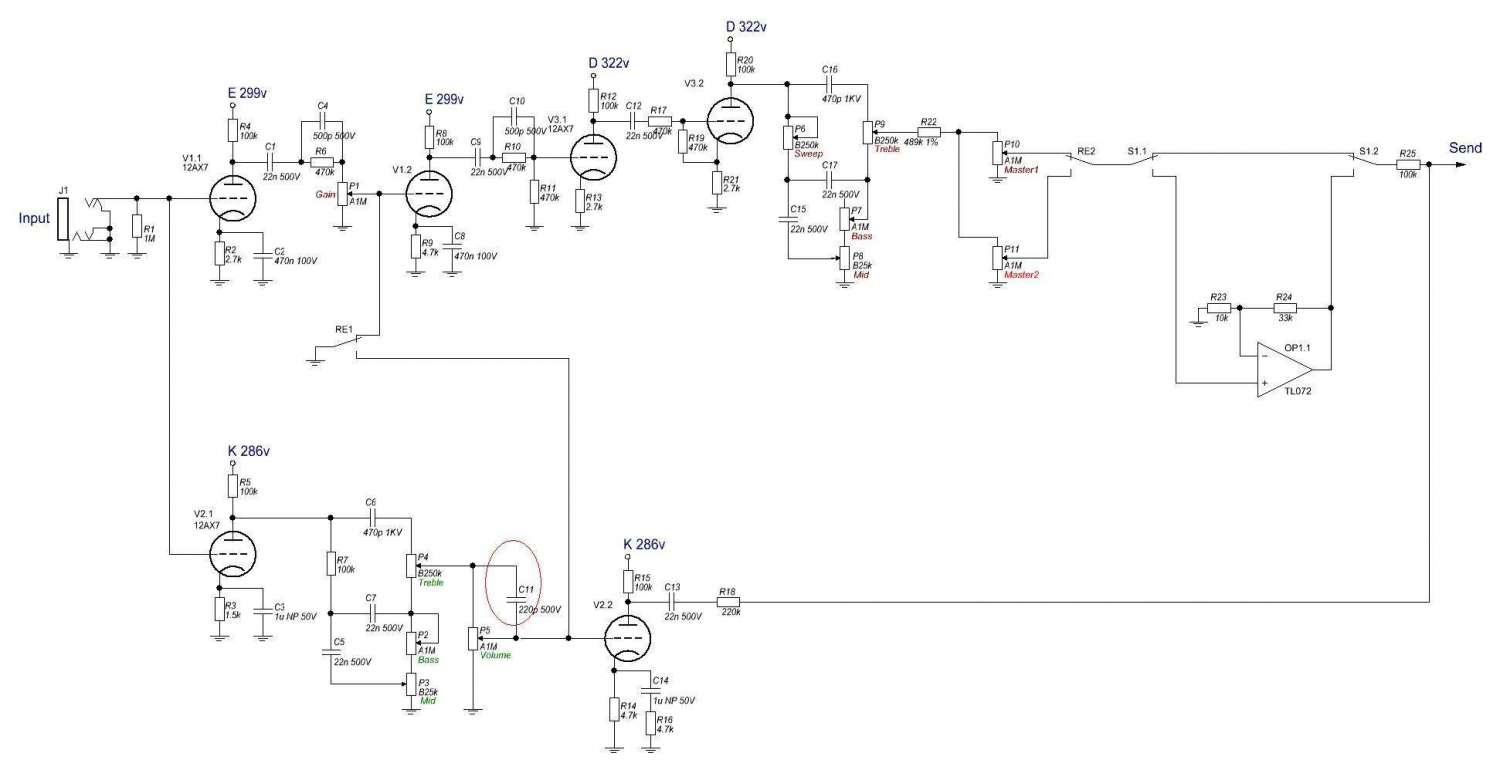
а вот этот конденсатор что делает и есть ли он  оригинале? в революшне вроде нет его
« Последнее редактирование: Января 21, 2012, 07:36:39 от tiretrak »

Оффлайн Dying Fetus

  • Moderator
  • *****
  • Сообщений: 10310
  • DIYng Fetus
    • http://cathar.ru
Re: все ж делаем Krank Krankenstein
« Ответ #293 : Января 21, 2012, 09:36:09 »
 :7: :pozor: после такого вопроса я даже не знааю стоит ли тебе что-то говорить.

если ты даже натыкать детали и припаять не можешь их....

Оффлайн tiretrak Автор темы

  • Эксперт
  • *****
  • Сообщений: 1368
Re: все ж делаем Krank Krankenstein
« Ответ #294 : Января 21, 2012, 10:15:13 »
:7: :pozor: после такого вопроса я даже не знааю стоит ли тебе что-то говорить.
если ты даже натыкать детали и припаять не можешь их....
что за наезд? я все припаял и собрал согласно схеме.вопрос в том- правильная ли она .
вот  этот кусок переключения реле правильный?

Оффлайн ipatr

  • Опытный
  • ****
  • Сообщений: 712
Re: все ж делаем Krank Krankenstein
« Ответ #295 : Января 21, 2012, 10:18:12 »
tiretrak, Проверь напряжение непосредственно на обмотке реле. R1 и R2 точно по 68 Ом?

Оффлайн tiretrak Автор темы

  • Эксперт
  • *****
  • Сообщений: 1368
Re: все ж делаем Krank Krankenstein
« Ответ #296 : Января 21, 2012, 11:01:50 »
tiretrak, Проверь напряжение непосредственно на обмотке реле. R1 и R2 точно по 68 Ом?
R1 и R2 точно 68 Ом
напруга на катушке реле 11.5-11.7 . появляется в зависимости от нажатия футсвича но не переключается..
поясните  схему с реле. как оно работает не понятно. получается что на реле постоянно ток идет.

Оффлайн hell

  • Ветеран форума
  • ******
  • Сообщений: 4704
    • hellamp rocks
Re: все ж делаем Krank Krankenstein
« Ответ #297 : Января 21, 2012, 14:59:02 »
Схема такая, когда резистор на землю опущен - ток течет и реле должно открываться. Как только он отрывается - конденсатор заряжается до 12 вольт и ток перестает течь. При этом на катушке по прежнему будет 12 вольт относительно земли.



... и добавил:

конденсатор на поте пропускает ВЧ. По разному, в зависимости от положения ползунка
« Последнее редактирование: Января 21, 2012, 15:01:36 от hell »

Оффлайн tiretrak Автор темы

  • Эксперт
  • *****
  • Сообщений: 1368
Re: все ж делаем Krank Krankenstein
« Ответ #298 : Января 21, 2012, 15:02:01 »
походу нужны 5 вольтовые реле как в оригинале. эти не срабатывают так как в сумме стоят

Оффлайн hell

  • Ветеран форума
  • ******
  • Сообщений: 4704
    • hellamp rocks
Re: все ж делаем Krank Krankenstein
« Ответ #299 : Января 21, 2012, 15:02:54 »
даташит на реле кинь?