Makaroff, ты не волнуйся, я переделаю

То что ритм хромает это я слышу, писал дабл просто тупо сходу) Ибо за последние 2 года попала в руки стойка и захотелось быстро записать и послушать звук)
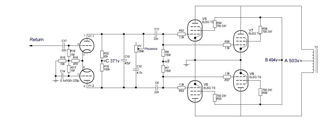
Мяталист, Собирал в период моды на кранки, около полутора лет назад

Согласен звук странноватый) Но середка прикалывает) Хотя от пердежа дется некуда, пришлось резать эквалайзером после.