Автор Тема: Домашний Push-Pull усилитель (3x12AX7 + ГУ-17) 4-6 Вт, один канал. (закончено)  (Прочитано 92370 раз)

0 Пользователей и 1 Гость просматривают эту тему.

Оффлайн major73727

  • Эксперт
  • *****
  • Сообщений: 1834
  • Новосибирск.
После очередного мода  :crazy:, режим теперь такой:
Uа= +250V
Ug2=+200V
Ia1=22mA
Ia2=19mA
Ig2=4,12mA
На стабилитронах падает 48 вольт, потом - R470 - вторые сетки.
Осталось включить и послушать.

Оффлайн Лёха2009

  • Эксперт
  • *****
  • Сообщений: 1197
А вот эти трансформаторы пл они лучат меньше или что?
Просто решил подцепить осциллограф и выбрать расположение выходника относительно силового.
Единственное расположение где мне удалось что то поймать это вплотную к силовику и поставить выходной на бок.

(нажмите чтобы показать/спрятать)


Усилок пока на такой стадии

(нажмите чтобы показать/спрятать)
« Последнее редактирование: Декабря 17, 2025, 06:49:42 от Лёха2009 »

Оффлайн major73727

  • Эксперт
  • *****
  • Сообщений: 1834
  • Новосибирск.
Цитировать
.... выбрать расположение выходника относительно силового.
Катушки не должны быть соосно, тогда и магнитные линии не будут накладываться друг на друга.

Оффлайн surfin bird

  • Эксперт
  • *****
  • Сообщений: 2962
  • Поциент-заМКАДыш
    • Surfin Bird
Мне разные ПЛ попадались,  к примеру, один транс, вынутый из мафона лучит безбожно,  а другой точно такой же транс  работает отлично. А какой ток ХХ у этого ПЛ?
« Последнее редактирование: Декабря 17, 2025, 11:56:41 от surfin bird »

Оффлайн Лёха2009

  • Эксперт
  • *****
  • Сообщений: 1197
Подскажите провода на накал мгшв 0,75 вроде более чем? Ток 2,2А примерно.

Оффлайн Валентин Гаврилов

  • Эксперт
  • *****
  • Сообщений: 2429
  • Long live Rock-n-Roll !!
Лёха2009, 0,75 более чем на 2,2 ампера.  8 ампер на квадрат ,вот и считайте .

Оффлайн Лёха2009

  • Эксперт
  • *****
  • Сообщений: 1197
Что то думаю не хватает на передней панели :pozor:
Индикацию забыл блин. Просто хотел сначала кнопки ставить которые с подсветкой,  потом решил тумблеры лучше.
Можно же к накалу вот так светодиод подключить, ну и вообще вешать на накал что то кроме накала ламп по фен-шую?


Оффлайн Валентин Гаврилов

  • Эксперт
  • *****
  • Сообщений: 2429
  • Long live Rock-n-Roll !!
Лёха2009, Можно и к накальной обмотке , но через мостик + конденсатор +балластный резистор +светодиод .
В свои ампы всегда такую схему паяю.

« Последнее редактирование: Декабря 22, 2025, 09:24:16 от Валентин Гаврилов »

Оффлайн Лёха2009

  • Эксперт
  • *****
  • Сообщений: 1197
Так собрать не успею, спалю все)))
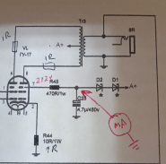
В общем собрал, начал смотреть токи, напряжения, забыл переключить мультиметр в режим вольтметра и в режиме mA метра ткнулся как на картинке. На плюсе кондера щёлкнула искра, появилось тарахтение в динамике.
Вырубил все, включаю по новой, анодка просела до 260в, в точке куда ткнулся те же  260в. Стабилитроны угробил?

... и добавил:

Ну да, хана стабилитронам, блин и нет их больше, резистор ставить не особо камильфо будет так понимаю?

Капец опять заказывать, я уж думал побрынчу сегодня)))))
« Последнее редактирование: Декабря 27, 2025, 12:58:54 от Лёха2009 »

Оффлайн Валентин Гаврилов

  • Эксперт
  • *****
  • Сообщений: 2429
  • Long live Rock-n-Roll !!
Лёха2009  Угробил ..... Измерение тока = КЗ .  Да и прибор мог повредиться . Да и резистор лучше ставить между катодом стабилитрона и емкостью . Иначе при токе зарядки на стабилитронах перегрузка колоссальная .  Все анодное без токоограничения ....мрак !! 470 Ом явно маловато .  Надо по макс. току стабилитрона рассчитывать.
Можно резистор 12КОм (0,5 ватт и более)  поставить . 
« Последнее редактирование: Декабря 27, 2025, 13:13:35 от Валентин Гаврилов »

Оффлайн major73727

  • Эксперт
  • *****
  • Сообщений: 1834
  • Новосибирск.
Цитировать
... резистор ставить не особо камильфо будет так понимаю?
Да стоят эти резисторы в миллёне схем и никто ещё не умер.
Я вот, поставил стабилитроны и теперь думаю всё в зад возвращать или вообще - какую-нибудь 6Н6П попробовать.
 Звук стал дерьмовый.
Вы попробуйте с резистивным делителем "потренькать" - может и так устроит, что скорее всего и будет  :).
Валентин Гаврилов , то, что стабилитроны напрягаются во время заряда - я как-то не подумал.
Наверно правильнее будет добавить ещё один резистор между емкостью и стабами.
« Последнее редактирование: Декабря 29, 2025, 03:18:52 от major73727 »

Оффлайн Rolly

  • Живу на форуме
  • *******
  • Сообщений: 9016
  • Мнение - не повод получить пулю сразу.
Лёха2009  Угробил ..... Измерение тока = КЗ .  Да и прибор мог повредиться . Да и резистор лучше ставить между катодом стабилитрона и емкостью . Иначе при токе зарядки на стабилитронах перегрузка колоссальная .  Все анодное без токоограничения ....мрак !! 470 Ом явно маловато .  Надо по макс. току стабилитрона рассчитывать.
Можно резистор 12КОм (0,5 ватт и более)  поставить . 
Там 470 Ом стоит между сеткой и конденсатором и работает только на токоограничение сетки. Я писал, что нужно 2 (два) резистора, второй как раз между анодным питанием и конденсатором. И в сумме не надо задирать сопротивление, т.к. сеткам может не хватить питания для нормальной мощности и хэдрума. 2х470 было б нормально. Ну а вообще ток заряда, как показывает практика, держат нормально, т.к. он краткосрочный. Они вылетают не от самой величины тока в начальный момент, которая с каждым циклом 50 Гц снижается, а от длительного прохождения. Т.е. замкнуть их на 1 секунду на землю - это 50 циклов с полной амплитудой. На 3-5 секунд, чтобы посмотреть стабильное показание - 150-250 циклов полной амплитуды.

Оффлайн Валентин Гаврилов

  • Эксперт
  • *****
  • Сообщений: 2429
  • Long live Rock-n-Roll !!
Rolly, Да я про то же самое , только не написал , что речь идет про второй резистор  в цепи стабов и что его надо увеличивать . Когда сам чего-то хорошо знаю -ошибаюсь при объяснении кому-то другому ))))   Сам стабилитроны никогда в сетки не ставлю , только резисторы .

Оффлайн AZG

  • Живу на форуме
  • *******
  • Сообщений: 95387
  • Санкт-Петербург
    • AZG CUSTOM
Зависит от того, сколько надо просаживать. Если резистор получается более разумных 15-22к, то будет непривычная динамика. Потому и старались ставить или лавинный диод или стабилитроны. Они дают более управляемую динамику. Во всем остальном резистор будет конечно лучше. У меня вышло 39к и я потестил разницу. С резистором тоже ОК, но мощник как бы медленнее получается. Для нужной схемы преампа никаких проблем, все получилось ОК.

Оффлайн Rolly

  • Живу на форуме
  • *******
  • Сообщений: 9016
  • Мнение - не повод получить пулю сразу.
Валентин Гаврилов, здесь стабы - не каприз, а именно из необходимости обеспечить большое падение и не задушить по току сетку, чтобы мощность выходная была. Но нельзя забывать про токоограничение и развязку питания анодов и второй сетки. Поэтому последовательно со стабами нужен резистор до конденсатора питания сеток и между сетками и этим же конденсатором нужен резистор. Т.е. нужно два резистора, а сейчас рисуют один, копируя когда-то составленную Тандером схему.