Автор Тема: Ерасов GTA-30R доработка  (Прочитано 9825 раз)

0 Пользователей и 1 Гость просматривают эту тему.

Оффлайн Yakub Автор темы

  • Завсегдатай
  • ***
  • Сообщений: 435
Re: Ерасов GTA-30R доработка
« Ответ #15 : Сентября 22, 2019, 13:30:26 »


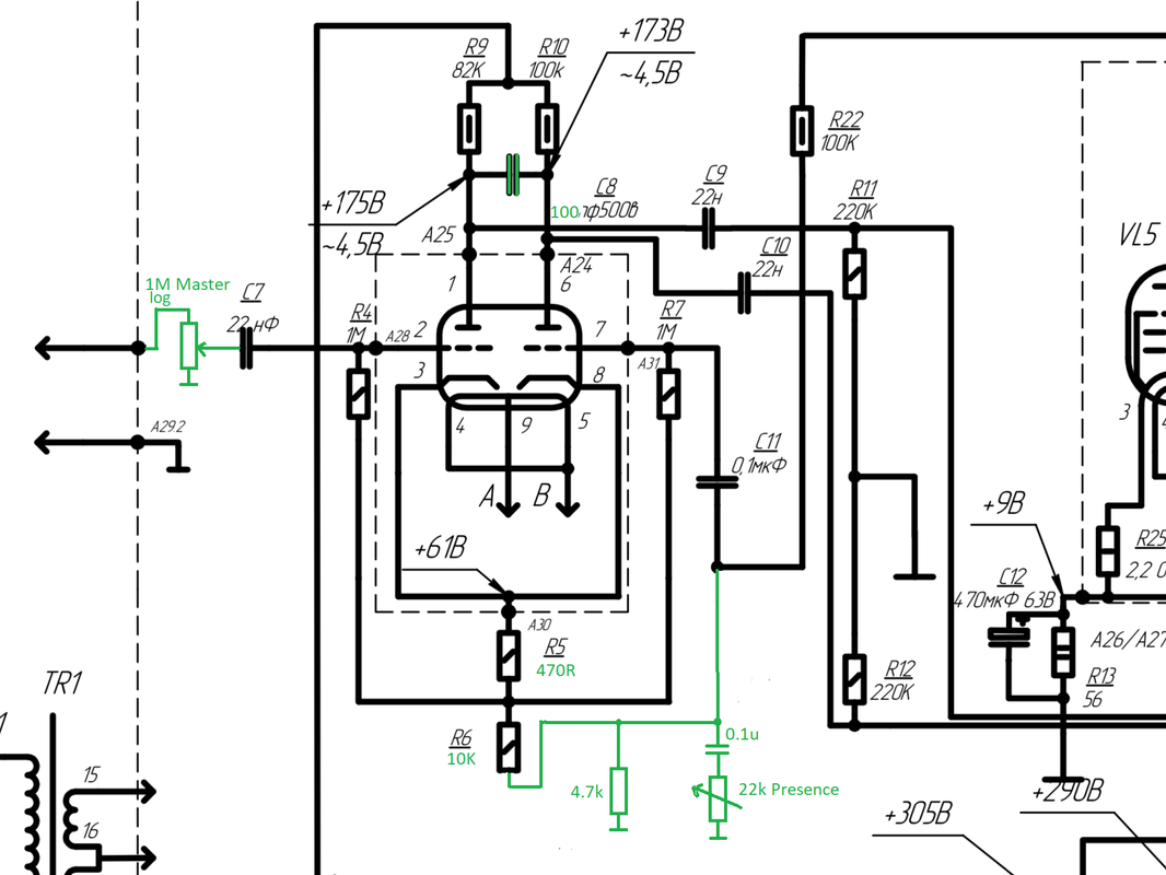
Начертил схему изменений в мощинке. Зеленым отмечены нововведения.  Насолько я понял, каскады на EL84 не меняются?  В схеме 2203 присутвует резистор 4к7 паралельно с презенсом, я его отметил синим (Rx). Какую роль он играет, и нужен ли вообще в Ерасове?
Какой номинал должен быть у резистора смещения R5, ведь на маршале стоит 12AX7, а на eрасове 12AT7 ?

Не понял где ставить Master Volume - если оставлять петлю, то за ней, а если убрать ее? Думаю всеже убрать, полупроводники долой! :) Тогда получится что громкость перегруженого канала и будет мастер, но только для перегруза, а чистый пойдет на прямую.

Решил что хочу в итоге получить маршалоидный звук, а не модерн. Да, а не следует ли заменить все резистроы на Xicon MF?

Схема 2203: https://www.thetubestore.com/lib/thetubestore/schematics/Marshall/Marshall-JCM800-Lead-Mstvol-100W-2203-Schematic.pdf



« Последнее редактирование: Сентября 22, 2019, 16:03:00 от Yakub »

Оффлайн AZG

  • Живу на форуме
  • *******
  • Сообщений: 95428
  • Санкт-Петербург
    • AZG CUSTOM
Re: Ерасов GTA-30R доработка
« Ответ #16 : Сентября 22, 2019, 13:47:36 »
Yakub, Резисторы не трогай. Там те-же MF отечественного производства. Не хуже однозначно.

В схеме ошибка. Я что писал про резистор 10к и его нижний вывод? Там не должно быть земли. Все детали уже под АХ, ничего там пересчитывать не надо.

Мастер перед С7, слева.

Если полупроводники фтопку, то лишишься ревера. Там все взаимосвязано.

Оффлайн Yakub Автор темы

  • Завсегдатай
  • ***
  • Сообщений: 435
Re: Ерасов GTA-30R доработка
« Ответ #17 : Сентября 22, 2019, 15:14:03 »
Ясно, исправил. Вы говорили что на нижний конец 10К резистра подводится ООС. Оно туда идет через R22 сверху на схеме.
А нужен там синий резистор Рх, как на маршаловской схеме?

Я понимаю что ревер тоже уйдет если убрать полупроводники. Может попробую с петлей и без, сравню.

Оффлайн AZG

  • Живу на форуме
  • *******
  • Сообщений: 95428
  • Санкт-Петербург
    • AZG CUSTOM
Re: Ерасов GTA-30R доработка
« Ответ #18 : Сентября 22, 2019, 15:21:07 »
Вот на цепь ООС и Презенса и сделал. Просто там буквально вывод перекинуть. Резистор 4К7 обязательно нужен, ибо без него фазик работать не будет.

Петлю на ЛНД и туда любой внешний ревер. Она звук не портит и функционал не пострадает.

Оффлайн Yakub Автор темы

  • Завсегдатай
  • ***
  • Сообщений: 435
Re: Ерасов GTA-30R доработка
« Ответ #19 : Сентября 22, 2019, 16:03:40 »
Ясно. Перезалил схему, добавил мастер. Надеюсь, финальный вариант. Теперь перамп.

Оффлайн AZG

  • Живу на форуме
  • *******
  • Сообщений: 95428
  • Санкт-Петербург
    • AZG CUSTOM
Re: Ерасов GTA-30R доработка
« Ответ #20 : Сентября 22, 2019, 16:55:48 »
Yakub, Если петли не будет, Мастер лучше не делать. Смысла нет.

Оффлайн Yakub Автор темы

  • Завсегдатай
  • ***
  • Сообщений: 435
Re: Ерасов GTA-30R доработка
« Ответ #21 : Сентября 22, 2019, 22:05:18 »


Начертил преамп. Правильно ли поставил конденсатор на гейн?


« Последнее редактирование: Сентября 23, 2019, 00:20:51 от Yakub »

Оффлайн sadky

  • Эксперт
  • *****
  • Сообщений: 2604
Re: Ерасов GTA-30R доработка
« Ответ #22 : Сентября 22, 2019, 23:26:38 »
Yakub,  после С11 два резистора по 470к. Один конец одного из них надо отцепить от С11 и прицепить к общему проводу.

Оффлайн AZG

  • Живу на форуме
  • *******
  • Сообщений: 95428
  • Санкт-Петербург
    • AZG CUSTOM
Re: Ерасов GTA-30R доработка
« Ответ #23 : Сентября 23, 2019, 00:02:54 »
Все верно, там должен быть делитель как в сл каскаде.

Кондер на гейн правильно.

Оффлайн Yakub Автор темы

  • Завсегдатай
  • ***
  • Сообщений: 435
Re: Ерасов GTA-30R доработка
« Ответ #24 : Сентября 23, 2019, 00:21:44 »
Yakub,  после С11 два резистора по 470к. Один конец одного из них надо отцепить от С11 и прицепить к общему проводу.

Все верно, там должен быть делитель как в сл каскаде.

Ох, тупанул  :pozor: . Исправил, спасибо.

Оффлайн AZG

  • Живу на форуме
  • *******
  • Сообщений: 95428
  • Санкт-Петербург
    • AZG CUSTOM
Re: Ерасов GTA-30R доработка
« Ответ #25 : Сентября 23, 2019, 08:21:44 »
Yakub, Резисторы паяются прямо в отверстия от половинки пота. Пот не выбрасывай, пригодится если захочешь собрать Рокерверб... ;)

Оффлайн Yakub Автор темы

  • Завсегдатай
  • ***
  • Сообщений: 435
Re: Ерасов GTA-30R доработка
« Ответ #26 : Сентября 23, 2019, 11:30:39 »
Yakub, Резисторы паяются прямо в отверстия от половинки пота. Пот не выбрасывай, пригодится если захочешь собрать Рокерверб... ;)

Понятно. Я ничего не выбрасываю, что может пргодится :)
Может Sozo Yellow mustard взять туда?
https://www.tube-town.net/ttstore/ceramic-disk-capacitor-100-pf-2-kv.html - такую керамику брать в брайты и аноды фазика?

Оффлайн AZG

  • Живу на форуме
  • *******
  • Сообщений: 95428
  • Санкт-Петербург
    • AZG CUSTOM
Re: Ерасов GTA-30R доработка
« Ответ #27 : Сентября 23, 2019, 12:15:09 »
Да, керамика ОК. Если есть Мюрата, то еще лучше.

На предмет СОЗО - слишком жирно для такого аппарата. Я бы туда Маллори или Вишей 1813 поставил.

Оффлайн Yakub Автор темы

  • Завсегдатай
  • ***
  • Сообщений: 435
Re: Ерасов GTA-30R доработка
« Ответ #28 : Сентября 23, 2019, 14:52:41 »
 Ясно.  Составил список компонетнтов для закупки. 470п который в новом фильтре на прегруз должен быть из керамики или слюды?

Преамп

Конденсаторы
100pF керамика, брайт(один в фазик)            x2
2.2uF  63v  Электроиты                                  x2
0.0047uF   Пленка ВВ                                     х1
270pF Слюда в Тон                                         x1
470pf BB в фильтр перед гейн каскадом          x1
470pF Слюда в Тон                                         x1
0.1uF в Тон                                                    x1
0.047uF в Тон                                                 х1
10uF   ВВ электролит                                      x3
0.022uF ВВ                                                     x5
100pF слюда в фильтр                                    x1
0.001uF на драйв                                            x1
0.68uF 63v электролит                                    x1
510pF в фильтр ВВ слюда                               x1

Резисторы
470К                                                             х3
1M log пот  гейн                                             x1

Мощник

Конденсаторы
0.022uF  ВВ                                                    x3
0.1uF OOC                                                      x1
470uF  63v электролит                                    x1

Резисторы
22k lin pot Презенс                                          x1
10k                                                                 x1
470R                                                               x1
4.7k                                                                x1

Питание

Конденсаторы
4700uF 16v                                                     x2
180uF 400v                                                     x1
10uF 400v                                                       x2

Оффлайн AZG

  • Живу на форуме
  • *******
  • Сообщений: 95428
  • Санкт-Петербург
    • AZG CUSTOM
Re: Ерасов GTA-30R доработка
« Ответ #29 : Сентября 23, 2019, 14:57:17 »
слюда