Продолжая свои небольшие обзоры, хочу поделиться демонстрацией очередной легенды
- Нет такого гитариста, который бы не знал что такое тюбскример,
- Нет такого паяльщика, который не знает что такое Хотбокс 
Итак
Matchless HotBox, Sampson era




Тяжёлый, из полированной нержавейки корпус, очень прочный.
Навесной монтаж, сделан очень качественно и красиво. Выводы каждой детали одеты в изоляционную трубку, так же каждая деталь не просто припаяна, а вставлена в проушину и обёрнуто на пол оборота, в общем
Mil-Spec 
Для желающих посмотреть внутренности вот
ссылка на галерею.
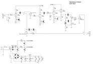
Схема данного устройства S/N 1833, которую я снял:

В целом состояние идеальное, единственный предыдущий владелец, американец, говорил что он использовал только дома и кнопку нажимал только руками

Транс внутри на 110V? придётся искать замену.
Когда я только забрал эту педаль, по дороге домой заехал к приятелю и мы спонтанно записали видео.
Matchless HotBox