Ни тот, ни другой. Они не имеют отношения к усилению каскадов, они задают рабочую точку в половину питания.
У вас ДВА пота громкости один за другим, на выходе примочки и на входе преда. Неужели могут быть какие-то проблемы с якобы мощным выходным сигналом примочки? 
Копнул интернет, нашел сохраненную копию автора. Вот:
________________________________________________________________________________________________________________
Fet Twin - это прежде всего чистый канал. Грузит на максимальном гейне не очень сильно, можно сделать, чтобы вообще не грузил.
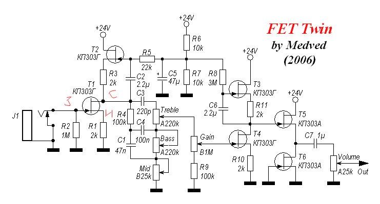
Fet Twin
Схема - идейное воплощение классических фендеровских клинов на пт. Транзисторы КП303г первого и второго каскада подбираются попарно по напряжению отсечки, транзисторы КП303А подбираются по начальному току стока. КП303Г желательно выбирать с отсечкой -2..-2.5В, верхний по схеме КП303А (T5) должен иметь начальный ток стока на 5-15% выше, чем нижний (T6). После такого подбора правильно собранная схема начинает работать сразу и наладки не требует. Первый каскад имеет усиление в районе 10-15дб. Он не должен грузить вплоть до 4в двойной на входе. Если у кого гитара дает меньше, то чувствительность первого каскада подстраивается R5- имеет смысл попробовать значения 10-100к. Второй каскад имеет усиление в районе 25-30дб (регулируется R8). C2,C6 регулируют срез по нч в каскадах. Естественно, оба каскада грузят очень мягко и музыкально. Потенциометр Gain линейный не случайно-так уровень перегруза изменяется очень-очень плавно. С аудио же потенциометром- до 80-90% чистый, потом резко уходит в перегруз. Чтобы чистый ловить не приходилось, сделан делитель из потенциометра Gain и R9.
Питание схемы должно быть не меньше 18в. Лучше 24в, т.к запас по динамике в клине очень важен. Ток потребления схемы- примерно 5ма. Повторитель на выходе- штука полезная, но можно его убрать, конечно, и сразу поставить мегомный пот через кондерчик. Актуально, если у мощника большое входное сопротивление.
___________________________________________________________________________________________________________________________________________________
Не заморачиваться, ровнять сигнал потами громкостями?
Забыл сказать - добавлена петля из проекта Алексея Чернухина(
Kulibinbig):
https://www.youtube.com/watch?v=FNeA_rjc4Po&t=470s