Я так понимаю все на картошке! 
нет, они все ушли пешком в тибет, чтобы там путем изнурительных тренировок

и длительных медитаций

постичь дзэн, прочистить чакры, и открыть третий глаз,

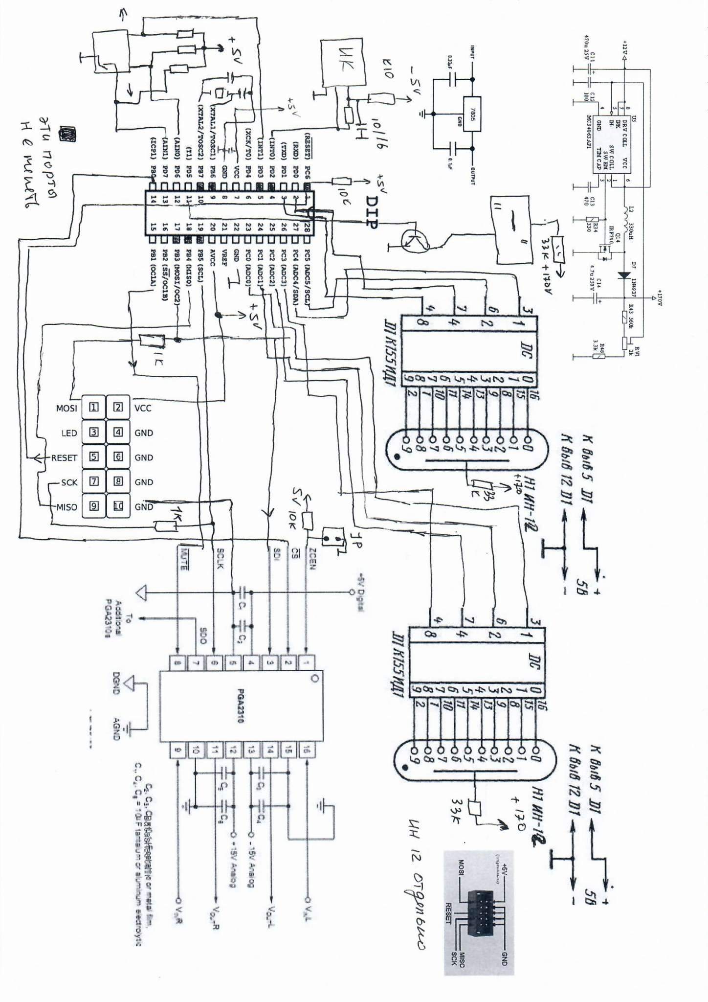
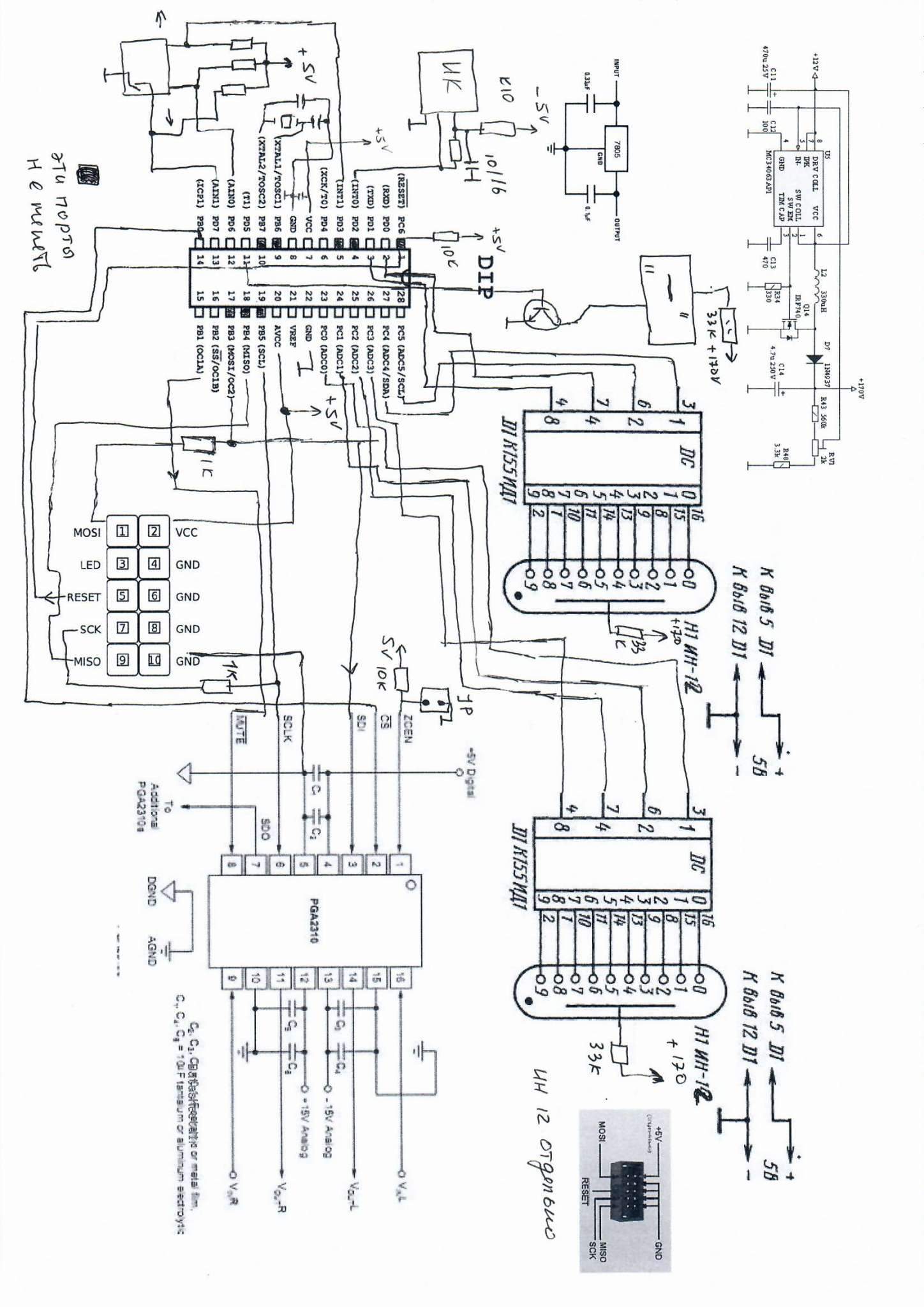
дабы оный узрел таинственную схему того диковинного регулятора, для которого тебе понадобилась аж целая плата
