Автор Тема: Ламповое усиление, делимся полезной информацией.  (Прочитано 262199 раз)

0 Пользователей и 1 Гость просматривают эту тему.

Оффлайн AZG

  • Живу на форуме
  • *******
  • Сообщений: 95529
  • Санкт-Петербург
    • AZG CUSTOM
Там если и есть какие-то блуждающие токи, то микроамперы. Ничего не будет.

Оффлайн Vdm

  • Завсегдатай
  • ***
  • Сообщений: 336
На будущее: оптимальная логистика "Cu...Al":
Cu ---> Cr или напаянный припой ---> Fe или Ni ---> Al

Оффлайн surfin bird

  • Эксперт
  • *****
  • Сообщений: 2963
  • Поциент-заМКАДыш
    • Surfin Bird
Спасибо всем отозвавшимся !
Какой медный спкотч лучше выбрать
https://aliexpress.ru/wholesale?catId=&SearchText=%D0%BC%D0%B5%D0%B4%D1%8C%20%D1%81%D0%BA%D0%BE%D1%82%D1%87

ps  когда собирал макет, под рукой вместо сверла нужного диаметра( под поты ) ,  оказался метчик. Пришлось тупо нарезать резьбу.  ??? Может это и ахтунг, но и механический и электрический результат мне понравился. ;D

... и добавил:

Тут еще одна болячка http://www.popular-hifi.com/projects/nad_stereo/socket_converter/index.html
там для фиксации/заливки  внутренностей адаптора использовался эпоксидный клей. Вопрос: какой клей/компаунд лучше использовать, в контексте диэлектрических свойств и надежности склейки?

Возможно ли применение  https://guitarplayer.ru/equipment-craft/1055108810801084107710881099-1086109210861088108410831077108510801103-1087107710/msg11832339/#msg11832339

Больному срочно нужна касторка с клизмой, а то алебастором зафигачит , штукатуркой кнауф или затиркой  :crazy: :D

Есть еще шальная мысля попробовать силиконвый герметик антипригарный, ён фдобавок вибро-абсорбент  :crazy:  https://leroymerlin.ru/product/germetik-moment-germent-vysokotemperaturnyy-15603470/

ps Фото с "кроной" нарыл в интернете  ;D
« Последнее редактирование: Октября 29, 2021, 09:55:27 от surfin bird »

Оффлайн surfin bird

  • Эксперт
  • *****
  • Сообщений: 2963
  • Поциент-заМКАДыш
    • Surfin Bird
Еще вопрос чайника: как грамотно организовать питание уся, на преампе и фазике которого  250- 400в,  а на мощнике 250-300  ( таково предельно-допустимое напряжение на аноде тетрода/пентода  согласно  даташиту  ) ?  Сделать разветвления  фильтров питания до и после дросселя или использовать отдельную, более низковольтную обмотку PT  со своими выпрямителем, дросселем, фильтрами питания ?
« Последнее редактирование: Октября 28, 2021, 12:06:52 от surfin bird »

Оффлайн AZG

  • Живу на форуме
  • *******
  • Сообщений: 95529
  • Санкт-Петербург
    • AZG CUSTOM
surfin bird, Проще двухэтажное питание замутить. Плюс возможность мощник отключать отдельно.

Оффлайн surfin bird

  • Эксперт
  • *****
  • Сообщений: 2963
  • Поциент-заМКАДыш
    • Surfin Bird
surfin bird, Проще двухэтажное питание замутить. Плюс возможность мощник отключать отдельно.
Спасибо! Какую схему  питалова такого типа можно по-изучать в качестве примера? ( пробел со знаниями ) :pozor:

Оффлайн Картошка

  • Эксперт
  • *****
  • Сообщений: 1345
  • Отжигаем лампы
И дополнительный вопрос, для кучи,  как я понимаю, если поднять вольтаж НТ на первых двух трех каскадах преда. то звук станет светлее и с меньшей компрессией? Поднятие вольтажа процентов на 20, например с 300  до 360 ???

Оффлайн AZG

  • Живу на форуме
  • *******
  • Сообщений: 95529
  • Санкт-Петербург
    • AZG CUSTOM
Картошка, ДА

surfin bird, Ну Хайватт-ы басовые например. И т.п. В давние времена двухэтажку много где применяли. Но надо две анодные обмотки на силовике. Выгода в том, что доп обмотка всего на 50-100 вольт выйдет с небольшим током если для преда. Плюс сохранится СЭГ от мощника если это важно.

Оффлайн surfin bird

  • Эксперт
  • *****
  • Сообщений: 2963
  • Поциент-заМКАДыш
    • Surfin Bird
Гениально! Респект! :greeting:

Оффлайн AZG

  • Живу на форуме
  • *******
  • Сообщений: 95529
  • Санкт-Петербург
    • AZG CUSTOM
surfin bird, Ну ты понимаешь, что 650В тебе не надо? Еще выгода от двухэтажки довольно низкий вольтаж электролитов. По сути можно на 350В поставить и на 400В в преампе на каскадах.

Оффлайн surfin bird

  • Эксперт
  • *****
  • Сообщений: 2963
  • Поциент-заМКАДыш
    • Surfin Bird
Да, конечно, поциент в глубине подсознания понимает, шо 650 перебор  :crazy:

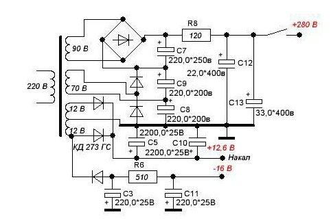
А здесь тот же самый принцип, только 3 этажа?

Оффлайн AZG

  • Живу на форуме
  • *******
  • Сообщений: 95529
  • Санкт-Петербург
    • AZG CUSTOM
surfin bird, Здесь умножитель + второй этаж. Третьего нет. Видать совсем не заказать нормальный силовик.

Оффлайн Картошка

  • Эксперт
  • *****
  • Сообщений: 1345
  • Отжигаем лампы
Во, раз про питание зашло, я вспомнил
А в сигнальную цепь, а так же в качестве анодных преда, что интересней резисторы металлооксидные или металлпленку?  как по шумам, звуку?

Оффлайн AZG

  • Живу на форуме
  • *******
  • Сообщений: 95529
  • Санкт-Петербург
    • AZG CUSTOM
Картошка, Сигнальные MF, силовые МО

Оффлайн surfin bird

  • Эксперт
  • *****
  • Сообщений: 2963
  • Поциент-заМКАДыш
    • Surfin Bird
А какие минусы появятся при употреблении в качестве силовых МФ или проволочных ?