Автор Тема: Ламповый усилитель для бас гитары на 6П6С  (Прочитано 10606 раз)

0 Пользователей и 1 Гость просматривают эту тему.

Оффлайн Spero_In_Inteligo

  • Живу на форуме
  • *******
  • Сообщений: 9042
  • Код пишу, на досуге на проволоку нажимаю.
Re: Ламповый усилитель для бас гитары на 6П6С
« Ответ #105 : Июня 25, 2025, 23:20:37 »
Spero_In_Inteligo, сэмплов не будет. Играть я так и не научился. Пока собирал, басист уехал учиться в другой город и там переквалифицировался в ударника

Однако.  :o

Онлайн Лёха2009

  • Эксперт
  • *****
  • Сообщений: 1269
Re: Ламповый усилитель для бас гитары на 6П6С
« Ответ #106 : Апреля 16, 2026, 06:49:12 »
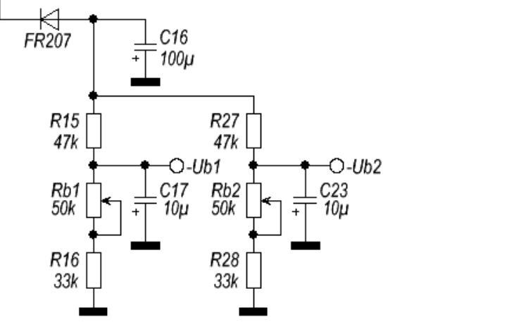
Подскажите нужно ли что то менять в оконечнике если собирать для обычной гитары?
Ну кондеры понятно  на входе 22нф например поставить после фи тоже 22нф, ну это если не аля Фендер собираем.
Вроде так все номиналы стандартные.

Просто решил смакетить чисто из интереса, тан 3 есть как раз на выход.
Правда лампы не подобранная пара естественно. Поэтому смещение думаю сделать фиксированное. Схему взял из Mod S

Оффлайн tube-freak

  • Эксперт
  • *****
  • Сообщений: 1282
  • yo yoda
Re: Ламповый усилитель для бас гитары на 6П6С
« Ответ #107 : Апреля 16, 2026, 08:14:04 »
Так тут и есть гитарный усилитель...
То, что кондёры межкаскадные подняли до 100н - не делает его басовым.
автобиас ;) в басовом усилке....   оригинально.

Смотри, как "расовый" бас-амп выглядит:
https://ampeg.com/data/6/0a0005091f746620632bec8b3/application/pdf/

оч холодный вход, без кондёра в катоде ессесно, дальше баксандал-тонстэк. они разные бывают... тут совсе простой. в B-15 смотри там немного сложнее, верх/низ
 И ФИ, "нетипичный".    :o
Можно еще замудрить, после 2го каскада Крутилку МИД, и 3тий каскад обычный и 4ый триод - катодин ФИ. 

А все эти фендеро-Бас-Ампы, которые гитарные с увеличенными кондерами... ну конечно можно играть бас, но звук специфический, не всегда подходит. 
« Последнее редактирование: Апреля 16, 2026, 08:19:17 от tube-freak »

Оффлайн AZG

  • Живу на форуме
  • *******
  • Сообщений: 95872
  • Санкт-Петербург
    • AZG CUSTOM
Re: Ламповый усилитель для бас гитары на 6П6С
« Ответ #108 : Апреля 16, 2026, 08:33:19 »
tube-freak, У того же Ампега есть и с обычным длиннохвостом несколько аппаратов. Ты зри в корень, ФИ тут мало определяет гитарный или басовый. Вот некоторые нюансы ФИ да, могут повлиять на чистоту и компрессию ФИ. А про построение преампа согласен, отличается довольно прилично. Хотя и в хороший объемный клин бац прозвучит достойно. Тем более вспоминая один из классических вариантов - Алембик.

Оффлайн tube-freak

  • Эксперт
  • *****
  • Сообщений: 1282
  • yo yoda
Re: Ламповый усилитель для бас гитары на 6П6С
« Ответ #109 : Апреля 16, 2026, 08:39:46 »
Конечно так. ФИ - это мелочи, последний штрих.

Главное - не перегрузить сигнал в преде, и не срезать много низа.  И стандартный гит тонстэк, вот хоть убей - не хорошо. Он столько середины убивает.  (Разве что если мид на полную, и бас/требл в ноль) 
Для много чего подходит, не спорю, но точно не универсально.  Баксандал с бас/требл и активный МИД - вот где сила!!!

Оффлайн Rolly

  • Живу на форуме
  • *******
  • Сообщений: 9157
  • Мнение - не повод получить пулю сразу.
Re: Ламповый усилитель для бас гитары на 6П6С
« Ответ #110 : Апреля 16, 2026, 08:46:52 »
tube-freak, я крутил вертел баксандал, познал дзен, что это просто двухполосный эквалайзер в раздельными регулировками и суммированием потом, и сделал трёхполосный с такой же серединой. Если выкрутить всё на максимум, просаживает минимально. Там смысл в том, что все регуляторы включены потенциометрами, а это очень помогает правильности регулирования.
(нажмите чтобы показать/спрятать)
« Последнее редактирование: Апреля 16, 2026, 09:13:47 от Rolly »

Оффлайн HiRes.GP

  • Живу на форуме
  • *******
  • Сообщений: 7982
  • shit in - shit out
Re: Ламповый усилитель для бас гитары на 6П6С
« Ответ #111 : Апреля 16, 2026, 09:16:08 »
Маршалловский тон-стек удобен для перестройки под бас или гитару или под чего угодно.
Баксандал с бас/требл и активный МИД - вот где сила!!!

Нет, баксандл будет поднимать по мимо рабочего низа и инфра низ, который не нужен, отберет мощность у усилителя и плохо подружит с ударными.
Проходил такой момент многократно. Начиная еще с юности подключая бас напрямую в пульты.
Только позже углубившись в звук понял почему происходили проблемы.
Если использовать именно архитектуру баксандла, обязательно Hi Pass фильтр, и не менее 12 db срез.

Оффлайн Rolly

  • Живу на форуме
  • *******
  • Сообщений: 9157
  • Мнение - не повод получить пулю сразу.
Re: Ламповый усилитель для бас гитары на 6П6С
« Ответ #112 : Апреля 16, 2026, 09:31:56 »
Нет, баксандл будет поднимать по мимо рабочего низа и инфра низ, который не нужен, отберет мощность у усилителя и плохо подружит с ударными.
Баксандал находится в суперпопулярном для студий Ампег Б-15 Портафлекс. Так что зависит от стиля.

Оффлайн AZG

  • Живу на форуме
  • *******
  • Сообщений: 95872
  • Санкт-Петербург
    • AZG CUSTOM
Re: Ламповый усилитель для бас гитары на 6П6С
« Ответ #113 : Апреля 16, 2026, 09:36:22 »
HiRes.GP, Срез инфраниза у того же Ампега присутствует. Но народ усиленно его не видит.

tube-freak, так басисты как-раз любят подрезать СЧ. И на удивление, у Алембика срез СЧ на вполне нужном месте. Если хочется большего, то параметрику ставим и радуемся.

Баксандал да, для басового более привычный и приятный. Более прогнозируемый. Но есть и нюансы.

А перегрузить сигнал - довольно часто НАДО. Только в басовом желательно это сделать с фильтрацией, чтобы не грузили низы. Тогда появится рычащее зерно, что в современном басу очень важно.

Оффлайн tube-freak

  • Эксперт
  • *****
  • Сообщений: 1282
  • yo yoda
Re: Ламповый усилитель для бас гитары на 6П6С
« Ответ #114 : Апреля 16, 2026, 11:46:50 »
Ну я же типа сам басист... был
Если рубить роцк на фендер пресижн, ровно восьмыми  - то можно и без середины, чтоб урчало ;)

Но если надо красиво, под фанк/поп/соул - тут точно не фендероид/алембик... именно из-за тонстэка.

оффтопик:
Я играл на ламповом преде на есс81, с баксандалом на верх/низ. дальше компрессор типа 1776, упрощенный и подогнанный под бас, и усилитель класс Д на 1кВатт ;) в 2х12"+6" коробку

Но блин, Ампег + 8х10   или Фендероид + 2х15  - оно в этом что-то есть, такая первобытная мощь

Оффлайн HiRes.GP

  • Живу на форуме
  • *******
  • Сообщений: 7982
  • shit in - shit out
Re: Ламповый усилитель для бас гитары на 6П6С
« Ответ #115 : Апреля 16, 2026, 11:49:08 »
Rolly,

Ты про него?


... и добавил:

AZG,

А это нормально, не замечать такие простые мелочи, без которых картинка мира сильно портится.

... и добавил:

tube-freak,

я не басист, скорее сочувствующий с басухой, играл много на чем
от Ашдаунов до SWR  15" лапухами.  :hmmm:

... и добавил:

Баксандал находится в суперпопулярном для студий Ампег Б-15 Портафлекс. Так что зависит от стиля.

Так я ж не против, просто он по краям задирает лишнее, что в грамотной схеме подрезается или до него, или после, не принципиально.
« Последнее редактирование: Апреля 16, 2026, 11:52:42 от HiRes.GP »

Оффлайн tube-freak

  • Эксперт
  • *****
  • Сообщений: 1282
  • yo yoda
Re: Ламповый усилитель для бас гитары на 6П6С
« Ответ #116 : Апреля 16, 2026, 12:04:01 »
У тебя пример о "вреде" баксандала был какой? в пульт там чего то... и РА Усилитель дальше. Там низ естественно оч. "низкий"
Тут усилитель ламповый, там и до тонстэка и после целая куча фильтров по низу. И сам выходной транс, и межкаскадные кондеры.  Вообще проблема отсутствует.
И по верху все чистенько приберается

Оффлайн AZG

  • Живу на форуме
  • *******
  • Сообщений: 95872
  • Санкт-Петербург
    • AZG CUSTOM
Re: Ламповый усилитель для бас гитары на 6П6С
« Ответ #117 : Апреля 16, 2026, 12:06:06 »
HiRes.GP, Анализ схемотехники дело не легкое. Тем более многим надо симулировать чтобы понять назначение некоторых фильтров.

tube-freak, Посмотри Хартке. Довольно модерновые аппараты с Алембиком в базе. И норм, бацистам нравится. Никто не заставляет в ноль резать середину.

Но и еще все это сильно зависит от кабинета. Поставь Эминенсы и середина будет ОК. А Селешены ощутимо более плоские. СИКА хорошие довольно нейтральные. Есть и с выделенной серединой типа ТонТабби, например.

Оффлайн HiRes.GP

  • Живу на форуме
  • *******
  • Сообщений: 7982
  • shit in - shit out
Re: Ламповый усилитель для бас гитары на 6П6С
« Ответ #118 : Апреля 16, 2026, 12:34:49 »
У тебя пример о "вреде" баксандала был какой? в пульт там чего то... и РА Усилитель дальше. Там низ естественно оч. "низкий"
Тут усилитель ламповый, там и до тонстэка и после целая куча фильтров по низу. И сам выходной транс, и межкаскадные кондеры.  Вообще проблема отсутствует.
И по верху все чистенько приберается

я не писал о вреде, а скорее об специфике баксандла, которую нужно учитывать

Оффлайн oxigen

  • Эксперт
  • *****
  • Сообщений: 1421
  • Если нельзя, но очень хочется, то можно
Re: Ламповый усилитель для бас гитары на 6П6С
« Ответ #119 : Апреля 16, 2026, 12:47:01 »
Как же мне нравятся ваши , AZG, ответы! Прорисовать тот звук, что получится при изменении тех или иных компонентов. Словами, но доходчиво и точно! Спасибище!
 Ни в коей мере не умаляю достоинств и способностей других форумчан, но опыт и применимость на практике выше всех похвал.
« Последнее редактирование: Апреля 16, 2026, 12:49:14 от oxigen »