Автор Тема: Laney Irt 60  (Прочитано 2268 раз)

0 Пользователей и 1 Гость просматривают эту тему.

Оффлайн corbandallass Автор темы

  • Опытный
  • ****
  • Сообщений: 865
Laney Irt 60
« : Сентября 25, 2016, 19:40:56 »
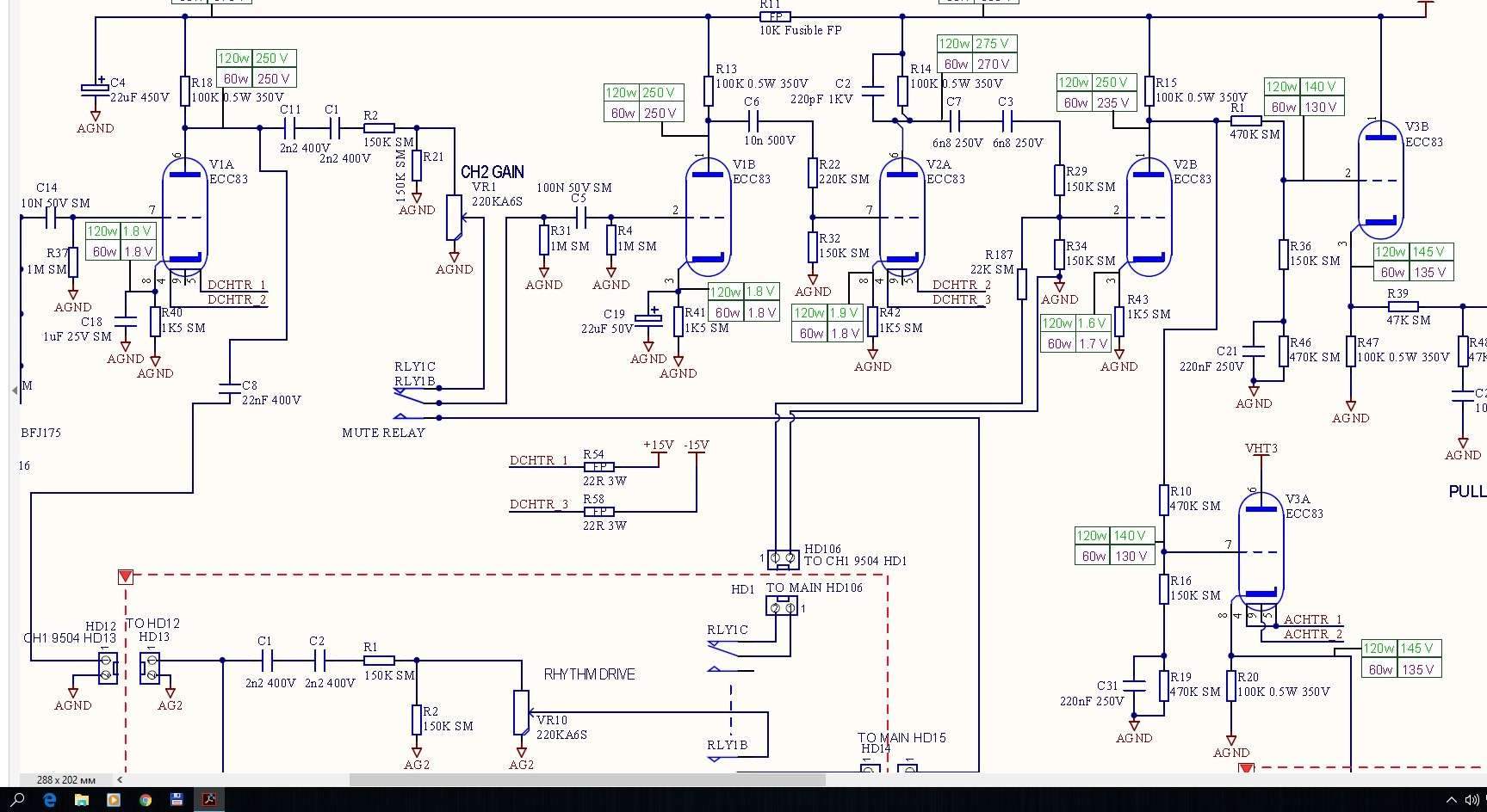
Всем привет!чешутся рученки замодить преамп усилителя под что-нибудь такое типа JCM800 или поинтереснее по звучанию так сказать малой кровью путем замены номиналов деталей или вырезания добавления новых конденсаторов и резисторов....для начала по простому... ,есть схема,подскажите на пальцах что можно поменять и изменить.с паяльником и мультиметром дружу.

Оффлайн Виктор Андреев

  • Эксперт
  • *****
  • Сообщений: 1154
  • GuitarPlayer.Ru fan!
Re: Laney Irt 60
« Ответ #1 : Сентября 25, 2016, 21:05:54 »
странные схемные решения, разделительных два в послед 2.2 нф - и на 150к нагрузочных - там нч (100-200гц) все срубятся
нужно jcm800 - все разобрать и развести с нуля
но обратного пути не будет
 

Оффлайн step any ich

  • Завсегдатай
  • ***
  • Сообщений: 274
Re: Laney Irt 60
« Ответ #2 : Сентября 25, 2016, 21:11:30 »
После подобных вмешательств продать сложнее будет. Если это не останавливает, то начинать причесывать межкаскадку

Оффлайн akl

  • Живу на форуме
  • *******
  • Сообщений: 8114
  • не шарю ваще
Re: Laney Irt 60
« Ответ #3 : Сентября 25, 2016, 21:35:03 »
сначала надо определить соответствие запощенной схемы реальному усилителю. потом сформулировать что конкретно не устраивает в звуке. кстати от оконечника тоже многое зависит

Оффлайн AZG

  • Живу на форуме
  • *******
  • Сообщений: 95553
  • Санкт-Петербург
    • AZG CUSTOM
Re: Laney Irt 60
« Ответ #4 : Сентября 25, 2016, 21:55:51 »
Виктор Андреев, Лэни никогда не разбирал? Там парочка последовательно из-за экономии на напряжении и стоимости конденсаторов. Эта парочка на 100 вольт.

corbandallass, Если не видишь что именно делать, может стоить это доверить более подготовленным? Я бы порекомендовал крутить в сторону Фридман НВ-100. Каскадов столько же и схемотехника относительно близкая.

Оффлайн Виктор Андреев

  • Эксперт
  • *****
  • Сообщений: 1154
  • GuitarPlayer.Ru fan!
Re: Laney Irt 60
« Ответ #5 : Сентября 25, 2016, 23:31:55 »
Там парочка последовательно из-за экономии на напряжении и стоимости конденсаторов. Эта парочка на 100 вольт.
я про емкость
что бы 80гц нормально шли, нужно при 150к - хотя бы 47нф кондер, а не 1 нф, это уже вч канал биамплинга будет, а не гитарный
дурость какая то


Оффлайн AZG

  • Живу на форуме
  • *******
  • Сообщений: 95553
  • Санкт-Петербург
    • AZG CUSTOM
Re: Laney Irt 60
« Ответ #6 : Сентября 25, 2016, 23:41:42 »
Виктор Андреев, Изучай хайгейн, особенно модерновый. И как формируется АЧХ по НЧ. 1н вполне адекватный номинал. Там не требуется 80 гц ни при каком варианте.

Оффлайн Виталийй

  • Частый посетитель
  • **
  • Сообщений: 232
  • GuitarPlayer.Ru fan!
Re: Laney Irt 60
« Ответ #7 : Сентября 26, 2016, 04:12:27 »
1100 Р на 240 кОм частота среза будет где то 611 Гц, точнее ниже 611 Гц начнётся ослабление сигнала, что собственно и нужно чтоб усилитель не бубнел, но при этом сигнала и 100 и даже 80 Гц будет достаточно, когда собирал энгл, сильно сомневался что при таких разделительных конденсаторах зарычит как надо, но всё ОК))

Оффлайн Виктор Андреев

  • Эксперт
  • *****
  • Сообщений: 1154
  • GuitarPlayer.Ru fan!
Re: Laney Irt 60
« Ответ #8 : Сентября 26, 2016, 05:42:40 »
по схеме то 150 и параллельно 220
ниже 1кгц уже поехали вниз
чет не то по любому

Оффлайн corbandallass Автор темы

  • Опытный
  • ****
  • Сообщений: 865
Re: Laney Irt 60
« Ответ #9 : Сентября 26, 2016, 14:56:00 »
Подготовленных спецов в нашем городе Рязани нету,в тьюбтоне серию IRT отказываются модить,решил сам вот слегка.низа действительно маловато в этом усилителе ,звук холодный несколько,хотя чистый наоборот хорош.

... и добавил:

Схема 100 пр его,вырезал кусок с преампом просто

Оффлайн Rolly

  • Живу на форуме
  • *******
  • Сообщений: 9050
  • Мнение - не повод получить пулю сразу.
Re: Laney Irt 60
« Ответ #10 : Сентября 26, 2016, 15:20:13 »
Мод зависит от того, что хочешь получить. Но в чём-то соглашусь с Виктором Андреевым, если частоту среза после первого каскада сделать пониже - звук поинтереснее будет. А вообще накрутить тут можно полно всего. В смысле если не разбирать целиком и собирать заново 800-й, а именно модить. Но для этого надо конкретнее ставить себе цели от текущего звука.
« Последнее редактирование: Сентября 26, 2016, 15:34:55 от Rolly »

Оффлайн corbandallass Автор темы

  • Опытный
  • ****
  • Сообщений: 865
Re: Laney Irt 60
« Ответ #11 : Сентября 26, 2016, 15:41:40 »
Хотелось бы убрать этот британский зуд,что то ближе к evh по звуку и к разогнанному маршалу

... и добавил:

Т.е. надо выкинуть эти сдвоенные емкости и поставить другой номинал побольше С1 и С11 ?

... и добавил:

С.  С3 и С7 также поступить ?
« Последнее редактирование: Сентября 26, 2016, 15:44:36 от corbandallass »

Оффлайн Rolly

  • Живу на форуме
  • *******
  • Сообщений: 9050
  • Мнение - не повод получить пулю сразу.
Re: Laney Irt 60
« Ответ #12 : Сентября 26, 2016, 16:00:26 »
Т.е. надо выкинуть эти сдвоенные емкости и поставить другой номинал побольше С1 и С11 ?
С11 поставить 22n и подобрать С1 с шагом 2 раза. Если гейна будет слишком много становиться - увеличить R2. Потом тут отписаться о результатах. :hmmm:

Оффлайн corbandallass Автор темы

  • Опытный
  • ****
  • Сообщений: 865
Re: Laney Irt 60
« Ответ #13 : Сентября 26, 2016, 16:01:38 »
Йес сэр )

Оффлайн Rolly

  • Живу на форуме
  • *******
  • Сообщений: 9050
  • Мнение - не повод получить пулю сразу.
Re: Laney Irt 60
« Ответ #14 : Сентября 26, 2016, 16:09:50 »
Шаг 2 значит примерно 2, т.е. подбирать стандартные номиналы кратные 10-22-47. Точнее на данном этапе не надо. :hmmm: