Автор Тема: Маломощные Push–pull оконечники на двойных триодах  (Прочитано 317558 раз)

0 Пользователей и 1 Гость просматривают эту тему.

Оффлайн Shrila

  • Опытный
  • ****
  • Сообщений: 602
  • हरे कृष्ण
Re: Маломощные Push–pull оконечники на двойных триодах
« Ответ #1380 : Сентября 12, 2014, 17:19:25 »
Отключение эквивалента автоматическое на гнездах для подключения кабинета. У меня обычно два параллельных гнезда. На одном отключается горячий провод, на другом земля эквивалента.
А если нерадивый пользователь вытащит только один конец спикер кабеля из кабинета? Теоретически ведь возможно?

Оффлайн runing

  • Живу на форуме
  • *******
  • Сообщений: 12572
  • Киев
Re: Маломощные Push–pull оконечники на двойных триодах
« Ответ #1381 : Сентября 12, 2014, 17:25:00 »
Не совсем так. Резистор на вывод 1 переменника. Вывод 3 на землю. Выход на гнездо с вывода 2.

То есть обычным делителем? Тогда наверное  1-й вывод на землю, иначе регулироваться будет в противоположную сторону  ???

А если нерадивый пользователь вытащит только один конец спикер кабеля из кабинета? Теоретически ведь возможно?

Чаще всего именно так и происходит  ;D
Я ставлю защитные диоды на аноды выходных ламп  :hmmm:


Оффлайн Vitallka

  • Эксперт
  • *****
  • Сообщений: 1175
  • Антиум
Re: Маломощные Push–pull оконечники на двойных триодах
« Ответ #1382 : Сентября 12, 2014, 17:37:09 »
Ну собственно планируется нечто маршалоподобное... Как лучше питание организовать?
http://s29.postimg.cc/rwmdke89z/PSU_1.jpg

http://s29.postimg.cc/9sjczralj/PSU_2.jpg

Проще двухэтажку сделать, если транс будет мотаться - так меньше будет мотать и можно одним мостом обойтись.
« Последнее редактирование: Сентября 12, 2014, 17:39:02 от Vitallka »

Оффлайн manul

  • Опытный
  • ****
  • Сообщений: 561
Re: Маломощные Push–pull оконечники на двойных триодах
« Ответ #1383 : Сентября 12, 2014, 18:05:11 »
Огромное спасибо, Азнаур!

... и добавил:

Так можно и одним гнездом обойтись вроде-до меня допёрло :)....
« Последнее редактирование: Сентября 12, 2014, 18:12:58 от manul »

Оффлайн AZG

  • Живу на форуме
  • *******
  • Сообщений: 95657
  • Санкт-Петербург
    • AZG CUSTOM
Re: Маломощные Push–pull оконечники на двойных триодах
« Ответ #1384 : Сентября 12, 2014, 19:20:27 »
Shrila, Тогда проблемы этого товарища, ибо ничем не отличается от обычного усилителя без эквивалента.

runing, Нумерация потов без разницы. Главное понять суть и сделать как надо.

manul, Ну, я то делаю аппараты не только для дома :)

Оффлайн manul

  • Опытный
  • ****
  • Сообщений: 561
Re: Маломощные Push–pull оконечники на двойных триодах
« Ответ #1385 : Сентября 12, 2014, 19:23:47 »
Ну у каждого своя история ;)... Это мой второй для дома будет :))))

Оффлайн halvalife

  • Опытный
  • ****
  • Сообщений: 890
Re: Маломощные Push–pull оконечники на двойных триодах
« Ответ #1386 : Сентября 18, 2014, 06:59:19 »
Не знаю, было или нет, - выходной каскад на 6sn7 (близкий аналог наша 6Н8С, тут http://guitar.ru/articles/sound-amp/sound-amp_262.html значится как полный аналог) - 2 вт мощи:
« Последнее редактирование: Сентября 18, 2014, 07:31:23 от halvalife »

Оффлайн Ksandr-

  • Эксперт
  • *****
  • Сообщений: 1437
  • хто здесь?!
Re: Маломощные Push–pull оконечники на двойных триодах
« Ответ #1387 : Сентября 18, 2014, 07:10:27 »
halvalife, там еще написано, что канает и для 12au7. на ней маршалы 1вт сделаны.

Оффлайн Mepk

  • Эксперт
  • *****
  • Сообщений: 1855
  • Еще один соберу - и всё...
    • Мой блог
Re: Маломощные Push–pull оконечники на двойных триодах
« Ответ #1388 : Сентября 18, 2014, 20:28:48 »
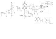
Дурная голова рукам покоя не дает :crazy:
Накомбинировал из трудов камрадов Sofa_Guitarrero и JoeDominges я такую вот схему.
Хочу уместить это на G0477.

Что скажете, есть надежда, что схема работоспособна?

1066301-0

Оффлайн AZG

  • Живу на форуме
  • *******
  • Сообщений: 95657
  • Санкт-Петербург
    • AZG CUSTOM
Re: Маломощные Push–pull оконечники на двойных триодах
« Ответ #1389 : Сентября 18, 2014, 20:51:18 »
Mepk, Вход на фазик откровенно лишний. И если не надо сохранять тон конкретного фазика куда проще собрать вариант с ФИРН и без полевика.

Да, в зависимости от рукастости и трансов, этой все можно и в 473-й корпус поместить с лампами наружу.

Оффлайн vasilius

  • Эксперт
  • *****
  • Сообщений: 2193
  • www.st-rock.com
    • st.Rock
Re: Маломощные Push–pull оконечники на двойных триодах
« Ответ #1390 : Сентября 18, 2014, 21:09:56 »
AZG, а на сколько ФИРН звучит иначе, и звучит ли иначе? -)
были тесты "в лоб" ?



Оффлайн Mepk

  • Эксперт
  • *****
  • Сообщений: 1855
  • Еще один соберу - и всё...
    • Мой блог
Re: Маломощные Push–pull оконечники на двойных триодах
« Ответ #1391 : Сентября 18, 2014, 21:38:05 »
Mepk, Вход на фазик откровенно лишний. И если не надо сохранять тон конкретного фазика куда проще собрать вариант с ФИРН и без полевика.
Мне бы хотелось этот (маршалловский, как я понимаю) фазик оставить.
Т.е. выкидивать вход на фазик и C3?

Да, в зависимости от рукастости и трансов, этой все можно и в 473-й корпус поместить с лампами наружу.
Насчет рукастости судить не буду, а трансы на 473 не помещаются.

Оффлайн AZG

  • Живу на форуме
  • *******
  • Сообщений: 95657
  • Санкт-Петербург
    • AZG CUSTOM
Re: Маломощные Push–pull оконечники на двойных триодах
« Ответ #1392 : Сентября 18, 2014, 21:49:31 »
Mepk, Вместо входа на фазик регулятор громкости. конденсаторы оставить.

vasilius, Иначе. Лучше собрать самому и сравнить, чем писать необъяснимое. Даже вроде похожие фазики Маршалла и некоторых Фендеров звучат немного по разному.

Оффлайн Mepk

  • Эксперт
  • *****
  • Сообщений: 1855
  • Еще один соберу - и всё...
    • Мой блог
Re: Маломощные Push–pull оконечники на двойных триодах
« Ответ #1393 : Сентября 18, 2014, 22:18:10 »
Mepk, Вместо входа на фазик регулятор громкости. конденсаторы оставить.

У меня для дросселя нет места, да и самого дросселя нет :hmmm:
Нарисованный БП имеет право на жизнь?
Так, правильно?

1066337-0

Оффлайн AZG

  • Живу на форуме
  • *******
  • Сообщений: 95657
  • Санкт-Петербург
    • AZG CUSTOM
Re: Маломощные Push–pull оконечники на двойных триодах
« Ответ #1394 : Сентября 18, 2014, 22:53:58 »
Mepk, Вполне нормально. Можно анодку снимать прямо с диодов.