Автор Тема: Маломощные Push–pull оконечники на двойных триодах  (Прочитано 317681 раз)

0 Пользователей и 1 Гость просматривают эту тему.

Оффлайн Crypt

  • Ветеран форума
  • ******
  • Сообщений: 3383
  • Technician
    • MEGATHERION
Вот эти пока не пробовал. Поищу в запасах, что-то было...

Еще из той же области 6AK6 вспомнились :-)


В реалии одна 2 мА показала, но была прогрета длительными испытаниями. Вторая 3.5мА, прогрета от силы час. Это как-раз НОРМАЛЬНО. Т.е. предел 5мА не превышен.

Откуда взят или кем придуман и применительно к чему пресловутый "предел 5мА"?
Можно сколько угодно уверять себя или других что "минимальные" 2 мА -- 3.5мА это не значительно -- все равно это немало, а даже дофига с учетом того какой ток через лампу. Не 50-70мА же на половинку. И это только один фактор.

Коробка (лучше две, три ++), макетик с предполагаемым режимом, питание от стабов, полностью. 2-12 часов пробега хотя бы, сколько реально потребуется. Измеряем хотябы 2 параметра, ток покоя и крутизну. Оставляем, допустим, то что по половинкам в 5% укладывается (это немало, на самом деле, а ведь еще от лампы к лампе что будет). И вот тогда уже будет о чем.

Оффлайн bill63

  • Новичок
  • *
  • Сообщений: 84
Учимся читать - разброс пока что минимальный как у меня, так и у других.
Crypt говорит, не только о разбросе по току...
А что с крутизной?
« Последнее редактирование: Октября 12, 2014, 15:42:50 от bill63 »

Оффлайн Crypt

  • Ветеран форума
  • ******
  • Сообщений: 3383
  • Technician
    • MEGATHERION
Допустим ток покоя одной половинки меньше на 3 мА, крутизна ее же (а это с большой вероятностью именно так) меньше процентов на 30 (еще скромный случай). В итоге одна полуволна будет сильно меньше и клиповать будет значительно раньше. Под сигналом появляется дополнительная постоянная составляющая (вспоминаем интегрирование :-) ), звуковые черты однотактника с недостатками перекошенного двухтактника.

Впрочем, скажу крамолу. Многие широко известные двухтактники, даже при абсолютно сбалансированных лампах, при перегрузке "падают на бок" так что не поймешь где там двухтактность  :D

Оффлайн bill63

  • Новичок
  • *
  • Сообщений: 84
Допустим ток покоя одной половинки меньше на 3 мА, крутизна ее же (а это с большой вероятностью именно так) меньше процентов на 30 (еще скромный случай). В итоге одна полуволна будет сильно меньше и клиповать будет значительно раньше. Под сигналом появляется дополнительная постоянная составляющая (вспоминаем интегрирование :-) ), звуковые черты однотактника с недостатками перекошенного двухтактника.

Впрочем, скажу крамолу. Многие широко известные двухтактники, даже при абсолютно сбалансированных лампах, при перегрузке "падают на бок" так что не поймешь где там двухтактность  :D
Осталось предложить элегантное решение где все почкум и по митолу... ;)

Оффлайн Crypt

  • Ветеран форума
  • ******
  • Сообщений: 3383
  • Technician
    • MEGATHERION
Что значит "осталось"? Хотя бы эти несчастные ГУ обмерять и сортировать, кому важен результат а не самовнушение. Или из одиночных пентодов пары складывать.

Еще в "кучу" можно добавить 6Ж5П, а также "металлические" 6Ж3, 6Ж4, которые в позднем исполнении содержат внутри электроды от своих пальчиковых аналогов :-)

Оффлайн bill63

  • Новичок
  • *
  • Сообщений: 84
Что значит "осталось"?
Ну я имею ввиду представить готовое схемное решение двухтактного мощника до 5 Вт., а еще лучше проверенное на практике  :)

Оффлайн Sofa_Guitarrero

  • Опытный
  • ****
  • Сообщений: 712
  • Диванщик! Из палаты мер и весов! BMWMotorrad-труЪ!
Камрады, вы где такой шит берете? Из шести купленных - все укладываются в миллиампер разницы.

Впрочем, скажу крамолу. Многие широко известные двухтактники, даже при абсолютно сбалансированных лампах, при перегрузке "падают на бок" так что не поймешь где там двухтактность  :D
Из-за стандартного длиннохвостого фазоинвертора?

Оффлайн AZG

  • Живу на форуме
  • *******
  • Сообщений: 95670
  • Санкт-Петербург
    • AZG CUSTOM
Еще из той же области 6AK6 вспомнились :-)

ОК. Покопался, пока что нашел только пару 6Э5П. Пробовал в свое время, но ничего по ним не помню.

Цитировать
Откуда взят или кем придуман и применительно к чему пресловутый "предел 5мА"?
Можно сколько угодно уверять себя или других что "минимальные" 2 мА -- 3.5мА это не значительно -- все равно это немало, а даже дофига с учетом того какой ток через лампу. Не 50-70мА же на половинку. И это только один фактор.

5мА - да старая привычка. Сам не помню кто придумал, но в голове осталось еще с времен освоения ламповой техники. Да, для такого тока наверное более-менее будет как-раз 2-3 мА.

Цитировать
Коробка (лучше две, три ++), макетик с предполагаемым режимом, питание от стабов, полностью. 2-12 часов пробега хотя бы, сколько реально потребуется. Измеряем хотябы 2 параметра, ток покоя и крутизну. Оставляем, допустим, то что по половинкам в 5% укладывается (это немало, на самом деле, а ведь еще от лампы к лампе что будет). И вот тогда уже будет о чем.

Я же сразу написал, что тестил тупо 2 шт, притом купленные без отборов и подборов. Вторую потихоньку прогреваю тестами, посмотрим через пару недель что покажет.

bill63,  Крутизна меня пока мало волновала, надо стенд под эту лампу паять.  Ставка на нее достаточно большая.

Оффлайн Crypt

  • Ветеран форума
  • ******
  • Сообщений: 3383
  • Technician
    • MEGATHERION
Покопался, пока что нашел только пару 6Э5П.

Это не надо. В свое время аудио-самопальшики ей баловались в рамках проектов по утилизации мусора  :D

5мА - да старая привычка. Сам не помню кто придумал, но в голове осталось еще с времен освоения ламповой техники. Да, для такого тока наверное более-менее будет как-раз 2-3 мА.

Я помню что такое было в каком-то даташите на большой трансформатор. Раскосяк в пару процентов для работы трансформатора даже хорош. Статику то можно смещением уравновесить, но баланс по переменке все равно требуется.

надо стенд под эту лампу паять.

Конечно надо.

... и добавил:

Из-за стандартного длиннохвостого фазоинвертора?

И с ним, и с разделенной нагрузкой.
С разделенной нагрузкой перекашиваются старые оранджи, MV3 и прочая. Одна пара ламп под максимальным сигналом в красные аноды независимо от смещения, вторая более холодная.
С длиннохвостым зависит от сочетания номиналов и того что с преда идет. Где-то клипует ровно, где-то на одно плечо.
« Последнее редактирование: Октября 12, 2014, 19:25:02 от Crypt »

Оффлайн AZG

  • Живу на форуме
  • *******
  • Сообщений: 95670
  • Санкт-Петербург
    • AZG CUSTOM
Это не надо. В свое время аудио-самопальшики ей баловались в рамках проектов по утилизации мусора  :D

Потому и заброшены  :D Тогда еще увлекался Аудио.

Цитировать
Я помню что такое было в каком-то даташите на большой трансформатор. Раскосяк в пару процентов для работы трансформатора даже хорош. Статику то можно смещением уравновесить, но баланс по переменке все равно требуется.

Это да. Все-равно итоговые выводы будут сугубо после осмотра партии ламп. Тут, в отличии от склада, придется все самому прогревать и проверять. В целом, не в первой.

Цитировать
Конечно надо.

Зато проще, сразу загнать в рабочий режим схемы и уже по нему отбирать. Удобнее, чем по усредненным параметрам.

Оффлайн Guitarwalker

  • Частый посетитель
  • **
  • Сообщений: 248
Ну вот опять срач не по теме.Делают на ГУ-17 и довольны,нормальные лампы.Crypt,ты бы еще посоветовал делать на 6с3п 6с4п...дело не в крутизне и не в тех линейных параметрах что ты намерял.если рассказывать дальше я тоже много чего знаю по лампам.Но в гитарном деле линейные режимы не подходят,нужно на уши свои полагаться. А ГУ-17 летала в радиопередатчике на вертолете МИ-8 и нихрена ей не стало :)про  6Э5П это вы зря.хорошая лампа.качает 6П45С только в путь.найди лучше драйвер из недорогих. в оконечник ее не надо ставить. есть еще миниатюрные 6П30Б  с выводами гибкими мож на них попробовать7

Оффлайн Crypt

  • Ветеран форума
  • ******
  • Сообщений: 3383
  • Technician
    • MEGATHERION
Ну вот опять срач не по теме.

Guitarwalker, это ты сейчас не по делу разводишь. Читай внимательно что я написал. Или это не укладывается в обширные знания? И давай без подмен и уводов в сторону.

про  6Э5П это вы зря.хорошая лампа.качает 6П45С только в путь.найди лучше драйвер из недорогих.
Почему Э5П бяка -- это выходит далеко за рамки темы. Также как и то кто что и на чем вообще делал (с сомнительным результатом, обычно, ведь процесс бессмысленного и беспощадного самопала всегда важнее  :D ), что где летало (как будто эти имеет хоть какое-то отношение к теме), и кто как сдуру буй ломал (тоже очень по теме).

Собственно я просто напомнил что ГУ неплохо бы отсортировать и каждой хотя бы 4 цыферки подписать  ;)
Но обязательно находятся какие-то обиженные...
« Последнее редактирование: Октября 12, 2014, 22:55:50 от Crypt »

Оффлайн Guitarwalker

  • Частый посетитель
  • **
  • Сообщений: 248
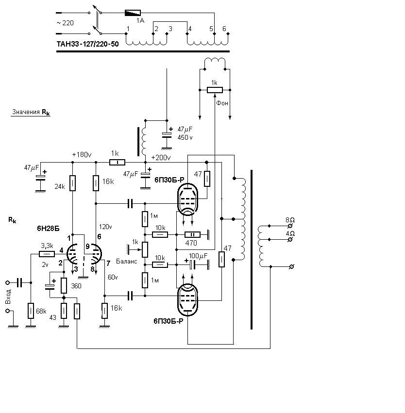
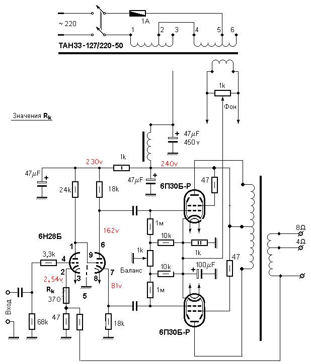
да все нормально было.это ты стал другие лампы предлагать. Про разброс половинок уже объяснили,что он там совсем небольшой.У меня есть пара ГУ-17 подобранные,так что я и не парюсь. :)А на 6Н30Б-Р есть схемка.может подумаем как ее применить.

Оффлайн Crypt

  • Ветеран форума
  • ******
  • Сообщений: 3383
  • Technician
    • MEGATHERION
да все нормально было.

Что было? АЗГ с двумя экземплярами ГУ? Так даже он (всем известно как обычно упирается) не стал отрицать необходимость сортировки.

это ты стал другие лампы предлагать.

Неужели? Заголовок темы вспомним?

А на 6Н30Б-Р есть схемка.может подумаем как ее применить.
Почему бы и нет...

Оффлайн AZG

  • Живу на форуме
  • *******
  • Сообщений: 95670
  • Санкт-Петербург
    • AZG CUSTOM
Crypt, АЗГ написал, что у этих двух при тупой покупке с коробки параметр в очень хороших пределах. Т.е. не стоит так огульно хаять все ГУ-17. А отбор - он по любому нужен  ;)